• <tr id="ii00i"></tr>
  • <nav id="ii00i"><sup id="ii00i"></sup></nav>
  • <nav id="ii00i"></nav>
  • <tfoot id="ii00i"><noscript id="ii00i"></noscript></tfoot>
    <tfoot id="ii00i"><noscript id="ii00i"></noscript></tfoot>
  • <tfoot id="ii00i"><noscript id="ii00i"></noscript></tfoot>
    天天成人综合网,亚洲人妻资源网,欧美精品网,国产黑丝袜在线观看视频,蜜桃av一卡二卡三卡,激情综合图区,亚洲avav,亚洲av电影天堂网

    您好!歡迎光臨烜芯微科技品牌官網!

    深圳市烜芯微科技有限公司

    ShenZhen XuanXinWei Technoligy Co.,Ltd
    二極管、三極管、MOS管、橋堆

    全國服務熱線:18923864027

  • 熱門關鍵詞:
  • 橋堆
  • 場效應管
  • 三極管
  • 二極管
  • led電平指示電路的制作,電路圖介紹
    • 發布時間:2025-07-11 18:12:19
    • 來源:
    • 閱讀次數:
    led電平指示電路的制作,電路圖介紹
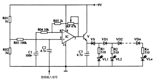
    一、基于LM324的LED電平指示器電路設計
    led電平指示電路
    (一)電路功能與應用場景
    該LED電平指示器電路以LM324運算放大器為核心,具備可調增益放大功能。它可靈活連接至音頻功放電路輸出端,用作功放輸出電平指示;也可接入音頻前置放大電路輸出端(音量控制電路前),擔任前置級電平指示角色,直觀反映音頻信號強度。
    (二)電路組成與工作原理
    增益可調放大前級:LM324運放構成的放大前級,搭配可調電阻RP,實現增益量的靈活調節,以適應不同幅度的輸入信號需求。
    LED驅動電路:由三極管V、電容器C3、穩壓二極管VS,以及電阻器R1-Rn、發光二極管VL1-VLn和二極管VD1-VDn組成。音頻輸入信號經C2耦合至LM324運放的5腳,經運放與三極管放大后,從三極管發射極輸出信號電壓,隨著音頻輸入信號強度增加,VL1-VLn逐級點亮,點亮的LED數量直觀指示輸入信號的強弱。
    (三)元器件選擇
    電阻器:R01-R05和R1-Rn選用1/4W碳膜電阻器或金屬膜電阻器,確保在額定功率內穩定工作。
    可調電阻:RP選用超小型電位器或立式可變電阻器,方便進行增益的精細調節。
    電容器:C1-C3均選用耐壓值為16V的鋁電解電容器,保證在常見音頻電路電壓下可靠運行。
    二極管:VD1-VDn選用1N4148型硅開關二極管或2AP5,VS選用1/2W、3.6V的硅穩壓二極管,確保快速開關與穩定限壓功能。
    發光二極管:VL1-VLn均選用Φ5mm的紅色高亮度發光二極管,提供清晰可見的電平指示。
    三極管:V選用C8050或58050、3DG8050型硅NPN晶體管,具備良好的放大性能與開關特性。
    集成電路:IC選用LM324型運算放大集成電路,集成四個獨立運放,滿足電路放大需求。
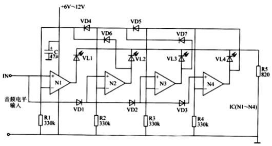
    二、無增益放大電路的LED電平指示器設計
    led電平指示電路
    (一)電路功能與顯示方式
    此LED電平指示器自身不帶增益放大電路,適用于音頻功放輸出端的電平指示。它提供移動點光式和逐級點亮式兩種顯示方式選擇,直觀呈現輸入音頻信號電平變化。
    (二)工作原理
    移動點光式顯示:當輸入音頻信號電平小于0.7V時,N1輸出高電平,VL1點亮;輸入信號電平在0.7-1.4V之間時,N2輸出高電平,VL2點亮的同時,通過VD6使N1的反相輸入端變為高電平,N1輸出低電平,VL1熄滅。依此類推,隨著輸入信號電平升高,VL1和VL4依次點亮,形成移動點光顯示效果。
    逐級點亮式顯示:去掉二極管VD4-VD7后,電路變為四級LED電平指示器。此時,隨著輸入信號電平大小變化,VL1-VL4逐級點亮,以光線長度直觀表示輸入信號強度。
    (三)元器件選擇
    電阻器:R1-R5選用1/4W碳膜電阻器或金屬膜電阻器。
    電容器:C選用耐壓值為16V的鋁電解電容器。
    二極管:VD1-VD7均選用1N4148型硅開關二極管。
    發光二極管:VL1-VL4均選用Φ5mm的發光二極管。
    集成電路:IC選用LM324型四運放集成電路。
    〈烜芯微/XXW〉專業制造二極管,三極管,MOS管,橋堆等,20年,工廠直銷省20%,上萬家電路電器生產企業選用,專業的工程師幫您穩定好每一批產品,如果您有遇到什么需要幫助解決的,可以直接聯系下方的聯系號碼或加QQ/微信,由我們的銷售經理給您精準的報價以及產品介紹
    聯系號碼:18923864027(同微信)
     
    QQ:709211280

    相關閱讀