• <tr id="ii00i"></tr>
  • <nav id="ii00i"><sup id="ii00i"></sup></nav>
  • <nav id="ii00i"></nav>
  • <tfoot id="ii00i"><noscript id="ii00i"></noscript></tfoot>
    <tfoot id="ii00i"><noscript id="ii00i"></noscript></tfoot>
  • <tfoot id="ii00i"><noscript id="ii00i"></noscript></tfoot>
    天天成人综合网,亚洲人妻资源网,欧美精品网,国产黑丝袜在线观看视频,蜜桃av一卡二卡三卡,激情综合图区,亚洲avav,亚洲av电影天堂网

    您好!歡迎光臨烜芯微科技品牌官網!

    深圳市烜芯微科技有限公司

    ShenZhen XuanXinWei Technoligy Co.,Ltd
    二極管、三極管、MOS管、橋堆

    全國服務熱線:18923864027

  • 熱門關鍵詞:
  • 橋堆
  • 場效應管
  • 三極管
  • 二極管
  • 同步整流電路原理,同步整流電路圖介紹
    • 發布時間:2025-05-17 16:38:03
    • 來源:
    • 閱讀次數:
    同步整流電路原理,同步整流電路圖介紹
    同步整流技術解析
    同步整流技術是一種先進的整流方案,它采用通態電阻極低的電力 MOSFET 來取代傳統的整流二極管。這一創新舉措能夠顯著降低整流電路的損耗,進而大幅提高 DC/DC 變換器的效率,完美適配低壓、大電流整流器的應用需求。
    在低壓大電流場景下,電力 MOSFET 的導通壓降相比二極管有著明顯的優勢。選用低壓電力 MOSFET 作為整流器件,不僅可以提升電路的整體效率,還能有效減輕散熱壓力,推動電源設備向小型化發展。
    一、同步整流電路對比傳統整流電路
    (一)傳統開關電源整流電路
    如圖 1 所示,這是傳統的開關電源整流電路。其中,Q 是開關管,T 是開關變壓器,D 是整流二極管,C 是濾波電容。整流二極管 D 利用其單向導電性,獨立完成對開關變壓器次級 L2 兩端交變電勢的整流任務。
    同步整流電路
    (二)同步整流電路
    圖 2 展示了采用 MOS 管 Q2 取代整流二極管 D 的開關電源整流電路。從圖中可以清楚地看到,原本的整流二極管 D 被 MOS 管 Q2 取代。MOS 管是一種受柵極電壓控制的雙向導通開關元件,自身并不具備單向導電性。因此,要想利用 MOS 管實現如同整流二極管般的單向導電整流效果,就必須在 Q2 的柵極施加一個與被整流電壓振幅同步變化的同步激勵信號,如圖 3 所示。
    同步整流電路
    二、同步整流電路工作原理
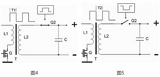
    (一)導通階段(T1)
    在 T1 時間,如圖 4 所示,L2 上端呈現 “正” 電壓。此時,Q2 的激勵電路向 Q2 提供一個使其導通的高電平信號。Q2 導通后,輸出電壓為 “正”,對電容 C 進行充電,同時向負載供電。
    (二)截止階段(T2)
    在 T2 時間,如圖 5 所示,L2 上端變為 “負” 電壓。這時,Q2 的激勵電路向 Q2 提供一個使其截止的低電平信號。Q2 截止后,輸出電壓降為 “零”,此時由電容 C 在 T1 時間儲存的電能開始釋放,維持對負載的供電。
    通過對比可以看出,以 MOSFET 取代普通整流二極管所構成的整流電路,在電路功能和效果上與傳統電路完全一致。然而,同步整流電路必須額外增加一個控制 Q2(MOSFET)“導通 / 關閉”的激勵電路,且該激勵信號必須與被整流電壓的相位保持嚴格同步。這也是同步整流電路得名的由來。
    同步整流電路
    三、采用 MOSFET 作為整流元件的優越性
    (一)降低損耗
    采用低導通電阻的 MOS 管作為整流元件,相比傳統的二極管整流方式,能夠顯著降低整流過程中的損耗。MOS 管的導通和截止動作受柵極電壓精準控制,通過巧妙地施加與被整流交變電壓同步的驅動信號,實現對 MOS 管的精準控制。具體而言,在被整流電壓的正半周到來時,控制 MOS 管導通;而在負半周到來時,控制 MOS 管截止。由于 MOS 管的導通和截止狀態必須與被整流電壓的相位高度同步,因此這種整流方式被稱為同步整流。
    (二)提升效率與散熱性能
    同步整流技術的應用,不僅有效降低了整流過程中的能量損耗,還顯著提升了電路的整體效率。同時,由于損耗的降低,散熱壓力也隨之減輕,這對于電源設備的小型化設計具有重要意義。在低壓、大電流的應用場景中,同步整流技術的優勢尤為突出,能夠滿足現代電子設備對于高效率、小尺寸電源的迫切需求。此外,同步整流技術還在一定程度上提高了電源的可靠性,減少了因過熱等問題導致的故障風險,為電子設備的穩定運行提供了有力保障。
    綜上所述,同步整流技術作為一種高效的整流方案,在電源設計領域具有廣闊的應用前景。隨著電子設備對于電源性能要求的不斷提高,同步整流技術將繼續發揮其重要作用,推動電源技術的持續發展和創新。
    〈烜芯微/XXW〉專業制造二極管,三極管,MOS管,橋堆等,20年,工廠直銷省20%,上萬家電路電器生產企業選用,專業的工程師幫您穩定好每一批產品,如果您有遇到什么需要幫助解決的,可以直接聯系下方的聯系號碼或加QQ/微信,由我們的銷售經理給您精準的報價以及產品介紹
     
    聯系號碼:18923864027(同微信)
     
    QQ:709211280

    相關閱讀