• <tr id="ii00i"></tr>
  • <nav id="ii00i"><sup id="ii00i"></sup></nav>
  • <nav id="ii00i"></nav>
  • <tfoot id="ii00i"><noscript id="ii00i"></noscript></tfoot>
    <tfoot id="ii00i"><noscript id="ii00i"></noscript></tfoot>
  • <tfoot id="ii00i"><noscript id="ii00i"></noscript></tfoot>
    天天成人综合网,亚洲人妻资源网,欧美精品网,国产黑丝袜在线观看视频,蜜桃av一卡二卡三卡,激情综合图区,亚洲avav,亚洲av电影天堂网

    您好!歡迎光臨烜芯微科技品牌官網!

    深圳市烜芯微科技有限公司

    ShenZhen XuanXinWei Technoligy Co.,Ltd
    二極管、三極管、MOS管、橋堆

    全國服務熱線:18923864027

  • 熱門關鍵詞:
  • 橋堆
  • 場效應管
  • 三極管
  • 二極管
  • 電壓,電流采樣電路,放大倍數計算介紹
    • 發布時間:2023-02-07 17:51:33
    • 來源:
    • 閱讀次數:
    電壓,電流采樣電路,放大倍數計算介紹
    FOC運算需要用到電機的線電流值和母線電壓值,所以ADC采樣功能必不可少。但是單片機的IO口輸入電壓范圍是0~3.3V,所以為了保證安全,需要把測量電壓保持在這個范圍之內。
    計算運放電路的放大倍數之前,需要先明確幾個模電的概念-------虛短、虛斷。
    虛短:運放的兩個輸入端視為同等電位;
    虛斷:因為流入運放輸入端的電流往往不足1uA,所以輸入端可以視為等效開路。
    電壓采樣電路圖
    電壓 電流 采樣電路
    電壓采樣電路如上圖所示。
    電壓放大增益計算
    假設上圖中Vcc為48V,R1 = 47K,R2 = 1K。則根據電阻分壓,Vi = 48 * (1/48)=1V。
    因為虛短:V+ = V-。 (式1)
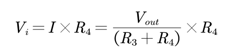
    因為虛斷:反向輸入端無電流輸入輸出,通過R3和R4的電流相等,假設電流為I,則由歐姆定律得:
    I = Vout / (R3 + R4)。
    由圖和(式1)知:Vi = V+ = V- = R4上的分壓。
    即:Vi = I * R4
    即:
    電壓 電流 采樣電路
    Vi已知,只要保證Vout在0~3.3V之間就可以進行電壓的采集,進而對電路中電阻阻值進行設置。
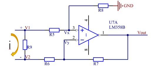
    電流采樣電路圖
    電壓 電流 采樣電路
    電流采樣電路圖如上圖所示。
    電流放大增益計算
    ADC采集電流實際上還是采集電壓,如上圖,R9就是電流采樣電阻。采集R9兩端電壓,然后根據歐姆定律得到電流值。
    先假設:V = i * R9。 (式1)
    由虛斷知:運放輸入端沒有電流流過,則流過R5和R8的電流相等;R6和R7的電流相等。
    則有如下公式:
    電壓 電流 采樣電路
    因為電流范圍已知,所以V就已知,然后R5和R6相等(自由設置),R8和R7相等(自由設置)。
    只要保持Vout在0~3.3V之間,就可以對電路電阻進行設置。
    〈烜芯微/XXW〉專業制造二極管,三極管,MOS管,橋堆等,20年,工廠直銷省20%,上萬家電路電器生產企業選用,專業的工程師幫您穩定好每一批產品,如果您有遇到什么需要幫助解決的,可以直接聯系下方的聯系號碼或加QQ/微信,由我們的銷售經理給您精準的報價以及產品介紹
     
    聯系號碼:18923864027(同微信)
    QQ:709211280

    相關閱讀