• <tr id="ii00i"></tr>
  • <nav id="ii00i"><sup id="ii00i"></sup></nav>
  • <nav id="ii00i"></nav>
  • <tfoot id="ii00i"><noscript id="ii00i"></noscript></tfoot>
    <tfoot id="ii00i"><noscript id="ii00i"></noscript></tfoot>
  • <tfoot id="ii00i"><noscript id="ii00i"></noscript></tfoot>
    天天成人综合网,亚洲人妻资源网,欧美精品网,国产黑丝袜在线观看视频,蜜桃av一卡二卡三卡,激情综合图区,亚洲avav,亚洲av电影天堂网

    您好!歡迎光臨烜芯微科技品牌官網!

    深圳市烜芯微科技有限公司

    ShenZhen XuanXinWei Technoligy Co.,Ltd
    二極管、三極管、MOS管、橋堆

    全國服務熱線:18923864027

  • 熱門關鍵詞:
  • 橋堆
  • 場效應管
  • 三極管
  • 二極管
  • 基于NMOS的雙向電平轉換電路實例介紹
    • 發布時間:2023-02-07 18:05:16
    • 來源:
    • 閱讀次數:
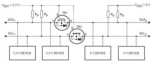
    基于NMOS的雙向電平轉換電路實例介紹
    NMOS雙向電平轉換電路
    雙向電平轉換電路,如下圖所示,是 NMOS管雙向電平轉換電路,R2和R3可根據實際情況添加或去除。適用于低頻信號電平轉換,價格低廉。 導通后,壓降比三極管小。 正反向雙向導通,相當于機械開關。電壓型驅動,需要一定的驅動電流,而且有的應用也許比三極管大。
    NMOS 雙向電平轉換電路
    雙向傳輸原理:  
    S1端輸出低電平,MOS管導通,S2端輸出低電平。
    S1端輸出高電平,MOS管截至,S2端輸出高電平。
    S1端輸出高阻,MOS管截至,S2端輸出高電平 。
    S2端輸出低電平,MOS管內的二極管導通,MOS管導通,S1端輸出低電平。
    S2端輸出高電平,MOS管截至,S1端輸出高電平。
    S2端輸出高阻,MOS管截至,S1端輸出高電平。
    實例應用:
    NMOS 雙向電平轉換電路
    NMOS 雙向電平轉換電路
    NMOS 雙向電平轉換電路
    NMOS 雙向電平轉換電路
    〈烜芯微/XXW〉專業制造二極管,三極管,MOS管,橋堆等,20年,工廠直銷省20%,上萬家電路電器生產企業選用,專業的工程師幫您穩定好每一批產品,如果您有遇到什么需要幫助解決的,可以直接聯系下方的聯系號碼或加QQ/微信,由我們的銷售經理給您精準的報價以及產品介紹
     
    聯系號碼:18923864027(同微信)
    QQ:709211280
    相關閱讀