• <tr id="ii00i"></tr>
  • <nav id="ii00i"><sup id="ii00i"></sup></nav>
  • <nav id="ii00i"></nav>
  • <tfoot id="ii00i"><noscript id="ii00i"></noscript></tfoot>
    <tfoot id="ii00i"><noscript id="ii00i"></noscript></tfoot>
  • <tfoot id="ii00i"><noscript id="ii00i"></noscript></tfoot>
    天天成人综合网,亚洲人妻资源网,欧美精品网,国产黑丝袜在线观看视频,蜜桃av一卡二卡三卡,激情综合图区,亚洲avav,亚洲av电影天堂网

    您好!歡迎光臨烜芯微科技品牌官網!

    深圳市烜芯微科技有限公司

    ShenZhen XuanXinWei Technoligy Co.,Ltd
    二極管、三極管、MOS管、橋堆

    全國服務熱線:18923864027

  • 熱門關鍵詞:
  • 橋堆
  • 場效應管
  • 三極管
  • 二極管
  • 防盜報警器電路圖,電子警報器電路介紹
    • 發布時間:2025-07-26 18:12:56
    • 來源:
    • 閱讀次數:
    防盜報警器電路圖,電子警報器電路介紹
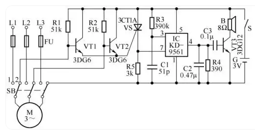
    一、電動機防盜報警器電路
    防盜報警器電路
    將本裝置與三相電動機引線相連接,在電動機正常運轉時,裝置保持靜默。當電動機停轉后,若有人試圖拆卸電動機的引線,裝置將自動進入報警狀態,發出警報聲以警示。
    工作原理
    正常運轉狀態 :SB 是三相雙投刀開關,當合在 “1” 的位置時,電動機正常運轉。此時,扳動 SB 到 “2” 的位置,裝置處于工作狀態。合上開關 S,裝置處于警戒狀態;斷開開關 S,裝置處于解除警報狀態。
    報警觸發機制 :將 SB 扳向 “2” 位置后,VT1、VT2 基極經電動機 M 內部線圈接地,晶閘管 VS 關斷,IC 觸發端無觸發電壓,揚聲器 B 不發聲。當有人偷盜電動機時,只要拆開三相電動機三根引線中的任意兩根,就會使 VT1 或 VT2 進入飽和狀態。電流通過 VT1 或 VT2,觸發 VS 導通,IC 輸入端獲得正向觸發電壓,其輸出端輸出報警電信號。經 VT3 放大后,驅動揚聲器 B 發出報警聲。
    二、緊湊型電子警報器電路
    電路構成與功能
    這是一個基于三個晶體管的緊湊型電子警報器電路,適用于與其他警報或警報器項目結合使用,例如防盜警報器、自動工廠警報器等,也可作為簡單的按下警報使用。
    防盜報警器電路
    工作原理
    非穩態多諧振蕩器 :該電路基于由 Q2 和 Q3(BC557 和 BC37)組成的互補晶體管對,連接為非穩態多諧振蕩器,直接驅動揚聲器。
    電容器充電與放電過程 :晶體管 Q1 用于為電容器 C2 提供完全充電。當電源打開時,按下按鈕開關 S1,電容器 C2 通過電阻 R8 緩慢放電。這使得電路以低頻振蕩,然后隨著電容器完全放電而增加到高頻并無限期地保持。當開關 P1 釋放時,輸出頻率緩慢下降,因為 C2 通過電阻 R6 和晶體管 Q2 的基極 - 發射極結充電至正電壓。當 C2 完全充電至電池正電壓時,電路停止振蕩。
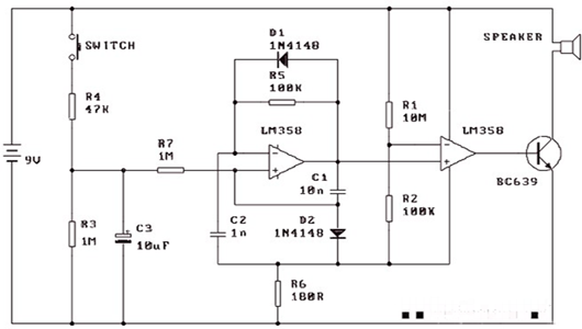
    三、簡單電子警報器電路
    電路特點
    這是一款低成本、簡單的電子警報器,僅由 9V 電池供電。該電路可以提供報警電路中的最終電路塊模塊,使用繼電器來激活它。
    防盜報警器電路
    工作原理
    電容器充放電過程 :當按下開關時,C3 通過 R4 充電,時間常數為 0.47 秒。當釋放開關時,C3 開始通過 R7 和 R3 進行較慢的放電,時間常數約為 5 秒。
    運算放大器設置 :運算放大器設置為壓控振蕩器。這個簡單電子警報器電路中的控制電壓是 C3 充電和放電時電壓的指數上升和下降。
    振蕩器輸出與切換 :當振蕩器(引腳 7)的輸出切換為低電平時,C1 上殘留電荷,使引腳 5 保持在切換點以下。通過 R7 的電流與 C3 上的控制電壓成正比。該電流對 C1 進行放電,導致引腳 5 上的電壓以與 C3 上的電壓成比例的速率上升至開關點。
    運算放大器關閉與再次開啟 :當達到切換點時,引腳 7 切換為高電平,并首先通過 C1 將引腳 6 拉高。這會導致運算放大器暫時難以開啟。但 C3 通過 D2 快速充電,導致引腳 5 上的電壓降至開關點以下,導致運算放大器再次關閉。
    運算放大器輸出與緩沖 :運算放大器輸出的正脈沖將固定量的電荷放入 C2,略微提高引腳 6 的電位。這會導致引腳 6 上的電位上升并有助于運算放大器的急劇關閉。此外,R5 和 C2 將引腳 6 上的上升沿延遲足夠長的時間,以獲得良好的輸出脈沖。然后重復該循環。
    輸出脈沖與聲音產生 :在 C3 放電周期期間,C1 的充電速率隨著振蕩器的每次重復而降低(因為控制電壓較低),并且輸出頻率相應較低。在 C3 充電周期期間,情況相反。輸出脈沖由第二個運算放大器緩沖,然后電流施加到驅動晶體管。輸出波形的占空比較低,但發出的聲音卻出奇的響亮。
    〈烜芯微/XXW〉專業制造二極管,三極管,MOS管,橋堆等,20年,工廠直銷省20%,上萬家電路電器生產企業選用,專業的工程師幫您穩定好每一批產品,如果您有遇到什么需要幫助解決的,可以直接聯系下方的聯系號碼或加QQ/微信,由我們的銷售經理給您精準的報價以及產品介紹
    聯系號碼:18923864027(同微信)
     
    QQ:709211280

    相關閱讀