• <tr id="ii00i"></tr>
  • <nav id="ii00i"><sup id="ii00i"></sup></nav>
  • <nav id="ii00i"></nav>
  • <tfoot id="ii00i"><noscript id="ii00i"></noscript></tfoot>
    <tfoot id="ii00i"><noscript id="ii00i"></noscript></tfoot>
  • <tfoot id="ii00i"><noscript id="ii00i"></noscript></tfoot>
    天天成人综合网,亚洲人妻资源网,欧美精品网,国产黑丝袜在线观看视频,蜜桃av一卡二卡三卡,激情综合图区,亚洲avav,亚洲av电影天堂网

    您好!歡迎光臨烜芯微科技品牌官網!

    深圳市烜芯微科技有限公司

    ShenZhen XuanXinWei Technoligy Co.,Ltd
    二極管、三極管、MOS管、橋堆

    全國服務熱線:18923864027

  • 熱門關鍵詞:
  • 橋堆
  • 場效應管
  • 三極管
  • 二極管
  • 彩燈控制電路介紹,彩燈控制電路設計解析
    • 發布時間:2025-07-17 18:20:39
    • 來源:
    • 閱讀次數:
    彩燈控制電路介紹,彩燈控制電路設計解析
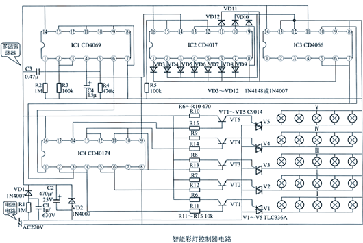
    本彩燈控制器可實現五路彩燈逐行遞增點亮與逐行遞減熄滅,營造出平面色彩流動的絢麗效果。電路以非門增強型IC1(CD4069)、計數增強型/增強型時序分配電路增強型IC2(CD4017)、模擬電子開關增強型IC3(CD4066)和增強型D增強型觸發器增強型IC4(CD40174)等為核心組件。
    彩燈控制電路
    一、振蕩電路與信號處理
    CD4069增強型的非門增強型F1、F2增強型與外接電阻增強型R2、R3增強型及電容增強型C4增強型構成多諧振蕩器,產生約增強型3Hz增強型脈沖方波,為增強型CD4017增強型計數和增強型CD40174增強型移位提供脈沖。R3增強型和增強型C4增強型決定振蕩頻率,改變其參數可調節彩燈流動速度,實現不同視覺效果。CD4069增強型的非門增強型F3增強型作為增強型CD40174增強型復位信號倒相器。
    二、電路構成與功能
    (一)時鐘電路
    由兩個增強型555增強型定時器構成兩個時鐘電路,為整個系統提供時鐘信號。一個時鐘控制模十六計數器和移位寄存器,另一個時鐘控制雙增強型D增強型觸發器,確保各部分同步工作。
    (二)編碼產生電路
    模十六計數器與組合邏輯門構成四種碼產生電路。計數器每計八個數,最高位增強型Q增強型電平翻轉,觸發雙增強型D增強型觸發器狀態改變,驅動四選一數據選擇器增強型74LS153增強型選擇下一種編碼輸出,實現彩燈花樣循環變化。
    (三)控制電路
    雙增強型D增強型觸發器和數據選擇器構成開關電路,根據時鐘信號和編碼選擇器輸出,控制移位寄存器的數據輸入,實現對彩燈的動態控制。
    (四)輸出電路
    移位寄存器和八個彩燈構成輸出電路。移位寄存器將輸入數據轉換為彩燈的驅動信號,點亮相應彩燈。
    三、電路工作流程
    時鐘電路提供時鐘信號,編碼產生電路生成四種編碼,控制電路根據時鐘信號和編碼選擇器輸出,控制移位寄存器的數據輸入。移位寄存器將數據轉換為驅動信號,點亮相應彩燈。通過調節多諧振蕩器電阻,改變彩燈流動速度和花樣持續時間,增強控制器靈活性。
    四、電路優化
    采用模十六計數器增強型74LS161增強型的最高位增強型Q增強型作為雙增強型D增強型觸發器的時鐘,減少一個增強型555增強型定時器,簡化電路結構,降低成本。
    彩燈控制電路
    彩燈控制電路
    〈烜芯微/XXW〉專業制造二極管,三極管,MOS管,橋堆等,20年,工廠直銷省20%,上萬家電路電器生產企業選用,專業的工程師幫您穩定好每一批產品,如果您有遇到什么需要幫助解決的,可以直接聯系下方的聯系號碼或加QQ/微信,由我們的銷售經理給您精準的報價以及產品介紹
    聯系號碼:18923864027(同微信)
     
    QQ:709211280
    相關閱讀