一、基于3842驅動場效應管與358雙運放的三階段充電電路
該電動車充電器電路巧妙融合3842驅動場效應管的單管開關電源架構與358雙運放,實現精準的三階段充電模式,滿足電動車電池高效、安全充電需求。






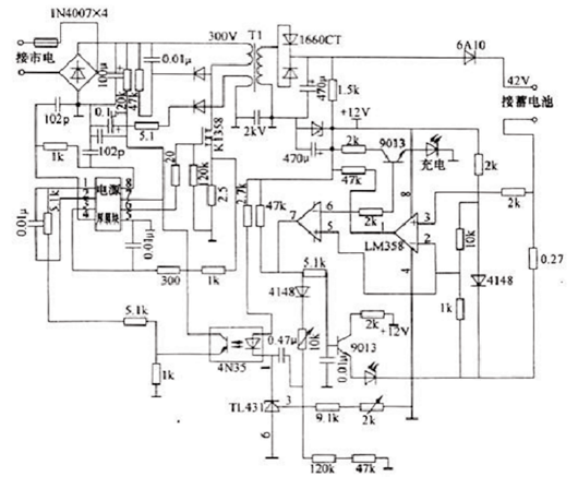
(一)電路核心元件及功能
交流輸入與初步濾波:220V交流電經由T0雙向濾波環節,有效抑制外界電磁干擾,保障后續電路穩定運行。隨后,D1將交流電整流為脈動直流,再經C11濾波處理,輸出約300V穩定直流電,為后續電路提供基礎電源。
TL3842脈寬調制集成電路(U1):作為電路核心,U1的5腳接電源負極,7腳接電源正極,6腳輸出脈沖信號直接驅動場效應管Q1(K1358)。其3腳設置最大電流限制,通過調節R25(2.5歐姆)阻值,可靈活調整充電器最大電流。2腳作為電壓反饋點,用于精準調控輸出電壓。4腳外接振蕩電阻R1和振蕩電容C1,構成振蕩電路,確保脈寬調制信號穩定輸出。
高頻脈沖變壓器(T1):在電路中發揮關鍵作用,一是將高壓脈沖降壓為低壓脈沖,適配后續電路及電池充電需求;二是實現高壓隔離,保障使用安全;三是為UC3842提供穩定的工作電源。T1副線圈產生的感應電壓經D3、R12為U1供電,確保核心控制元件穩定運行。
整流與濾波:D4(16A60V)作為高頻整流管,與C10低壓濾波電容協同工作,確保電路輸出平穩直流。D5(12V穩壓二極管)維持穩定電壓輸出,為后續控制電路提供穩定的電源基礎。U3(TL431)作為精密基準電壓源,與U2(光耦合器4N35)配合,實現自動電壓調節功能,通過微調電阻W2,可精細化調整充電器輸出電壓,滿足不同電池的充電需求。
指示與保護:D10為電源指示燈,D6為充電指示燈,直觀反饋充電器工作狀態。R27(0.1歐姆,5W)作為電流取樣電阻,其阻值可調,用于設定充電器轉浮充的拐點電流,范圍在200-300mA之間,保障充電過程的精準控制與電池保護。
(二)電路工作流程
啟動階段:當C11上的300V電壓經T1加載到場效應管Q1時,U1被啟動并輸出方波脈沖,驅動Q1工作,開啟充電過程。
充電階段:正常充電時,R27上的電壓經R17加到LM358的第三腳,第一腳輸出高電壓。一方面迫使Q2導通,點亮D6充電指示燈;另一方面注入LM358的第六腳和第七腳,控制Q3的開關狀態和D10電源指示燈的亮滅。當電池電壓達到44.2V左右時,充電器進入恒壓充電階段,維持該電壓并逐漸減小電流。當電流減小到200mA-300mA時,充電器進入涓流充電階段,持續1-2小時后充電結束,完成三階段充電過程,確保電池充分、安全充電。
二、電動車充電器電路二(改進型)


該充電器電路原理圖涵蓋整流濾波、高壓開關、電壓變換、恒流、恒壓及充電控制等關鍵部分,實現從220V市電到適配電動車電池的充電電壓的高效轉換。
(一)電路組成與功能
整流濾波:將輸入的220V市電電壓經整流濾波后轉變為直流300V左右的電壓,為后續電路提供穩定的高壓直流電源。
高壓開關與電壓變換:通過開關管(受電源厚模塊控制)的快速接通和關斷,使300V直流電壓變成受控制的交流電壓。交流電壓通過開關變壓器耦合后,在其二次側產生低壓交流電,實現電壓的高效變換。
整流輸出與穩壓反饋:低壓交流電再通過二極管整流后輸出直流充電電壓。4N35光耦合器將二次電壓波動信號反饋給電源厚模塊,實現輸出電壓的穩定控制,確保充電過程的穩定與安全。
(二)電路優勢
采用開關電源作為充電器,具備顯著優勢。其能夠依據負載大?。措姵氐某潆娦枨螅瑒討B調整輸出功率,實現能源的高效利用,保護電池并節約能源,提升電動車充電器的整體性能與可靠性。
〈烜芯微/XXW〉專業制造二極管,三極管,MOS管,橋堆等,20年,工廠直銷省20%,上萬家電路電器生產企業選用,專業的工程師幫您穩定好每一批產品,如果您有遇到什么需要幫助解決的,可以直接聯系下方的聯系號碼或加QQ/微信,由我們的銷售經理給您精準的報價以及產品介紹
聯系號碼:18923864027(同微信)
QQ:709211280

