• <tr id="ii00i"></tr>
  • <nav id="ii00i"><sup id="ii00i"></sup></nav>
  • <nav id="ii00i"></nav>
  • <tfoot id="ii00i"><noscript id="ii00i"></noscript></tfoot>
    <tfoot id="ii00i"><noscript id="ii00i"></noscript></tfoot>
  • <tfoot id="ii00i"><noscript id="ii00i"></noscript></tfoot>
    天天成人综合网,亚洲人妻资源网,欧美精品网,国产黑丝袜在线观看视频,蜜桃av一卡二卡三卡,激情综合图区,亚洲avav,亚洲av电影天堂网

    您好!歡迎光臨烜芯微科技品牌官網!

    深圳市烜芯微科技有限公司

    ShenZhen XuanXinWei Technoligy Co.,Ltd
    二極管、三極管、MOS管、橋堆

    全國服務熱線:18923864027

  • 熱門關鍵詞:
  • 橋堆
  • 場效應管
  • 三極管
  • 二極管
  • 幾種常用的電源輸入保護電路介紹
    • 發布時間:2025-01-04 18:31:35
    • 來源:
    • 閱讀次數:
    幾種常用的電源輸入保護電路介紹
    開關電源里面的輸入保護電路在整個電路中扮演著至關重要的角色。它不僅僅集成了過流保護作用、過壓保護作用,還具備浪涌抑制等很多功能。當面對電網的電壓沖擊或者電磁兼容性(EMC)等這些關鍵的挑戰時,輸入保護電路在里面起到了不可或缺的作用。因而,它對于開關電源的穩定運作和長壽命具有關鍵性的影響。
    開關電源,顧名思義就是作為開關穩壓線性電源的一個簡稱,它已逐漸替代了以往的很多線性電源產品。線性電源它是基于晶體管線性穩壓技術而來的,但由于其效率非常之低,無法滿足現代電源需求,因而逐漸被開關電源所取代。開關電源的工作原理是通過精確控制開關管的導通以及關斷時間,來維持輸出電壓的穩定。當下,開關電源的發展趨勢是越來越小型化、高效率、模塊化設計,而且注重提高可靠性。我們在開關電源當中,輸入保護電路的重要性是不言而喻的。它具備過流保護、過壓保護以及浪涌抑制等功能,有效的應對了電網電壓沖擊和電磁兼容性(EMC)等這些關鍵問題。這種保護電路保證了開關電源在惡劣環境下可以穩定運行,而且提升了其整體可靠性。
    下面列舉幾種開關電源輸入保護電路:
    保險絲
    保險絲通常分為普通型和快速型這兩種,它們共同的特點是熔點低還有熔斷速度比較快,來保護電路。但是,保險絲在熔斷的過程中,它們會產生火花、冒煙,甚至玻璃管的保險絲還有可能會爆裂,因而其保險絲的安全性較差。對于僅裝有保險絲的輸入保護電路,它僅僅具備過流保護的功能。我們在選擇保險絲時,一般實際熔斷電流應約為額定電流的1.5倍,來確保其正常工作并且起到保護作用。這種選擇有助于提供更可靠和安全的電流保護。
    電源輸入保護電路
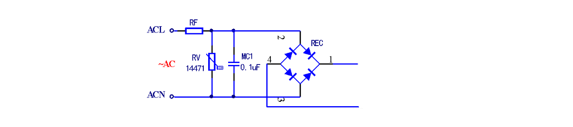
    保險絲、壓敏電阻
    這種電路里面增添了一個壓敏電阻,它的規格包括07471、10471、14471等很多型號。這種壓敏電阻它具備了浪涌抑制功能,進而增強了電路的保護能力。因而,這種電路它不僅具有過壓保護和過流保護的功能,還有部分電路還額外具備了防雷擊保護的功能。通過這些防護措施,我們的電路能夠更全面地應對各種電壓異常和電流沖擊,來確保電路在惡劣環境下的依然能穩定工作,進而提高整體的安全性和可靠性。
    電源輸入保護電路
    熔斷電阻器、壓敏電阻形式
    熔斷電阻器它和保險絲在過流保護這方面起著類似的作用。但是,和保險絲相比,熔斷電阻器它在熔斷時不會產生火花還有煙霧,進而安全性會更高一些。另一方面,壓敏電阻它具有吸收浪涌電壓的作用。因而,當這種電路形式結合了熔斷電阻器還有壓敏電阻時,它就具備了過壓保護和過流保護的功能。這種電路通過熔斷電阻器快速切斷過流,同時壓敏電阻能夠抑制浪涌電壓,從而提供更全面而且可靠的保護。
    電源輸入保護電路〈烜芯微/XXW〉專業制造二極管,三極管,MOS管,橋堆等,20年,工廠直銷省20%,上萬家電路電器生產企業選用,專業的工程師幫您穩定好每一批產品,如果您有遇到什么需要幫助解決的,可以直接聯系下方的聯系號碼或加QQ/微信,由我們的銷售經理給您精準的報價以及產品介紹
     
    聯系號碼:18923864027(同微信)
     
    QQ:709211280
    相關閱讀