• <tr id="ii00i"></tr>
  • <nav id="ii00i"><sup id="ii00i"></sup></nav>
  • <nav id="ii00i"></nav>
  • <tfoot id="ii00i"><noscript id="ii00i"></noscript></tfoot>
    <tfoot id="ii00i"><noscript id="ii00i"></noscript></tfoot>
  • <tfoot id="ii00i"><noscript id="ii00i"></noscript></tfoot>
    天天成人综合网,亚洲人妻资源网,欧美精品网,国产黑丝袜在线观看视频,蜜桃av一卡二卡三卡,激情综合图区,亚洲avav,亚洲av电影天堂网

    您好!歡迎光臨烜芯微科技品牌官網!

    深圳市烜芯微科技有限公司

    ShenZhen XuanXinWei Technoligy Co.,Ltd
    二極管、三極管、MOS管、橋堆

    全國服務熱線:18923864027

  • 熱門關鍵詞:
  • 橋堆
  • 場效應管
  • 三極管
  • 二極管
  • 二極管電橋是怎么工作的
    • 發布時間:2024-10-21 17:44:16
    • 來源:
    • 閱讀次數:
    二極管電橋是怎么工作的
    二極管電橋是用于將交流電 (AC) 轉換為直流電 (DC) 的簡單電路。在本指南中,您將了解它是如何工作的、它的用途以及如何構建自己的。
    二極管橋電路
    整流二極管
    二極管橋電路是一個非常簡單的電路,僅由四個以方形連接的整流二極管組成。二極管只允許電流沿一個方向流動(從陽極到陰極),這使得它非常適合從交流電轉換為直流電。
    二極管橋電路
    二極管、內部、外部和符號
    您可以在下面看到通過二極管連接時交流電壓波形是如何轉換的。交流信號在正值和負值之間交替。當該交流信號通過二極管時,只剩下正半周期。
    二極管橋電路
    半波整流器
    上面的電路也稱為半波整流器,在深入研究二極管橋(全波整流器)之前,這是一個需要掌握的關鍵概念。
    二極管電橋電路
    二極管電橋由四個二極管組成,它們連接成一個正方形:
    二極管橋電路
    您可以看到 D1 和 D4 共享同一陰極,而 D2 和 D3 通過陽極連接。這兩點構成了輸出。
    您還可以看到 D3 的陰極連接到 D1 的陽極,D2 的陰極連接到 D4 的陽極。這兩點構成了輸入。
    當您將交流輸入施加到該電路時,您將獲得如下所示的整流輸出:
    二極管橋電路
    二極管電橋交流電
    上一節的半波整流器只使用了正半周期,浪費了負半周期。
    作為橋式整流器連接的四個二極管通過讓正半周期流動,同時將負半周期轉換為正半周期來解決這個問題。從而利用整個交流波形。
    工作原理:正半周期內的電流
    在電源的正半周期內,二極管 D1 和 D2 可以導通,而二極管 D3 和 D4
    則不能導通,因為它們是反向偏置的。通過這種布置,正半周期為您提供流過電路的電流,如下所示:
    二極管橋電路
    二極管電橋正半周期
    工作原理:負半周期內的電流
    在負半周期內,二極管 D3 和 D4 導通,而二極管 D1 和 D2
    不導通。盡管電路現在接收到負半周期,但您可以在下圖中看到電流如何以與以前相同的方向流過負載(輸出)。這就是該電路如何將負半周期變成正周期的方式。
    二極管橋電路
    二極管電橋正半周期
    二極管電橋與中心抽頭電橋整流器
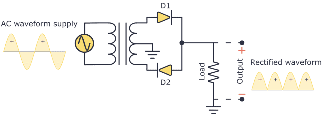
    二極管電橋不是唯一的全波整流器,還有另一種稱為“中心抽頭電橋”的通用電路。它允許交流信號的正半周期流動,并將負半周期轉換為正信號。
    如下圖所示,中心抽頭整流器僅使用兩個二極管和一個中心抽頭變壓器即可實現全波整流。
    二極管橋電路
    中心抽頭橋式整流器
    與二極管電橋相比,中心抽頭電橋由于其特殊配置而表現出更低的效率、有限的額定電壓、更多的元件數量、更大的尺寸、更高的成本以及更低的靈活性。
    應用
    二極管電橋最常見的應用是直流電源。以下是 5V 直流線性電源電路的示例:
    二極管橋電路
    5V直流電源
    〈烜芯微/XXW〉專業制造二極管,三極管,MOS管,橋堆等,20年,工廠直銷省20%,上萬家電路電器生產企業選用,專業的工程師幫您穩定好每一批產品,如果您有遇到什么需要幫助解決的,可以直接聯系下方的聯系號碼或加QQ/微信,由我們的銷售經理給您精準的報價以及產品介紹
     
    聯系號碼:18923864027(同微信)
     
    QQ:709211280

    相關閱讀