• <tr id="ii00i"></tr>
  • <nav id="ii00i"><sup id="ii00i"></sup></nav>
  • <nav id="ii00i"></nav>
  • <tfoot id="ii00i"><noscript id="ii00i"></noscript></tfoot>
    <tfoot id="ii00i"><noscript id="ii00i"></noscript></tfoot>
  • <tfoot id="ii00i"><noscript id="ii00i"></noscript></tfoot>
    天天成人综合网,亚洲人妻资源网,欧美精品网,国产黑丝袜在线观看视频,蜜桃av一卡二卡三卡,激情综合图区,亚洲avav,亚洲av电影天堂网

    您好!歡迎光臨烜芯微科技品牌官網!

    深圳市烜芯微科技有限公司

    ShenZhen XuanXinWei Technoligy Co.,Ltd
    二極管、三極管、MOS管、橋堆

    全國服務熱線:18923864027

  • 熱門關鍵詞:
  • 橋堆
  • 場效應管
  • 三極管
  • 二極管
  • ESD管的介紹與選型基本原則介紹
    • 發布時間:2024-10-14 21:07:34
    • 來源:
    • 閱讀次數:
    ESD管的介紹與選型基本原則介紹
    在電子產品開發中ESD靜電防護是不可或缺的一環,下面就為大家簡單介紹一下,核心板產品開發時有用的ESD二極管知識和技巧。
    ESD管的介紹
    ESD(Electrostatic Discharge Protection Devices),靜電保護元器件,又稱瞬態電壓抑制二極管陣列(TVS Array),是由多個TVS晶粒或二極管采用不同的布局設計成具有特定功能的多路或單路ESD保護器件,主要應用于各類通信接口靜電保護,比如USB、HDMI、RS485、RS232、VGA、RJ11、RJ45、BNC、SIM、SD等接口中。
    ESD靜電二極管特性
    低電容:結電容低,通常在PF級別;
    快速的響應時間:通常在ps級;
    封裝體積小,小型化器件,節約PCB空間;
    靈活度高,可以根據應用需求設計電容、封裝形式、浪涌承受能力等參數。ESD靜電二極管選型指南
    ESD靜電二極管的截止電壓VRWM要大于等于電路中最高工作電壓;
    脈沖峰值電流IPP和最大箝位電壓VC的選擇,要根據線路上可能出現的最大浪涌電流來選擇合適IPP的型號,需要注意的是,此時的VC應小于被保護晶片所能耐受的最大峰值電壓;
    用于高速信號的保護時,還要注意所傳輸信號的頻率或傳輸速率,當信號頻率或傳輸速率較高時,應選用低電容系列的ESD靜電二極管;
    ESD有單向(A)和雙向(C)之分,根據工作的信號進行選擇,單極性的信號可以選擇單向的 ESD或雙向的ESD, 雙極性的信號要選擇雙向的ESD。
    選型基本原則
    致遠電子嵌入式核心板產品M3568工控核心板,擁有非常成熟的設計案例可供參考,其中的接口均設計了ESD保護電路,并通過了靜電測試,保證產品的持續穩定運行,可以放心使用。
    如通用外設串口的ESD設計, 采用通用的低速ESD二極管,截止電壓3.3V,鉗位電壓12V,結電容100pF,通過100歐串阻配合降低峰值電壓,參考設計如下:
    ESD管 選型
    圖1 嵌入式核心板M3568 UART口ESD設計參考
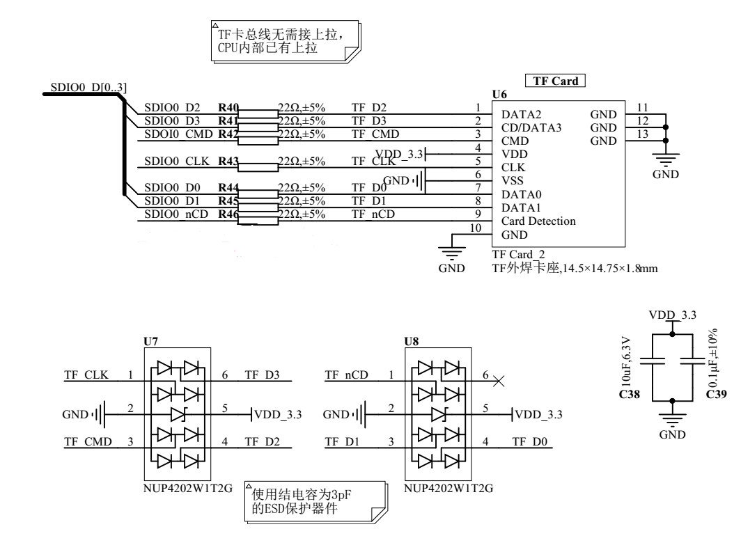
    如SDIO高速信號的ESD設計, 使用低結電容的高速信號專用ESD保護器件,可令SDIO的通信質量不受影響,參考設計如下:
    ESD管 選型
    圖2 嵌入式核心板M3568 SD/MMC設計參考
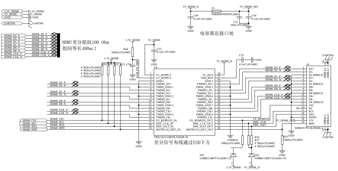
    如HDMI高速信號的ESD設計, 采用HDMI專用的接口保護器件,除了提供ESD防護之外,還能給EDID信號提供隔離和電平轉換,參考設計如下:
    ESD管 選型〈烜芯微/XXW〉專業制造二極管,三極管,MOS管,橋堆等,20年,工廠直銷省20%,上萬家電路電器生產企業選用,專業的工程師幫您穩定好每一批產品,如果您有遇到什么需要幫助解決的,可以直接聯系下方的聯系號碼或加QQ/微信,由我們的銷售經理給您精準的報價以及產品介紹
     
    聯系號碼:18923864027(同微信)
     
    QQ:709211280
    相關閱讀