• <tr id="ii00i"></tr>
  • <nav id="ii00i"><sup id="ii00i"></sup></nav>
  • <nav id="ii00i"></nav>
  • <tfoot id="ii00i"><noscript id="ii00i"></noscript></tfoot>
    <tfoot id="ii00i"><noscript id="ii00i"></noscript></tfoot>
  • <tfoot id="ii00i"><noscript id="ii00i"></noscript></tfoot>
    天天成人综合网,亚洲人妻资源网,欧美精品网,国产黑丝袜在线观看视频,蜜桃av一卡二卡三卡,激情综合图区,亚洲avav,亚洲av电影天堂网

    您好!歡迎光臨烜芯微科技品牌官網!

    深圳市烜芯微科技有限公司

    ShenZhen XuanXinWei Technoligy Co.,Ltd
    二極管、三極管、MOS管、橋堆

    全國服務熱線:18923864027

  • 熱門關鍵詞:
  • 橋堆
  • 場效應管
  • 三極管
  • 二極管
  • 數字電路cmos型與ttl型門電路解析
    • 發布時間:2024-08-14 19:00:13
    • 來源:
    • 閱讀次數:
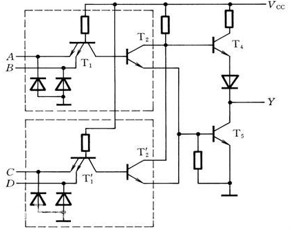
    數字電路cmos型與ttl型門電路解析
    一、CMOS門電路
    CMOS 門電路一般是由MOS管構成,由于MOS管的柵極和其它各極間有絕緣層相隔,在直流狀態下,柵極無電流,所以靜態時柵極不取電流,輸入電平與外接電阻無關。由于MOS管在電路中是一壓控元件,基于這一特點,輸入端信號易受外界干擾,所以在使用CMOS門電路時輸入端特別注意不能懸空。在使用時應采用以下方法:
    1、與門和與非門電路:由于與門電路的邏輯功能是輸入信號只要有低電平,輸出信號就為低電平,只有全部為高電平時,輸出端才為高電平。而與非門電路的邏輯功能是輸入信號只要有低電平,輸出信號就是高電平,只有當輸入信號全部為高電平時,輸出信號才是低電平。所以某輸入端輸入電平為高電平時,對電路的邏輯功能并無影響,即其它使用的輸入端與輸出端之間仍具有與或者與非邏輯功能。這樣對于CMOS與門、與非門電路的多余輸入端就應采用高電平,即可通過限流電阻(500Ω)接電源。
    2、或門、或非門電路:或門電路的邏輯功能是輸入信號只要有高電平輸出信號就為高電平,只有輸入信號全部為低電平時,輸出信號才為低電平。而或非門電路的邏輯功能是輸入信號只要有高電平,輸出信號就是低電平,只有當輸入信號全部是低電平時輸出信號才是高電平。這樣當或門或者或非門電路某輸入端的輸入信號為低電平時并不影響門電路的邏輯功能。所以或門和或非門電路多余輸入端的處理方法應是將多余輸入端接低電平,即通過限流電阻(500Ω)接地。
    二、TTL門電路
    TTL門電路一般由晶體三極管電路構成。根據TTL電路的輸入伏安特性可知,當輸入電壓小于闡值電壓UTH,即輸入低電平時輸入電流比較大,一般在幾百微安左右。當輸入電壓大于閾值電壓UTH時,輸入高電平時輸入電流比較小,一般在幾十微安左右。由于輸入電流的存在,如果TT L門電路輸入端串接有電阻,則會影響輸入電壓。其輸入阻抗特性為:當輸入電阻較低時,輸入電壓很小,隨外接電阻的增加,輸入電平增大,當輸入電阻大于IKΩ時,輸入電平就變為閾值電壓UTH即為高電平,這樣即使輸入端不接高電平,輸入電壓也為高電平,影響了低電平的輸入。所以對于TTL電路多余輸入端的處理,應采用以下方法:
    1、TTL與門和與非門電路:對于TTL與門電路,只要電路輸入端有低電平輸入,輸出就是低電平。只有輸入端全為高電平時,輸出才為高電平。對于TTL與非門而言,只要電路輸入端有低電平輸入,輸出就為高電平,只有輸入端全部為高電平時,輸出才為低電平。根據其邏輯功能,當某輸入端外接高電平時對其邏輯功能無影響,根據這一特點應采用以下四種方法:
    (1)將多余輸入端接高電平,即通過限流電阻與電源相連接;
    (2)根據TTL門電路的輸入特性可知,當外接電阻為大電阻時,其輸入電壓為高電平,這樣可以把多余的輸入端懸空,此時輸入端相當于外接高電平;
    (3)通過大電阻(大于1kΩ)到地,這也相當于輸入端外接高電平;
    (4)當TTL門電路的工作速度不高,信號源驅動能力較強,多余輸入端也可與使用的輸入端并聯使用。
    數字電路cmos型 ttl型門電路
    2、TTL或門、或非門:對于下TTL或門電路,邏輯功能是只要輸入端有高電平輸出端就為高電平,只有輸入端全部為低電平時,輸出端才為低電平,TTL或非門電路,邏輯功能是只要輸入端有高電平,輸出端就為低電平,只有輸入端全部為低電平時,輸出才為高電平。
    根據上述邏輯功能,TTL或門、或非門電路多余輸入端的處理應采用以下方法:
    (1)接低電平;
    (2)接地;
    (3)由TTL輸入端的輸入伏安特性可知,當輸入端接小于IKΩ的電阻時輸入端的電壓很小,相當于接低電平,所以可以通過接小于IKΩ(500Ω)的電阻到地。
    〈烜芯微/XXW〉專業制造二極管,三極管,MOS管,橋堆等,20年,工廠直銷省20%,上萬家電路電器生產企業選用,專業的工程師幫您穩定好每一批產品,如果您有遇到什么需要幫助解決的,可以直接聯系下方的聯系號碼或加QQ/微信,由我們的銷售經理給您精準的報價以及產品介紹
     
    聯系號碼:18923864027(同微信)
    QQ:709211280

    相關閱讀