• <tr id="ii00i"></tr>
  • <nav id="ii00i"><sup id="ii00i"></sup></nav>
  • <nav id="ii00i"></nav>
  • <tfoot id="ii00i"><noscript id="ii00i"></noscript></tfoot>
    <tfoot id="ii00i"><noscript id="ii00i"></noscript></tfoot>
  • <tfoot id="ii00i"><noscript id="ii00i"></noscript></tfoot>
    天天成人综合网,亚洲人妻资源网,欧美精品网,国产黑丝袜在线观看视频,蜜桃av一卡二卡三卡,激情综合图区,亚洲avav,亚洲av电影天堂网

    您好!歡迎光臨烜芯微科技品牌官網!

    深圳市烜芯微科技有限公司

    ShenZhen XuanXinWei Technoligy Co.,Ltd
    二極管、三極管、MOS管、橋堆

    全國服務熱線:18923864027

  • 熱門關鍵詞:
  • 橋堆
  • 場效應管
  • 三極管
  • 二極管
  • PFC MOS管Vds檢測解析
    • 發布時間:2024-08-02 18:33:04
    • 來源:
    • 閱讀次數:
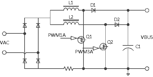
    PFC MOS管Vds檢測解析
    1.電感電流負1A檢測
    PFC MOS管Vds檢測
    2.PFCMOS管Vds檢測
    通過調節頻率使PFC電感電流在每個高頻周期過零,以實現PFC二極管的零電流關斷,消除反向恢復損耗。PFC二極管電流過零后,PFC電感與MOSFET寄生電容諧振,使Vds過零以實現零電壓開通,不過零則谷底開通,降低開關損耗。
    PFC MOS管Vds檢測
    3. 不檢測,DSP直接計算
    PFC MOS管Vds檢測〈烜芯微/XXW〉專業制造二極管,三極管,MOS管,橋堆等,20年,工廠直銷省20%,上萬家電路電器生產企業選用,專業的工程師幫您穩定好每一批產品,如果您有遇到什么需要幫助解決的,可以直接聯系下方的聯系號碼或加QQ/微信,由我們的銷售經理給您精準的報價以及產品介紹
     
    聯系號碼:18923864027(同微信)
    QQ:709211280
    相關閱讀