• <tr id="ii00i"></tr>
  • <nav id="ii00i"><sup id="ii00i"></sup></nav>
  • <nav id="ii00i"></nav>
  • <tfoot id="ii00i"><noscript id="ii00i"></noscript></tfoot>
    <tfoot id="ii00i"><noscript id="ii00i"></noscript></tfoot>
  • <tfoot id="ii00i"><noscript id="ii00i"></noscript></tfoot>
    天天成人综合网,亚洲人妻资源网,欧美精品网,国产黑丝袜在线观看视频,蜜桃av一卡二卡三卡,激情综合图区,亚洲avav,亚洲av电影天堂网

    您好!歡迎光臨烜芯微科技品牌官網!

    深圳市烜芯微科技有限公司

    ShenZhen XuanXinWei Technoligy Co.,Ltd
    二極管、三極管、MOS管、橋堆

    全國服務熱線:18923864027

  • 熱門關鍵詞:
  • 橋堆
  • 場效應管
  • 三極管
  • 二極管
  • 基于驅動IC控制的MOS管開關電路解析
    • 發布時間:2024-07-29 17:39:05
    • 來源:
    • 閱讀次數:
    基于驅動IC控制的MOS管開關電路解析
    如何驅動MOS?很多人的第一反應就是從單片機IO口直接輸出5V來驅動MOS的開關,這樣可以嗎?當然是可以的,那為什么有的電路用MCU直驅,有的要用專門的驅動IC呢?這牽涉到MOS管開關速度,工作電流,熱阻,導通電阻以及MOS管工作電壓等的要求。特別是MOS管的GS極有一個大的寄生電容,我們必須提供足夠的驅動電流來調整MOS的開關時間。我們在設計MOS管驅動電路時,要滿足的首要條件就是Vgs電壓大于Vth開啟電壓,一般來說Source極是接地的,所以我們一般關注的是Gate電壓,但是在一些特殊的應用場合中,比如H橋驅動電機時,這個時候MOS管的S極可能并不直接接地,那么我們應該如何控制MOS管的開關呢?這時候就需要用到專門的MOS驅動IC了。
    驅動IC控制 開關電路
    一.實例分析
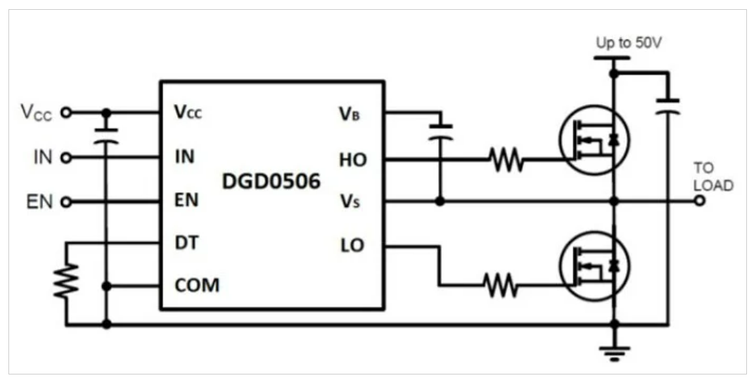
    專門的驅動IC為了實現快速開關MOS,一般內部會集成自舉電路,從而可以提供高于電源電壓的驅動電壓來快速開關MOS,以DGD0506為例,雖然該IC的供電電源電壓是15V,但是它卻能提供高達50V的驅動電壓輸出。VB和VS引腳之間的電容就是自舉電容,是完成升壓的核心器件。從下面的電路我們可以看出來,驅動IC的Vs引腳直接接到了MOS的Source極,這樣就解決了沒有GND作為Source極電壓參考的問題。
    驅動IC控制 開關電路
    另外,如果我們用分立器件搭建半橋驅動電路來驅動電機時,一旦軟件出現BUG,兩個MOS同時導通,相當于VCC和GND直連了,那么兩個MOS上會出現很大的短路電流,可能會燒毀MOS,集成MOS內部有死去時間控制,能夠從硬件上避免兩個MOS同時導通的情況出現,簡單來說就是我們在開啟一個MOS時,會硬件延時,而這段硬件延時時間能充分保證另一個MOS已經關閉了,我們可以通過調整DT引腳上連接的電阻來調整死區保護時間。
    驅動IC控制 開關電路
    二總結
    總結來說,使用IC驅動MOS減少了外圍分立器件,并且能大大擴展驅動電壓以及應用場景,當然,這也會導致成本的上升,所以還是要基于需求來搭建驅動電路,如果你得MOS管開關電路沒有開關時間的要求,并且也不是驅動H橋這種電路,只是用于簡單的負載開關,這個時候考慮一下電流,MOS管的溫升,如果都比較合理的話,那用MCU直驅也是可以的。
    〈烜芯微/XXW〉專業制造二極管,三極管,MOS管,橋堆等,20年,工廠直銷省20%,上萬家電路電器生產企業選用,專業的工程師幫您穩定好每一批產品,如果您有遇到什么需要幫助解決的,可以直接聯系下方的聯系號碼或加QQ/微信,由我們的銷售經理給您精準的報價以及產品介紹
     
    聯系號碼:18923864027(同微信)
    QQ:709211280

    相關閱讀