• <tr id="ii00i"></tr>
  • <nav id="ii00i"><sup id="ii00i"></sup></nav>
  • <nav id="ii00i"></nav>
  • <tfoot id="ii00i"><noscript id="ii00i"></noscript></tfoot>
    <tfoot id="ii00i"><noscript id="ii00i"></noscript></tfoot>
  • <tfoot id="ii00i"><noscript id="ii00i"></noscript></tfoot>
    天天成人综合网,亚洲人妻资源网,欧美精品网,国产黑丝袜在线观看视频,蜜桃av一卡二卡三卡,激情综合图区,亚洲avav,亚洲av电影天堂网

    您好!歡迎光臨烜芯微科技品牌官網!

    深圳市烜芯微科技有限公司

    ShenZhen XuanXinWei Technoligy Co.,Ltd
    二極管、三極管、MOS管、橋堆

    全國服務熱線:18923864027

  • 熱門關鍵詞:
  • 橋堆
  • 場效應管
  • 三極管
  • 二極管
  • 三極管自鎖電路,自鎖電路圖介紹
    • 發布時間:2024-06-27 16:29:10
    • 來源:
    • 閱讀次數:
    三極管自鎖電路,自鎖電路圖介紹
    三極管自鎖電路是利用三極管放大倍數以及正反饋效應構成的一種電路。在某些需要穩定化輸出的場合,可以采用三極管自鎖電路來保證輸出的恒定。
    三極管自鎖電路作用
    三極管自鎖電路的作用是在不同輸入信號下通過調整電路中的元器件參數使輸出電壓或電流達到恒定值。這種電路可以限制輸出波形在一定范圍內并消除電源噪聲,因此被廣泛應用于各種電路設計中。
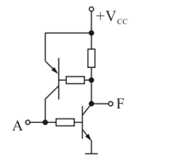
    三極管自鎖電路
    三極管自鎖電路圖
    三極管自鎖電路的原理基于三極管放大倍數與正反饋作用。當輸入信號使得三極管工作于放大狀態時,反饋電流通過電路,進一步提高了三極管的輸入電阻,導致增益系數得到提升,進而使輸出電平穩定。這種電路因為不需要外接電源進行自激,所以成為自鎖電路,并具有輸出電壓、電流穩定的特點。
    自鎖電路分析
    電路上電后狀態是萬用表輸出電壓位1.874uV,電路復位輸出低電平。
    當按鍵S2按下后,萬用表測的電壓為4.959V(高電平),按鍵S2松開后,萬用表仍然保持輸出4.918V(高電平),既實現了高電平的鎖存。
    當按鍵S1按下后電路萬用表測得電壓是1.874uV,電路復位輸出低電平。.
    三極管自鎖電路
    實現原理說明
    電路初始狀態下,三極管Q1基極電平未知,導致Q1截止,三極管Q2基極通過上拉電阻保持高電平,是Q2截止,最后導致萬用表輸出為低電平;
    當按鍵S2按下時,導致Q1的基極得到高電平,使得Q1導通,從而使得Q2的基極拉低,使得Q2三極管導通,導通后Q1的基極得到高電平,使得三極管Q1持續導通,最終形成自鎖電平。
    當按下S1時,Q2基極為高,Q2截止,從而導致Q1基極為低,整個電路復位,輸出低電平。
    改進電路設計
    使用自復位開關S3試下輸入信號和復位信號互鎖
    三極管自鎖電路
    〈烜芯微/XXW〉專業制造二極管,三極管,MOS管,橋堆等,20年,工廠直銷省20%,上萬家電路電器生產企業選用,專業的工程師幫您穩定好每一批產品,如果您有遇到什么需要幫助解決的,可以直接聯系下方的聯系號碼或加QQ/微信,由我們的銷售經理給您精準的報價以及產品介紹
     
    聯系號碼:18923864027(同微信)
    QQ:709211280
    相關閱讀