• <tr id="ii00i"></tr>
  • <nav id="ii00i"><sup id="ii00i"></sup></nav>
  • <nav id="ii00i"></nav>
  • <tfoot id="ii00i"><noscript id="ii00i"></noscript></tfoot>
    <tfoot id="ii00i"><noscript id="ii00i"></noscript></tfoot>
  • <tfoot id="ii00i"><noscript id="ii00i"></noscript></tfoot>
    天天成人综合网,亚洲人妻资源网,欧美精品网,国产黑丝袜在线观看视频,蜜桃av一卡二卡三卡,激情综合图区,亚洲avav,亚洲av电影天堂网

    您好!歡迎光臨烜芯微科技品牌官網!

    深圳市烜芯微科技有限公司

    ShenZhen XuanXinWei Technoligy Co.,Ltd
    二極管、三極管、MOS管、橋堆

    全國服務熱線:18923864027

  • 熱門關鍵詞:
  • 橋堆
  • 場效應管
  • 三極管
  • 二極管
  • 門電路符號大全,門電路符號圖介紹
    • 發布時間:2024-05-20 16:32:20
    • 來源:
    • 閱讀次數:
    門電路符號大全,門電路符號圖介紹
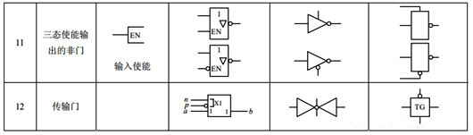
    常用的門電路在邏輯功能上有與門、或門、非門、與非門、或非門、與或非門、異或門等幾種。邏輯門電路通常使用晶體管、集成電路或其他電子元件實現。
    邏輯門電路可以用于數字電路、計算機、通信和控制系統等領域。在數字電路中,邏輯門電路用于處理和操作數字信號,從而實現不同的功能和任務。在計算機中,邏輯門電路構成了計算機的基本組成部分,用于執行算法和程序。在通信和控制系統中,邏輯門電路用于解碼、編碼、調制、解調等操作。
    電路邏輯門圖形符號
    門電路符號
    門電路符號
    門電路符號
    注:在表的第三列列出了限定符號,限定符號有總限定符號、輸入/輸出限定符號、內部連接符號、方框內符號、非邏輯連接和信息流指示符號等。
    總限定符號用于表征邏輯單元的總邏輯功能,輸入/輸出限定符號標注在方框內輸入端或輸出端,用于說明輸入或輸出的功能消息等等。
    〈烜芯微/XXW〉專業制造二極管,三極管,MOS管,橋堆等,20年,工廠直銷省20%,上萬家電路電器生產企業選用,專業的工程師幫您穩定好每一批產品,如果您有遇到什么需要幫助解決的,可以直接聯系下方的聯系號碼或加QQ/微信,由我們的銷售經理給您精準的報價以及產品介紹
     
    聯系號碼:18923864027(同微信)
    QQ:709211280

    相關閱讀