• <tr id="ii00i"></tr>
  • <nav id="ii00i"><sup id="ii00i"></sup></nav>
  • <nav id="ii00i"></nav>
  • <tfoot id="ii00i"><noscript id="ii00i"></noscript></tfoot>
    <tfoot id="ii00i"><noscript id="ii00i"></noscript></tfoot>
  • <tfoot id="ii00i"><noscript id="ii00i"></noscript></tfoot>
    天天成人综合网,亚洲人妻资源网,欧美精品网,国产黑丝袜在线观看视频,蜜桃av一卡二卡三卡,激情综合图区,亚洲avav,亚洲av电影天堂网

    您好!歡迎光臨烜芯微科技品牌官網!

    深圳市烜芯微科技有限公司

    ShenZhen XuanXinWei Technoligy Co.,Ltd
    二極管、三極管、MOS管、橋堆

    全國服務熱線:18923864027

  • 熱門關鍵詞:
  • 橋堆
  • 場效應管
  • 三極管
  • 二極管
  • NMOS開關電路,NMOS開關電路設計圖解
    • 發布時間:2024-04-25 20:41:12
    • 來源:
    • 閱讀次數:
    NMOS開關電路,NMOS開關電路設計圖解
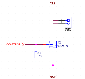
    NMOS開關電路一
    NMOS低側電源開關
    使用NMOS,最簡單的開關電路,低側驅動。
    NMOS開關電路
    CONTROL為控制信號,電平一般為3~12V。負載一端接電源正極,另一端接NMOS的D(漏極)。
    CONTROL電平為高時,Vgs>NMOS的Vgs導通閥值,MOS導通,負載工作。
    CONTROL電平為低時,Vgs=0,MOS關斷,負載停機。
    NMOS開關電路二
    典型的NMOS開關驅動電路
    NMOS開關電路
    R25/100R 的作用:
    防止振蕩
    減少柵極充電的峰值電壓
    保護NMOS管的D-S極不被擊穿
    防止震蕩,GPIO口輸出端可能有些雜散的電感,在電壓突變的情況下,可能會產生LC振蕩,當我們加入R25之后,會提高阻尼減少振蕩。
    減少柵極充電的峰值電壓,當柵極的電壓拉高,首先對柵極的寄生電容進行充電,I=Q/t。充電的峰值電流可能大于GPIO的輸出能力,為了保護IC,添加R25之后,可能有效的增長充電的時間,進而減小充電時候的電流。
    從導通到截止狀態,VDS電壓迅速增加,如果dVDS/dt過大,可能會燒壞器件,R17的存在可以讓柵極電容緩慢放電,從而保護mos管。
    R26 10K的作用:下拉型抗干擾電阻,GPIO輸出狀態下,在Nmos端,可以看出mos端處于一個高阻態或者懸浮的一個狀態,為了避免意外打開mos管,加上了個10k下拉。
    NMOS開關電路三
    NMOS開關電路
    這是一個常用的NMOS低側開關,平時G極被電阻拉至GND電平,處于關閉狀態。當驅動電壓高于GND時,MOS打開。
    〈烜芯微/XXW〉專業制造二極管,三極管,MOS管,橋堆等,20年,工廠直銷省20%,上萬家電路電器生產企業選用,專業的工程師幫您穩定好每一批產品,如果您有遇到什么需要幫助解決的,可以直接聯系下方的聯系號碼或加QQ/微信,由我們的銷售經理給您精準的報價以及產品介紹
     
    聯系號碼:18923864027(同微信)
    QQ:709211280

    相關閱讀