• <tr id="ii00i"></tr>
  • <nav id="ii00i"><sup id="ii00i"></sup></nav>
  • <nav id="ii00i"></nav>
  • <tfoot id="ii00i"><noscript id="ii00i"></noscript></tfoot>
    <tfoot id="ii00i"><noscript id="ii00i"></noscript></tfoot>
  • <tfoot id="ii00i"><noscript id="ii00i"></noscript></tfoot>
    天天成人综合网,亚洲人妻资源网,欧美精品网,国产黑丝袜在线观看视频,蜜桃av一卡二卡三卡,激情综合图区,亚洲avav,亚洲av电影天堂网

    您好!歡迎光臨烜芯微科技品牌官網!

    深圳市烜芯微科技有限公司

    ShenZhen XuanXinWei Technoligy Co.,Ltd
    二極管、三極管、MOS管、橋堆

    全國服務熱線:18923864027

  • 熱門關鍵詞:
  • 橋堆
  • 場效應管
  • 三極管
  • 二極管
  • 開關電源上的MOSFET選擇,參數解析
    • 發布時間:2023-06-12 17:47:18
    • 來源:
    • 閱讀次數:
    開關電源上的MOSFET選擇,參數解析
    邏輯開關的行為參數
    不管給定項目使用什么邏輯(和模擬)電平,都會有不同的閾值來清楚地判定設備的飽和或關斷。換句話說,這些值精確地定義了邏輯電平在高或低時的操作。
    通常,在高低電平之間需要一個過渡區域,以確保兩電平之間的過渡不會太突然。如圖1所示,該區域被定義為“非法”或“不確定”區域。
    開關 MOSFET 選擇
    圖1:通用MOSFET的邏輯電平
    ●VGS(th)(min)是MOSFET關斷的柵極電壓值。
    ●VGS(th)(max)是MOSFET導通的柵極電壓值。
    通常,最小柵極電壓(對于5V正邏輯)在0.5V至1V之間。那些高于最大閾值的柵極電壓會導通MOSFET。在最小柵極電壓的最高點和最大柵極電壓的最低點之間的電壓可能讓MOSFET或導通或關斷。
    因此必須避免達到些電壓值,它們表示著MOSFET處在不確定區域,并且無法預測MOSFET的性能。因此,有必要在設計新系統的邏輯之前研究每個器件的柵極工作狀況。
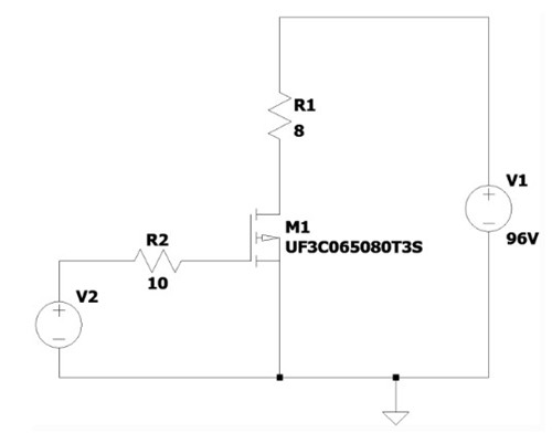
    在圖2中,您可以看到一個經典的電路圖,該圖提供了一個用96 V電壓供電的8Ω負載。在這種情況下,MOSFET用作電子開關,并且可以通過合適的電源驅動 “柵極”來激活。對于UnitedSiC UF3C065080T3S,能夠提供給“柵極”的電壓范圍為–25 V至25V。
    開關 MOSFET 選擇
    圖2:電子開關的通用框圖
    現在,觀察負載R1上流過的電流,并根據柵極電壓,看看MOSFET的導通如何工作。如圖3所示的相對圖形中,“柵極”電壓在–25 V至5.8 V之間時,該元件保持關斷狀態(開關斷開);在6.4 V至25 V,MOSFET表現為一個閉合開關。
    開關 MOSFET 選擇
    圖3:通過改變MOSFET的“柵極”電壓, MOSFET的工作區域相應發生改變。
    柵極電壓在5.8 V至6.4 V之間(等效偏移為600 mV),該MOSFET實際上在線性區域內工作。如圖4的SiC功率圖所示,這個線性區域必須要避免,因為元件在該區間內工作會產生大量的熱能。
    實際上,M1器件的平均功率(紅色曲線)的耗散如下:
    ●關斷期間:0 W
    ●飽和期間:12.5 W
    ●在不確定期間和線性區內:133.75 W,峰值為288 W
    電路的效率很大程度上也取決于這一方面。
    開關 MOSFET 選擇
    圖4:必須避免在MOSFET“柵極”上施加不確定的電壓。否則,其耗散將非常高。
    RDS(ON)參數
    RDS(ON) 表示“導通狀態下漏極(drain)和源極(source)之間的電阻”。 MOSFET通常是作為功率晶體管的一個更好替代選擇,用于大電流開關應用。
    如果RDS(ON) 較低,則根據歐姆定律,意味著MOSFET損失的能量更少,從而提高了能源效率,并產生更少的熱量。因此,設計人員應選擇具有盡可能低的RDS(ON) 值的元件模型。
    在我們的示例中,當MOSFET導通時,可以使用以下公式簡單計算RDS(ON) :
    RDS(ON) = V(Drain) / I(Drain)
    從而得到:
    RDS(ON) = 1.00574/11.87428
    根據元件的官方數據手冊得出其返回值等于0.084Ω(84mΩ)。
    輸入電容(Ciss)和輸出電容(Coss)參數
    MOSFET主體上的“柵極”、氧化層及其相關連接,實際上就像一個小電容器。一旦“柵極”接上電壓,此虛擬電容器就會開始充電。充電需要時間,因此接通會有延遲。設計人員應選擇擁有盡可能低的輸入電容的MOSFET,以避免長時間的延遲。
    如果把MOSFET直接連接到微控制器(MCU)的輸出引腳,則其“柵極”應通過一個外部電阻器連接,以防止產生不良結果。對于所使用的SiC模型,其電容參數如下:
    輸入電容(Ciss):當 VDS = 100 V, VGS= 0 V, F = 100 kHz時, — 1,500 pF
    輸出電容(Coss):當 VDS = 100 V, VGS= 0 V,F = 100 kHz 時,— 104 pF
    與開關速度相關的參數
    MOSFET特別適用于快速開關應用。頻率越高,變壓器必須越小,但是傳輸的噪聲會增加。在任意情況下,影響元件開關速度的一些基本參數如下:
    ●接通延遲時間(tdon):25 ns
    ●上升時間(tr):14 ns
    ●關斷延遲時間(tdoff):54 ns
    ●下降時間(tf):11 ns
    圖5中的曲線圖顯示了在兩種頻率下,開關MOSFET的兩種不同特性。上圖以1 MHz的開關頻率為參考,分別顯示了負載上的電流信號,柵極上的電壓和脈寬調制(PWM)發生器的電壓。如所見,該元件在此頻率下的表現非常好。
    下圖改為頻率為10 MHz的方波信號。值得注意的是所有信號都高度失真,而實際上,MOSFET始終處于導通狀態。
    開關 MOSFET 選擇
    圖5:MOSFET在不同開關速度下的不同特性
    〈烜芯微/XXW〉專業制造二極管,三極管,MOS管,橋堆等,20年,工廠直銷省20%,上萬家電路電器生產企業選用,專業的工程師幫您穩定好每一批產品,如果您有遇到什么需要幫助解決的,可以直接聯系下方的聯系號碼或加QQ/微信,由我們的銷售經理給您精準的報價以及產品介紹
     
    聯系號碼:18923864027(同微信)
    QQ:709211280

    相關閱讀