• <tr id="ii00i"></tr>
  • <nav id="ii00i"><sup id="ii00i"></sup></nav>
  • <nav id="ii00i"></nav>
  • <tfoot id="ii00i"><noscript id="ii00i"></noscript></tfoot>
    <tfoot id="ii00i"><noscript id="ii00i"></noscript></tfoot>
  • <tfoot id="ii00i"><noscript id="ii00i"></noscript></tfoot>
    天天成人综合网,亚洲人妻资源网,欧美精品网,国产黑丝袜在线观看视频,蜜桃av一卡二卡三卡,激情综合图区,亚洲avav,亚洲av电影天堂网

    您好!歡迎光臨烜芯微科技品牌官網!

    深圳市烜芯微科技有限公司

    ShenZhen XuanXinWei Technoligy Co.,Ltd
    二極管、三極管、MOS管、橋堆

    全國服務熱線:18923864027

  • 熱門關鍵詞:
  • 橋堆
  • 場效應管
  • 三極管
  • 二極管
  • 選擇Boost升壓電路的電感,三個公式介紹
    • 發布時間:2023-03-13 14:33:42
    • 來源:
    • 閱讀次數:
    選擇Boost升壓電路的電感,三個公式介紹
    Boost升壓電路選擇電感
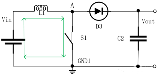
    BOOST電源架構是一種非常經典的升壓電源方案,它是利用開關管開通和關斷的時間比率,維持穩定輸出的一種開關電源,它以小型、輕量和高效率的特點被廣泛應用在各行業電子設備,是不可缺少的一種電源架構。
    Boost升壓電路 電感
    開關閉合時,充電路徑見上圖綠色回路,此時給電感充電,可以列出方程:
    Boost升壓電路 電感
    其中:
    Vi:輸入電壓         L:電感量    △Ion:充電時電感電流紋波
    D:開關的占空比    T:開關周期,是頻率f的倒數
    Boost升壓電路 電感
    η是boost的效率,開關電源效率一般是比較高的,如果只是近似計算,效率可以取90%。
    Boost升壓電路 電感
    最后一個公式,電源的輸出總電流,是直流電基礎之上,疊加的交流電流,我們需要計算直流加交流時的最大電流:
    Boost升壓電路 電感
    從推導的公式可以看出,選擇大電感時,產生的紋波也小,可以降低電感器的磁滯損耗和 EMI。但同樣地,物極必反,負載瞬態響應時間增加。
    〈烜芯微/XXW〉專業制造二極管,三極管,MOS管,橋堆等,20年,工廠直銷省20%,上萬家電路電器生產企業選用,專業的工程師幫您穩定好每一批產品,如果您有遇到什么需要幫助解決的,可以直接聯系下方的聯系號碼或加QQ/微信,由我們的銷售經理給您精準的報價以及產品介紹
     
    聯系號碼:18923864027(同微信)
    QQ:709211280

    相關閱讀