• <tr id="ii00i"></tr>
  • <nav id="ii00i"><sup id="ii00i"></sup></nav>
  • <nav id="ii00i"></nav>
  • <tfoot id="ii00i"><noscript id="ii00i"></noscript></tfoot>
    <tfoot id="ii00i"><noscript id="ii00i"></noscript></tfoot>
  • <tfoot id="ii00i"><noscript id="ii00i"></noscript></tfoot>
    天天成人综合网,亚洲人妻资源网,欧美精品网,国产黑丝袜在线观看视频,蜜桃av一卡二卡三卡,激情综合图区,亚洲avav,亚洲av电影天堂网

    您好!歡迎光臨烜芯微科技品牌官網!

    深圳市烜芯微科技有限公司

    ShenZhen XuanXinWei Technoligy Co.,Ltd
    二極管、三極管、MOS管、橋堆

    全國服務熱線:18923864027

  • 熱門關鍵詞:
  • 橋堆
  • 場效應管
  • 三極管
  • 二極管
  • SMAJ54A瞬態抑制二極管,54VTVS管,54V單向雙向TVS二極管
    • 發布時間:2022-05-12 18:43:02
    • 來源:
    • 閱讀次數:
    SMAJ54A瞬態抑制二極管,54VTVS管,54V單向雙向TVS二極管
    SMAJ54A瞬態抑制二極管,400W絲印RE二極管,54V TVS管規格書參數,SMAJ54A單向TVS管,54V瞬態抑制二極管
    SMAJ54A
    SMAJ54A SMA封裝參數:點擊查看SMAJ54A
    SMAJ54A封裝有SMA/SMB/SMC/SOD-123FL
    54V瞬態抑制二極管參數如下:
    SMAJ54A
    DEVICE MARKING CODE 絲印:RE
    Peak Pulse Power Dissipation on 功率損耗Pppm:400W
    REVERSE STANDOFF VOLTAGE VRWM (V) 反向對峙電壓:54V
    BREAKDOWN VOLTAGE VBR (V) MIN. @ IT 崩潰電壓(最小):60V
    BREAKDOWN VOLTAGE VBR (V) MAX. @ IT 崩潰電壓(最大):66.3V
    TEST CURRENT (IT) mA 測試電流:1mA
    MAXIMUM CLAMPING VOLTAGE @IPP VC (V) 最大嵌位電壓:87.1V
    PEAK PULSE CURRENT IPP (A) 峰值脈沖電流:4.6A
    REVERSE LEAKAGE @ VRWM IR (μA) 反向漏電:1μA
    Operating Junction Temperature and Storage Temperature Range 工作結溫度和存儲溫度范圍 Tj, Tstg:-65~+150℃
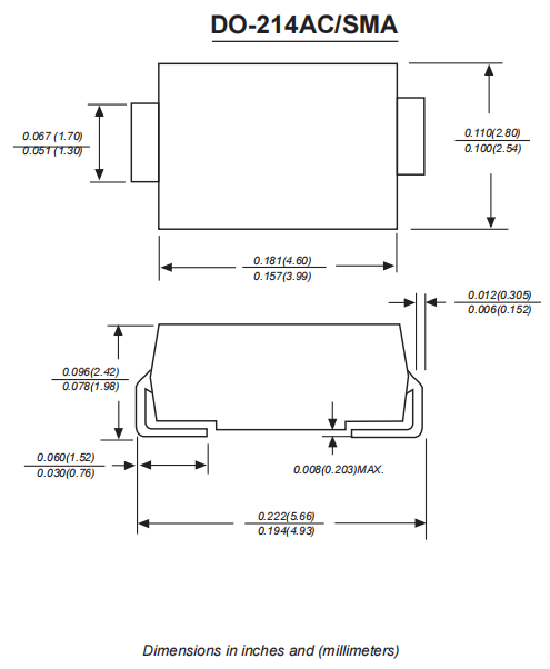
    SMAJ54A瞬態抑制二極管,DO-214AC/SMA封裝尺寸:
    SMAJ54A
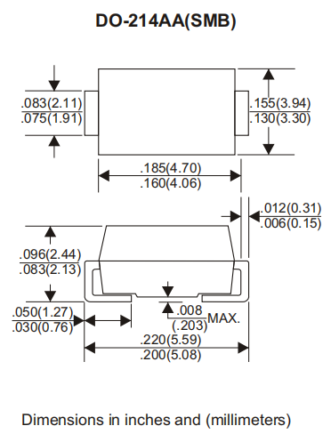
    SMAJ54A瞬態抑制二極管,DO-214AA/SMB封裝尺寸:
    SMAJ54A
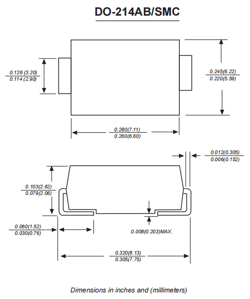
    SMAJ54A瞬態抑制二極管,DO-214AB/SMC封裝尺寸:
    SMAJ54A
    SMAJ54A瞬態抑制二極管,SOD-123FL封裝尺寸:
    SMAJ54A
    〈烜芯微/XXW〉專業制造二極管,三極管,MOS管,橋堆等,20年,工廠直銷省20%,上萬家電路電器生產企業選用,專業的工程師幫您穩定好每一批產品,如果您有遇到什么需要幫助解決的,可以直接聯系下方的聯系號碼或加QQ/微信,由我們的銷售經理給您精準的報價以及產品介紹
     
    聯系號碼:18923864027
    QQ:709211280
    相關閱讀