• <tr id="ii00i"></tr>
  • <nav id="ii00i"><sup id="ii00i"></sup></nav>
  • <nav id="ii00i"></nav>
  • <tfoot id="ii00i"><noscript id="ii00i"></noscript></tfoot>
    <tfoot id="ii00i"><noscript id="ii00i"></noscript></tfoot>
  • <tfoot id="ii00i"><noscript id="ii00i"></noscript></tfoot>
    天天成人综合网,亚洲人妻资源网,欧美精品网,国产黑丝袜在线观看视频,蜜桃av一卡二卡三卡,激情综合图区,亚洲avav,亚洲av电影天堂网

    您好!歡迎光臨烜芯微科技品牌官網!

    深圳市烜芯微科技有限公司

    ShenZhen XuanXinWei Technoligy Co.,Ltd
    二極管、三極管、MOS管、橋堆

    全國服務熱線:18923864027

  • 熱門關鍵詞:
  • 橋堆
  • 場效應管
  • 三極管
  • 二極管
  • MOSFET測試,什么是雙脈沖測試解析
    • 發布時間:2022-11-18 18:15:42
    • 來源:
    • 閱讀次數:
    MOSFET測試,什么是雙脈沖測試解析
    通過雙脈沖測試來評估MOSFET體二極管的反向恢復特性,并確認MOSFET損耗情況。
    MOSFET體二極管的反向恢復特性與橋式電路損耗的關系
    在逆變器電路和Totem Pole型功率因數改善(PFC)電路等具有2個以上MOSFET的橋式電路中,由于流過上下橋臂的電流會使導通損耗增加。
    該現象受開關MOSFET和對應橋臂MOSFET的體二極管(寄生二極管)的反向恢復特性影響很大。因此,在橋式電路中,體二極管反向恢復特性優異的MOSFET優勢明顯。
    什么是雙脈沖測試?
    雙脈沖測試是廣泛應用于MOSFET和IGBT等功率開關元件特性評估的一種測試方法。該測試不僅可以評估對象元件的開關特性,還可以評估體二極管和IGBT一同使用的快速恢復二極管(FRD)等的反向恢復特性。
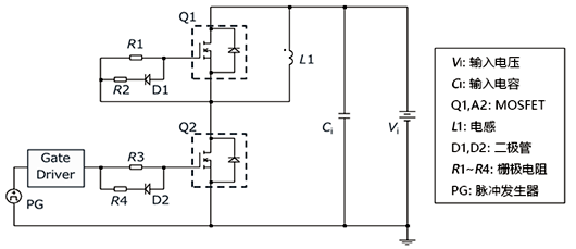
    因此,對導通時發生反向恢復特性引起損耗的電路的評估非常有效。雙脈沖測試的基本電路圖如下所示。
    MOSFET 雙脈沖測試
    另外,當該電路的Q1是續流用MOSFET、Q2是驅動用MOSFET時,雙脈沖測試的基本工作如下表所示。基本工作主要可以分為①、②、③這三種。
    當定義脈沖發生器的電壓為VPulse、流過電感的電流為IL、Q2的漏源電壓為VDS_L、Q2的漏極電流為ID_L時,各模式的工作、電流路徑和波形如表所示。
    MOSFET 雙脈沖測試
    在工作③中,在Q2導通時可以觀測到短路電流(ID_L紅色部分)。這是由Q1體二極管的反向恢復特性引發的。
    當體二極管從ON轉換為OFF時,必須將ON時所蓄積的電荷進行放電。此時,設從體二極管釋放出的電荷量為Qrr,釋放電荷所產生的電流峰值為Irr,Q2的功率損耗為Pd_L,則Q2的導通動作可以如右圖所示。
    ID_L的三角形面積為Qrr、三角形的高為Irr。
    MOSFET 雙脈沖測試
    一般情況下,當續流側元件Q1的體二極管反向恢復特性較差、Qrr也較大時,驅動側元件Q2的導通損耗會增加。因此,在像逆變器電路這樣的流過再生電流的應用和Totem Pole型PFC電路中,需要考慮到體二極管的反向恢復特性對損耗有較大的影響。
    〈烜芯微/XXW〉專業制造二極管,三極管,MOS管,橋堆等,20年,工廠直銷省20%,上萬家電路電器生產企業選用,專業的工程師幫您穩定好每一批產品,如果您有遇到什么需要幫助解決的,可以直接聯系下方的聯系號碼或加QQ/微信,由我們的銷售經理給您精準的報價以及產品介紹
     
    聯系號碼:18923864027(同微信)
    QQ:709211280

    相關閱讀