• <tr id="ii00i"></tr>
  • <nav id="ii00i"><sup id="ii00i"></sup></nav>
  • <nav id="ii00i"></nav>
  • <tfoot id="ii00i"><noscript id="ii00i"></noscript></tfoot>
    <tfoot id="ii00i"><noscript id="ii00i"></noscript></tfoot>
  • <tfoot id="ii00i"><noscript id="ii00i"></noscript></tfoot>
    天天成人综合网,亚洲人妻资源网,欧美精品网,国产黑丝袜在线观看视频,蜜桃av一卡二卡三卡,激情综合图区,亚洲avav,亚洲av电影天堂网

    您好!歡迎光臨烜芯微科技品牌官網!

    深圳市烜芯微科技有限公司

    ShenZhen XuanXinWei Technoligy Co.,Ltd
    二極管、三極管、MOS管、橋堆

    全國服務熱線:18923864027

  • 熱門關鍵詞:
  • 橋堆
  • 場效應管
  • 三極管
  • 二極管
  • 電路設計,過熱保護電路圖介紹
    • 發布時間:2022-11-16 18:21:37
    • 來源:
    • 閱讀次數:
    電路設計,過熱保護電路圖介紹
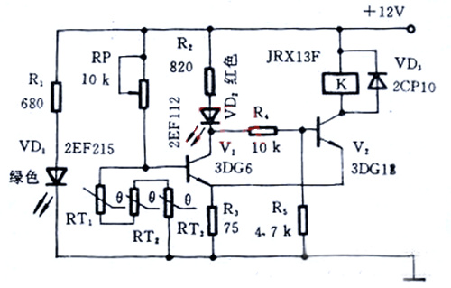
    過熱保護電路圖(一)
    原理電路
    是以電機過熱保護為例,由PTC熱敏電阻和施密特電路構成的控制電路。圖中,RT1、RT2、RT3為三只特性一致的階躍型PTC熱敏電阻器,它們分別埋設在電機定子的繞組里。
    正常情況下,PTC熱敏電阻器處于常溫狀態,它們的總電阻值小于1KΩ。此時,V1截止,V2導通,繼電器K得電吸合常開觸點,電機由市電供電運轉。
    當電機因故障局部過熱時,只要有一只PTC熱敏電阻受熱超過預設溫度時,其阻值就會超過10KΩ以上。于是V1導通、V2截止,VD2顯示紅色報警,K失電釋放,電機停止運轉,達到保護目的。
    過熱保護電路圖
    主要元器件選擇PTC熱敏電阻的選型取決于電機的絕緣等級。元件的標準外形尺寸見圖。通常按比電機絕緣等級相對應的極限溫度低40℃左右的范圍選擇PTC熱敏電阻的居里溫度。
    例如,對于B1級絕緣的電機,其極限溫度為130℃,應當選居里溫度90℃的PTC熱敏電阻。(過熱保護用PTC熱敏電阻)
    過熱保護電路圖
    繼電器K的選擇取決于電機的容量,圖2.3.1中的是JRX-13F,觸點負載0.5A,適合小型電機。RP應選帶鎖緊機構的電位器。
    過熱保護電路圖(二)
    對于大功率等級電源,過熱保護也是必須要求的。過熱保護的形式有很多種,常用的電路:
    過熱保護電路圖
    1、關斷電源,即溫度降低以后,電源恢復工作。
    2、不關斷電源,而是改善電源內部的通風條件。
    特別注意:在實際設計和調試中,應當將R1放于熱應小且發熱量較大的器件處。
    1、過熱關斷電路
    過熱保護電路圖
    V:一穩定的直流電壓
    正常時V×R2/(R1+R2)≤0.7V
    R1:為負溫系數的熱敏電阻
    C1:取104J63或小容量鋁電解電容,目的是防止外界干擾誤動作
    Vref:為芯片的基準腳。如3842的8pin
    Q1:為NPN的達令頓管即可。如2N4401
    注:采用運放來做亦可,但原理相通。如有機會將多列出此類電路。
    2、溫控風機調速電路
    過熱保護電路圖
    Vin:為略大于最高輸入電壓。
    R1:為負溫系數的熱敏電阻
    C1:取104J63或小容量鋁電解電容,目的是防止外界干擾誤動作
    Vref:穩定電壓,可利用芯片的基準腳。如3842的8pin
    Q1:為NPN的且能過大電流的達令頓管即可。如TIP31C
    注:采用運放來做亦可,但原理相通。
    〈烜芯微/XXW〉專業制造二極管,三極管,MOS管,橋堆等,20年,工廠直銷省20%,上萬家電路電器生產企業選用,專業的工程師幫您穩定好每一批產品,如果您有遇到什么需要幫助解決的,可以直接聯系下方的聯系號碼或加QQ/微信,由我們的銷售經理給您精準的報價以及產品介紹
     
    聯系號碼:18923864027(同微信)
    QQ:709211280

    相關閱讀