• <tr id="ii00i"></tr>
  • <nav id="ii00i"><sup id="ii00i"></sup></nav>
  • <nav id="ii00i"></nav>
  • <tfoot id="ii00i"><noscript id="ii00i"></noscript></tfoot>
    <tfoot id="ii00i"><noscript id="ii00i"></noscript></tfoot>
  • <tfoot id="ii00i"><noscript id="ii00i"></noscript></tfoot>
    天天成人综合网,亚洲人妻资源网,欧美精品网,国产黑丝袜在线观看视频,蜜桃av一卡二卡三卡,激情综合图区,亚洲avav,亚洲av电影天堂网

    您好!歡迎光臨烜芯微科技品牌官網!

    深圳市烜芯微科技有限公司

    ShenZhen XuanXinWei Technoligy Co.,Ltd
    二極管、三極管、MOS管、橋堆

    全國服務熱線:18923864027

  • 熱門關鍵詞:
  • 橋堆
  • 場效應管
  • 三極管
  • 二極管
  • MOS管RC緩沖電路參數計算介紹
    • 發布時間:2022-11-05 17:22:03
    • 來源:
    • 閱讀次數:
    MOS管RC緩沖電路參數計算介紹
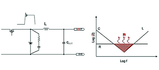
    在帶變壓器的開關電源拓撲中,開關管關斷時,電壓和電流的重疊引起的損耗是開關電源損耗的主要部分,同時,由于電路中存在雜散電感和雜散電容,在功率開關管關斷時,電路中也會出現過電壓并且產生振蕩。
    如果尖峰電壓過高,就會損壞開關管。同時,振蕩的存在也會使輸出紋波增大。為了降低關斷損耗和尖峰電壓,需要在開關管兩端并聯緩沖電路以改善電路的性能。
    緩沖電路的主要作用有:一是減少導通或關斷損耗;二是降低電壓或電流尖峰;三是降低dV/dt或dI/dt。由于MOSFET管的電流下降速度很快,所以它的關斷損耗很小。
    雖然MOSFET管依然使用關斷緩沖電路,但它的作用不是減少關斷損耗,而是降低變壓器漏感尖峰電壓。
    RC緩沖電路
    為了降低開關節點產生的尖峰電壓,可考慮增加RC緩沖電路。在下面的示例中,整流二極管關斷(高邊開關導通)時,RC緩沖電路可將二極管的接合部、寄生電感、寄生電容、PCB版圖的電感中積蓄的電荷放電,并通過電阻轉換為熱,從而降低尖峰電壓。
    RC緩沖電路
    RC的值一般以R=2Ω、C=470pF左右為出發點,通過實際確認來找出最佳值。
    需要注意的是,增加緩沖電路會導致開關轉換變慢,效率下降,所以需要探討噪聲水平和效率之間的平衡點。
    另外,前提是電阻將噪聲電壓轉換為熱,所以需要注意電阻的容許損耗。電阻的損耗可通過以下公式計算出來。
    損耗=C×VIN2×fSW
    緩沖電路不僅可用于低邊側,在高邊側也經常使用。
    RC緩沖電路相關參數計算
    1.測試原始振鈴信號
    先把RC都不接,測一下過沖電壓的諧振頻率
    MOS管 RC緩沖電路 參數
    測的是35M
    MOS管 RC緩沖電路 參數
    2.計算電容值
    把R用0Ω電阻短接掉,焊接一個100pf的電容上去(這個電容必須是C0G材質),然后不斷增加電容的值,直到諧振頻率降低為原來的0.5倍左右,這時候寄生的電容是你加的電容的1/3;
    如下圖是加了330pf后,頻率剛好為17.5M,寄生電容大概為110pf,那么我們這時候就可以算C的值,C的值大概取4倍寄生電容的值就可以,所以可以選440pf附近的;
    當然這個電容值不一定按四倍來選,可以按3~9倍來選,電容越大損耗越高,吸收效果越好。
    3.計算寄生電感
    由于f=1/2pispr(L*C),上面已經得到寄生電感為110pf,f為35M
    可得L為0.118uf
    4.計算特征阻抗
    由于z=sqr(L/C)
    可得:
    MOS管 RC緩沖電路 參數
    z為41
    5.得出電阻值
    我們RC的電阻就可以選41Ω附近的電阻,比41Ω稍微大一點即可。
    〈烜芯微/XXW〉專業制造二極管,三極管,MOS管,橋堆等,20年,工廠直銷省20%,上萬家電路電器生產企業選用,專業的工程師幫您穩定好每一批產品,如果您有遇到什么需要幫助解決的,可以直接聯系下方的聯系號碼或加QQ/微信,由我們的銷售經理給您精準的報價以及產品介紹
     
    聯系號碼:18923864027(同微信)
    QQ:709211280

    相關閱讀