• <tr id="ii00i"></tr>
  • <nav id="ii00i"><sup id="ii00i"></sup></nav>
  • <nav id="ii00i"></nav>
  • <tfoot id="ii00i"><noscript id="ii00i"></noscript></tfoot>
    <tfoot id="ii00i"><noscript id="ii00i"></noscript></tfoot>
  • <tfoot id="ii00i"><noscript id="ii00i"></noscript></tfoot>
    天天成人综合网,亚洲人妻资源网,欧美精品网,国产黑丝袜在线观看视频,蜜桃av一卡二卡三卡,激情综合图区,亚洲avav,亚洲av电影天堂网

    您好!歡迎光臨烜芯微科技品牌官網!

    深圳市烜芯微科技有限公司

    ShenZhen XuanXinWei Technoligy Co.,Ltd
    二極管、三極管、MOS管、橋堆

    全國服務熱線:18923864027

  • 熱門關鍵詞:
  • 橋堆
  • 場效應管
  • 三極管
  • 二極管
  • MOS高壓側自舉升壓電路介紹
    • 發布時間:2022-09-14 19:18:12
    • 來源:
    • 閱讀次數:
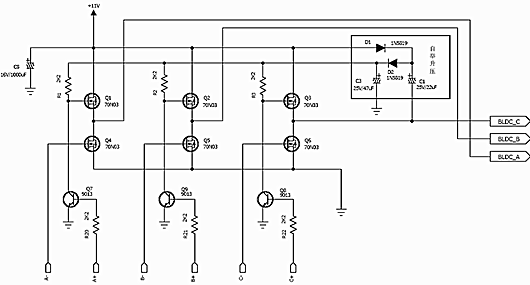
    MOS高壓側自舉升壓電路介紹
    MOS 自舉升壓電路
    MOS高壓側自舉升壓電路
    如果不添加自舉電路,
    舉例如下:
    如果MOS的Drink極電壓為12V,Source極電壓原為0V,Gate極驅動電壓也為12V,那么當MOS在導通瞬間,Soure極電壓會升高為Drink減壓減去一個很小的導通壓降,那么Vgs電壓會接近于0V,MOS在導通瞬間后又會關斷,再導通,再關斷。
    如此下去,長時間在MOS的Drink極與Source間通過的是一個N倍于工作頻率的高頻脈沖,這樣的脈沖尖峰在MOS上會產生過大的電壓應力,很快MOS管會被損壞。
    如果在MOS的Gate與Source間接入一個小電容,在MOS未導通時給電容充電,在MOS導通,Source電壓升高后,自動將Gate極電壓升高,便可使MOS保持繼續導通。
    圖中自舉升壓電路解析(電荷泵工作原理):
    1、上電時:電源+11V流過D1、D2向C3充電,C3上的電壓很快升至接近11V;
    2、如果Q6導通,C1負極被拉低,C1形成充電回路,會很快C1充電至11V;
    3、當PWM波形翻轉,Q6截止,Q3導通,C1負極電位被抬高到接近電源電壓11V,水漲船高,此時C1正極電位已超過電源電壓,并高于C3端電壓。因為D1的存在,該電壓不會向電源倒流;
    4、此時開始先C3充電,C3上的端電壓被充至接近2倍電源電壓22V;
    5、只要Q3、Q6一直輪流導通和截止,C1就會不斷向C3充電,使C3端電壓一直保持22V的電壓。
    〈烜芯微/XXW〉專業制造二極管,三極管,MOS管,橋堆等,20年,工廠直銷省20%,上萬家電路電器生產企業選用,專業的工程師幫您穩定好每一批產品,如果您有遇到什么需要幫助解決的,可以直接聯系下方的聯系號碼或加QQ/微信,由我們的銷售經理給您精準的報價以及產品介紹
     
    聯系號碼:18923864027(同微信)
    QQ:709211280

    相關閱讀