• <tr id="ii00i"></tr>
  • <nav id="ii00i"><sup id="ii00i"></sup></nav>
  • <nav id="ii00i"></nav>
  • <tfoot id="ii00i"><noscript id="ii00i"></noscript></tfoot>
    <tfoot id="ii00i"><noscript id="ii00i"></noscript></tfoot>
  • <tfoot id="ii00i"><noscript id="ii00i"></noscript></tfoot>
    天天成人综合网,亚洲人妻资源网,欧美精品网,国产黑丝袜在线观看视频,蜜桃av一卡二卡三卡,激情综合图区,亚洲avav,亚洲av电影天堂网

    您好!歡迎光臨烜芯微科技品牌官網!

    深圳市烜芯微科技有限公司

    ShenZhen XuanXinWei Technoligy Co.,Ltd
    二極管、三極管、MOS管、橋堆

    全國服務熱線:18923864027

  • 熱門關鍵詞:
  • 橋堆
  • 場效應管
  • 三極管
  • 二極管
  • 差分運放應用,運算放大器結構放大電路介紹
    • 發布時間:2022-08-20 15:09:51
    • 來源:
    • 閱讀次數:
    差分運放應用,運算放大器結構放大電路介紹
    運算放大器結構
    運放輸入模型
    按照運放模型,比較全面的梳理出運放的基本模型:就是差模信號和共模信號的疊加。
    差分運放 差分放大器
    虛短概念
    理想運放要注意虛斷和虛短。運放的同相端輸入和反相端輸入相等。
    差分運放 差分放大器
    理想運放開環增益無窮大,實際略小,大部分在100dB(100000)倍左右,按這個增益,要讓輸出變化3V,同相反相輸入端只需30uV的壓差即可,如果加上紋波、噪聲等干擾信號,同相反相端基本上無變化。引入反饋,做閉環,同相反相端的電壓差忽略不計。
    差模輸入和共模輸入
    在應用中,運放可以輸入差模信號,也可以輸入共模信號,共模信號大部分來自噪聲,最核心的愿景是:共模被抵消,差模被放大。
    差分運放 差分放大器
    輸入電壓范圍(Vin或Vcm)
    運算放大器輸入范圍比較復雜,理論上來講,同相端和反相端模擬輸入在電源的正軌到負軌之間都能滿足,運放的上下管大致對稱,大部分時間,取運放的共模輸入電壓Vcm為1/2 Vdd。這樣,運放主要工作在線性區。
    差分運放 差分放大器
    小信號檢測方法
    運算放大器用來做電流小信號采集時,往往會面臨信號該如何采集、是采用高邊電流檢測還是采用低邊電流檢測的問題。
    差分運放 差分放大器
    差分放大器介紹
    由于傳感器信號主要是通過施加電壓差做為輸出,信號的差值電壓很小,而且會產生布局布線引起的EMI和共模干擾、溫度漂移等問題。把運放的同相端和反相端當做車廂,只要傳感器信號給定在這中間,相對的干擾就會小很多。傳感器的信號存在壓差,避免運放異常飽和,引入差分放大器。
    差分運放 差分放大器
    基于成本考慮,行業之內,大部分設計還會采用普通運放,基于減法器的模型,搭建一個差分放大器。
    差分運放 差分放大器
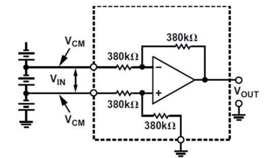
    差分放大器的原理就像照鏡子,物理學上的說法稱作鏡像,講究對稱和平衡,只有做到兩邊一模一樣,效果才會最佳。為了這個目的,工程師就需要在模擬前端做阻抗匹配。而由于各點參考源不同,阻抗又有誤差,完全阻抗匹配往往非常困難。
    下圖是一個經典的差分運放,通過輸出靜默電壓Uoz,用KCL去求解同相輸入和反相輸入阻抗,結果差異很大。
    差分運放 差分放大器
    介紹一下確定上圖中各電阻的值的方法:
    首先,按照鏡像原理,偏置電流也按照相同的倍數放大,即可求出4個電阻之間的關系;確定R1則需要查運放的幾個限制條件,阻值需滿足:大于瞬時輸出電壓/最大輸出電流、小于輸入失調電壓/輸入偏置電流,還要注意熱噪聲影響等等。
    〈烜芯微/XXW〉專業制造二極管,三極管,MOS管,橋堆等,20年,工廠直銷省20%,上萬家電路電器生產企業選用,專業的工程師幫您穩定好每一批產品,如果您有遇到什么需要幫助解決的,可以直接聯系下方的聯系號碼或加QQ/微信,由我們的銷售經理給您精準的報價以及產品介紹
     
    聯系號碼:18923864027(同微信)
    QQ:709211280

    相關閱讀