升壓電路
自舉電路也叫升壓電路,是利用自舉升壓二極管,自舉升壓電容等電子元件,使電容放電電壓和電源電壓疊加,從而使電壓升高;有的電路升高的電壓能達到數倍電源電壓。
升壓電路原理
舉例:有一個12V的電路,電路中有一個場效應管需要15V的驅動電壓,這個電壓怎么弄出來?就是用自舉。通常用一個電容和一個二極管,電容存儲電荷,二極管防止電流倒灌,頻率較高的時候,自舉電路的電壓就是電路輸入的電壓加上電容上的電壓,起到升壓的作用。
自舉電路只是在實踐中定的名稱,在理論上沒有這個概念。自舉電路主要是在甲乙類單電源互補對稱電路中使用較為普遍。
甲乙類單電源互補對稱電路在理論上可以使輸出電壓Vo達到Vcc的一半,但在實際的測試中,輸出電壓遠達不到Vcc的一半。其中重要的原因就需要一個高于Vcc的電壓。所以采用自舉電路來升壓。
開關直流升壓電路(即所謂的boost或者step-up電路)原理
the boost converter,或者叫step-up converter,是一種開關直流升壓電路,它可以是輸出電壓比輸入電壓高?;倦娐啡鐖D
假定那個開關(三極管或者mos管)已經斷開了很長時間,所有的元件都處于理想狀態,電容電壓等于輸入電壓。下面分充電和放電兩個部分來說明這個電路。
充電過程
在充電過程中,開關閉合(三極管導通),等效電路如圖二,開關(三極管)處用導線代替。這時,輸入電壓流過電感。二極管防止電容對地放電。
由于輸入是直流電,所以電感上的電流以一定的比率線性增加,這個比率跟電感大小有關。隨著電感電流增加,電感里儲存了一些能量。

放電過程
如圖,這是當開關斷開(三極管截止)時的等效電路。當開關斷開(三極管截止)時,由于電感的電流 保持特性,流經電感的電流不會馬上變為0,而是緩慢的由充電完畢時的值變為0。
而原來的電路已斷開,于是電感只能通過新電路放電,即電感開始給電容充電, 電容兩端電壓升高,此時電壓已經高于輸入電壓了。升壓完畢。

升壓過程就是一個電感的能量傳遞過程。充電時,電感吸收能量,放電時電感放出能量。 如果電容量足夠大,那么在輸出端就可以在放電過程中保持一個持續的電流。 如果這個通斷的過程不斷重復,就可以在電容兩端得到高于輸入電壓的電壓。
直流升壓電路原理圖
“高頻振蕩產生低壓脈沖”就是用高頻低壓振蕩電路產生高頻方波去控制高頻開關電路,使得脈沖變壓器按照“高頻方波”的頻率不斷的“充放電”。例如下圖:A點會產生比電池電壓高許多的高頻脈沖,經整流后可以得到高于電池電壓的直流電壓。

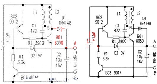
簡易1.5V升9V電源電路圖
1.5V升9V電源電路圖如附圖所示。該電路為間歇式振蕩升壓電路。BG1與L1、L2、C1等構成振蕩器。BG1為振蕩管,工作在開關狀態。L1、C1為振蕩反饋元件。L2為振蕩儲能繞組。
為了方便,電路還設計了由BG3構成的自動電子開關。當BG3的基極沒有負載時,也就沒有基極電流,BG3、BG2、BG1均截止,整個電路停止工作,不消耗電源。因此,本電路不需設立單獨的電源開關。

當A、B兩點接上負載時,BG3導通,BG2也跟著導通,通過負載為BG1提供基極電流,BG1導通,能量從電源流入并儲存在L2中。
此時BG1集電極電壓很低,D1截止,負載由C2殘存電壓供電。當BG1截止時,L2中電流不能突變,它將產生出較高的逆程電動勢,經D1整流后輸出。
當輸出電壓高于D2的穩壓值時,BG2的b、e結反偏而趨向于截止,BG1基極電流將會下降,迫使其振蕩減弱,輸出電壓也隨之下降從而將輸出電壓自動地控制在D2的穩壓值附近。
元件選擇與制作調試:
BG1選飽和壓降低的NPN型硅管,如9013、8050等,要求ICM》300mA,β》200。BG2可用9012、9015等PNP硅管,BG3選用9014等NPN型管,要求穿透電流越小越好。
L1、L2用∮0.1MM的漆包線在∮8MM的高頻磁環(從舊電子鎮流器或節能燈里拆用)上繞制而成。L1為6匝L2為36匝。
此電路為DT890A數字萬用表供電,實測工作電流為:蜂鳴擋和電容20uF、2uF擋為45mA以下,其它擋位均在25mA以下。
當電池電壓降到0.9V時,除消耗電流較大的蜂鳴擋,電容20uF、2uF擋有缺電顯示外,其余擋位均未見缺電顯示。本電路制作簡單,性能穩定,經濟實用。不用調試,只要接線正確,均能正常工作。
數字萬用表如果用1.5V電池通過升壓替代9V疊層電池,通常都要單獨安裝電源開關。給制作和使用帶來不便。本文介紹的電路是通過檢測數字萬用表工作電流的有無來控制啟動或停止的。因此只要將電源線與升壓電路的輸出端對接,就可利用數字萬用表電源開關。
〈烜芯微/XXW〉專業制造二極管,三極管,MOS管,橋堆等,20年,工廠直銷省20%,上萬家電路電器生產企業選用,專業的工程師幫您穩定好每一批產品,如果您有遇到什么需要幫助解決的,可以直接聯系下方的聯系號碼或加QQ/微信,由我們的銷售經理給您精準的報價以及產品介紹
〈烜芯微/XXW〉專業制造二極管,三極管,MOS管,橋堆等,20年,工廠直銷省20%,上萬家電路電器生產企業選用,專業的工程師幫您穩定好每一批產品,如果您有遇到什么需要幫助解決的,可以直接聯系下方的聯系號碼或加QQ/微信,由我們的銷售經理給您精準的報價以及產品介紹
聯系號碼:18923864027(同微信)
QQ:709211280

