三極管基極電阻
學過電路的朋友都清楚,三極管有三種工作區:截止區、放大區、飽和區,如下圖所示:

1.截止區:當基極的偏置電壓小于0.7V時,B極電流為零,CE極無電流流過,三極管處于不導通狀態;
2.放大區:當基極的偏置電壓等于0.7V時,CE極處于半導通狀態,CE電流跟隨B極電流發生變化,呈現電流的放大狀態;
3.飽和區:當基極的偏置電壓大于0.7V時,CE極電流達到一定程度不再跟隨B極電流發生變化,CE極處于導通狀態;

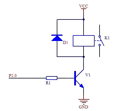
如上圖所示,三極管控制繼電器時,要處于那種工作狀態呢?三極管不導通時工作于截至狀態;控制繼電器工作時,希望CE極的壓降越小越好,處于飽和狀態。
所以三極管控制繼電器時應該處于截至狀態和飽和狀態。那基極的電阻該如何選取呢?
以某繼電器為例,其參數如下所示:

1.繼電器的工作電壓為5V;
2.繼電器的線圈電阻為125Ω;
根據以上兩個參數就可以確定,當繼電器處于工作狀態時,根據歐姆定律流過的繼電器的電流為I=5/125=40mA。通過查閱S8050的數據手冊,可以找到其特性曲線,如下圖所示。

由圖中可以看出,如果CE極流過的電流為40mA的話,那流過B極的電流大約為200uA,即:(5-0.7)V/0.0002A≈20K。
一般為了電路的穩定性考慮,將CE極電流的容量設計為計算值的2倍,即按照CE極電流為80mA來算的話,流過B極的電流約為480uA,4.3/0.00048≈9K。所以B極電阻最好10K以內,繼電器才能很好的吸合。
〈烜芯微/XXW〉專業制造二極管,三極管,MOS管,橋堆等,20年,工廠直銷省20%,上萬家電路電器生產企業選用,專業的工程師幫您穩定好每一批產品,如果您有遇到什么需要幫助解決的,可以直接聯系下方的聯系號碼或加QQ/微信,由我們的銷售經理給您精準的報價以及產品介紹
聯系號碼:18923864027(同微信)
QQ:709211280

