• <tr id="ii00i"></tr>
  • <nav id="ii00i"><sup id="ii00i"></sup></nav>
  • <nav id="ii00i"></nav>
  • <tfoot id="ii00i"><noscript id="ii00i"></noscript></tfoot>
    <tfoot id="ii00i"><noscript id="ii00i"></noscript></tfoot>
  • <tfoot id="ii00i"><noscript id="ii00i"></noscript></tfoot>
    天天成人综合网,亚洲人妻资源网,欧美精品网,国产黑丝袜在线观看视频,蜜桃av一卡二卡三卡,激情综合图区,亚洲avav,亚洲av电影天堂网

    您好!歡迎光臨烜芯微科技品牌官網!

    深圳市烜芯微科技有限公司

    ShenZhen XuanXinWei Technoligy Co.,Ltd
    二極管、三極管、MOS管、橋堆

    全國服務熱線:18923864027

  • 熱門關鍵詞:
  • 橋堆
  • 場效應管
  • 三極管
  • 二極管
  • TTL電路的基本結構,工作原理及特性詳解
    • 發布時間:2022-06-17 21:28:23
    • 來源:
    • 閱讀次數:
    TTL電路的基本結構,工作原理及特性詳解
    TTL電路基本結構
    TTL信號是數字信號.CMOS傳輸門(Transmission Gate)是一種既可以傳送數字信號又可以傳輸模擬信號的可控開關電路。
    按照集成度的高低,將集成電路分為小規模集成電路、中規模集成電路、大規模集成電路、超大規模集成電路。
    根據制造工藝的不同,集成電路又分為雙極型和單極型兩大類。TTL門電路是目前雙極型數字集成電路中用的多的一種。
    TTL門電路中用的  普遍的是與非門電路,下面以TTL與非門為例,介紹TTL電路的基本結構、工作原理和特性。
    (1)TTL與非門的基本結構
    TTL電路
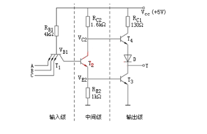
    圖1是TTL與非門的電路結構。
    可以看出,TTL與非門電路基本結構由3部分構成:輸入級、中間級和輸出級。因為電路的輸入端和輸出端都是三極管結構,所以稱這種結構的電路為三極管---三極管邏輯電路。
    輸入級:輸入級是一個與門電路結構。T1是多發射極晶體管,可以把它的集電結看成一個二極管,把發射結(三個發射結)看成是與前者背靠背的3個二極管,如圖2所示。由此看出,輸入級就是一個與門電路:Y=A·B·C。
    TTL電路
    (a)多發射極晶體管(b)多發射極晶體管的等效二級管電路
    圖2 多發射極晶體管的等效電路
    中間級:由三極管T2和電阻RC1、RE2組成。在電路的開通過程中利用T2的放大作用,為輸出管T3提供較大的基極電流,加速了輸出管的導通。所以,中間級的作用是提高輸出管的開通速度,改善電路的性能。
    輸出級:由三極管T3、T4、二極管D和電阻RC4組成。如圖3所示,圖3(a)是前面講過的三極管非門電路,圖3(b)是TTL與非門電路中的輸出級。
    從圖中可以看出,輸出級由三極管T3實現邏輯非的運算。但在輸出級電路中用三極管T4、二極管D和RC4組成的有源負載替代了三極管非門電路中的RC,目的是使輸出級具有較強的負載能力。
    TTL電路
    圖3 晶體管非門電路與TTL與非門輸出級
    TTL電路工作原理
    在下面的分析中假設輸入高、低電平分別為3.6V和0.3V,PN結導通壓降為0.7V。
    ①輸入全為高電平3.6V(邏輯1)
    如果不考慮T2的存在,則應有UB1=UA+0.7=4.3V。顯然,在存在T2和T3的情況下,T2和T3的發射結必然同時導通。
    而一旦T2和T3導通之后,UB1便被鉗在了2.1V(UB1=0.7×3=2.1V),所以T1的發射結反偏,而集電結正偏,稱為倒置放大工作狀態。
    由于電源通過RB1和T1的集電結向T2提供足夠的基極電位,使T2飽和,T2的發射極電流在RE2上產生的壓降又為T3提供足夠的基極電位,使T3也飽和,所以輸出端的電位為UY=UCES=0.3V, UCES為T3飽和壓降。
    可見實現了與非門的邏輯功能之一:輸入全為高電平時,輸出為低電平。
    ②輸入低電平0.3V(邏輯0)
    當輸入端中有一個或幾個為低電平0.3V(邏輯0)時,T1的基極與發射級之間處于正向偏置,該發射結導通,T1的基極電位被鉗位到UB1=0.3+0.7=1V。
    T2和T3都截止。由于T2截止,由工作電源VCC流過RC2的電流僅為T4的基極電流,這個電流較小,在RC2上產生的壓降也小,可以忽略,所以UB4≈VCC=5v,使T4和D導通,則有:UY=VCC-UBE4-UD=5-0.7-0.7=3.6V。
    可見實現了與非門的邏輯功能的另一方面:輸入有低電平時,輸出為高電平。
    綜合上述兩種情況,該電路滿足與非的邏輯功能,是一個與非門。
    〈烜芯微/XXW〉專業制造二極管,三極管,MOS管,橋堆等,20年,工廠直銷省20%,上萬家電路電器生產企業選用,專業的工程師幫您穩定好每一批產品,如果您有遇到什么需要幫助解決的,可以直接聯系下方的聯系號碼或加QQ/微信,由我們的銷售經理給您精準的報價以及產品介紹
     
    電話:18923864027(同微信)
    QQ:709211280

    相關閱讀