• <tr id="ii00i"></tr>
  • <nav id="ii00i"><sup id="ii00i"></sup></nav>
  • <nav id="ii00i"></nav>
  • <tfoot id="ii00i"><noscript id="ii00i"></noscript></tfoot>
    <tfoot id="ii00i"><noscript id="ii00i"></noscript></tfoot>
  • <tfoot id="ii00i"><noscript id="ii00i"></noscript></tfoot>
    天天成人综合网,亚洲人妻资源网,欧美精品网,国产黑丝袜在线观看视频,蜜桃av一卡二卡三卡,激情综合图区,亚洲avav,亚洲av电影天堂网

    您好!歡迎光臨烜芯微科技品牌官網!

    深圳市烜芯微科技有限公司

    ShenZhen XuanXinWei Technoligy Co.,Ltd
    二極管、三極管、MOS管、橋堆

    全國服務熱線:18923864027

  • 熱門關鍵詞:
  • 橋堆
  • 場效應管
  • 三極管
  • 二極管
  • MOSFET雪崩擊穿額定值理論解析
    • 發布時間:2022-04-22 17:20:55
    • 來源:
    • 閱讀次數:
    MOSFET雪崩擊穿額定值理論解析
    雪崩模式定義
    所有半導體器件都具有一定的最大反向電壓額定值(功率 MOSFET 的 BV DSS)。高于此閾值的操作將導致反向偏置 pn 結中的高電場。
    由于碰撞電離,高電場會產生電子-空穴對,這些電子-空穴對會產生倍增效應,從而導致電流增加。流過器件的反向電流會導致高功耗、相關的溫升和潛在的器件損壞。
    工業應用中發生的雪崩
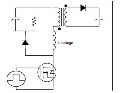
    反激式轉換器電路
    一些設計者不允許雪崩操作;相反,在額定 BV DSS 和 VDD 之間保持電壓降額(通常為 90% 或更少)。
    然而,在這種情況下,可能會出現超出計劃的電壓尖峰的情況并不少見,因此即使是最好的設計也可能會遇到非頻率雪崩事件。圖 1 顯示了一個這樣的示例,即反激式轉換器。
    MOSFET 雪崩 額定值
    反激式轉換器電路
    在反激式轉換器的 MOSFET 操作期間,能量存儲在漏電感中。如果電感未正確鉗位,在 MOSFET 關斷期間,漏電感通過初級開關放電,并可能導致雪崩操作,如圖 2 和 3 中 VDS、ID 和 VGS 與時間的關系波形所示。
    MOSFET 雪崩 額定值
    雪崩波形下的反激式轉換器開關:
    MOSFET 雪崩 額定值
    雪崩波形下的反激式轉換器開關(詳細)
    雪崩故障模式
    一些功率半導體器件設計為在有限時間內承受一定量的雪崩電流,因此可以達到雪崩額定值。其他人會在雪崩開始后很快失敗。性能差異源于特定的設備物理、設計和制造。
    功率 MOSFET 器件物理
    所有半導體器件都包含器件物理設計固有的寄生元件。
    在功率 MOSFET 中,這些組件包括由于 p 和 n 區之間的結中的電荷轉移而產生的電容器、與材料電阻率相關的電阻器、在 p+ 體擴散進入 n- 外延層時形成的體二極管,以及 NPN(雙極結型晶體管此后稱為 BJT) 序列 (BJT),在 n+ 源極觸點擴散的地方形成。
    請參見圖 4 了解包含上面列出的寄生元件的功率 MOSFET 橫截面,參見圖 5 了解器件的完整電路模型。
    MOSFET 雪崩 額定值
    功率 MOSFET 橫截面:
    MOSFET 雪崩 額定值
    功率MOSFET電路模型在雪崩中,充當二極管的 pn 結不再阻斷電壓。施加更高的電壓會達到臨界場,其中碰撞電離趨于無窮大,載流子濃度由于雪崩倍增而增加。
    由于徑向場分量,器件內部的電場在結彎曲處最強。這種強電場會在寄生 BJT 附近產生最大電流,如下圖 6 所示。功耗會增加溫度,從而增加 RB,因為硅電阻率隨溫度增加。
    根據歐姆定律,我們知道在恒定電流下增加電阻會導致電阻兩端的電壓降增加。當壓降足以正向偏置寄生 BJT 時,
    MOSFET 雪崩 額定值
    雪崩下的功率 MOSFET 截面
    功率 MOSFET 用戶應注意了解不同供應商之間雪崩額定條件的差異。不是“雪崩穩健”的設備可能會導致意外和看似無法解釋的電路故障。
    一些制造商根本沒有對他們的 MOSFET 進行雪崩評級。其他人單獨使用統計評級,這不能為更完整的表征和評級提供的穩健操作提供相同的保證。
    〈烜芯微/XXW〉專業制造二極管,三極管,MOS管,橋堆等,20年,工廠直銷省20%,上萬家電路電器生產企業選用,專業的工程師幫您穩定好每一批產品,如果您有遇到什么需要幫助解決的,可以直接聯系下方的聯系號碼或加QQ/微信,由我們的銷售經理給您精準的報價以及產品介紹
     
    電話:18923864027(同微信)
    QQ:709211280

    相關閱讀