• <tr id="ii00i"></tr>
  • <nav id="ii00i"><sup id="ii00i"></sup></nav>
  • <nav id="ii00i"></nav>
  • <tfoot id="ii00i"><noscript id="ii00i"></noscript></tfoot>
    <tfoot id="ii00i"><noscript id="ii00i"></noscript></tfoot>
  • <tfoot id="ii00i"><noscript id="ii00i"></noscript></tfoot>
    天天成人综合网,亚洲人妻资源网,欧美精品网,国产黑丝袜在线观看视频,蜜桃av一卡二卡三卡,激情综合图区,亚洲avav,亚洲av电影天堂网

    您好!歡迎光臨烜芯微科技品牌官網!

    深圳市烜芯微科技有限公司

    ShenZhen XuanXinWei Technoligy Co.,Ltd
    二極管、三極管、MOS管、橋堆

    全國服務熱線:18923864027

  • 熱門關鍵詞:
  • 橋堆
  • 場效應管
  • 三極管
  • 二極管
  • 基于51單片機的溫度測量系統設計圖解
    • 發布時間:2022-02-21 18:27:15
    • 來源:
    • 閱讀次數:
    基于51單片機的溫度測量系統設計圖解
    如今,在很多電子產品中,將單片機用到溫度檢測和溫度控制;而溫度則是系統常需要測量、控制和保持的一個量。因此本文從硬件和軟件兩方面介紹了AT89C2051單片機溫度控制系統的設計,對硬件原理圖和程序框圖作了簡潔的描述。
    1.系統硬件設計
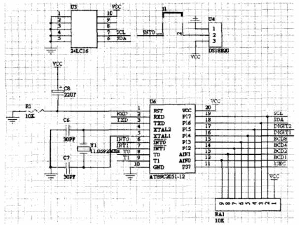
    系統的硬件結構如圖1所示。
    51單片機
    圖1 系統的硬件結構
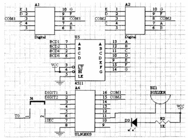
    1.1數據采集
    數據采集電路如圖2所示,由溫度傳感器DS18B20采集被控對象的實時溫度,提供給AT89C2051的P3.2口作為數據輸入。在本次設計中所控的對象為所處室溫。當然作為改進可以把傳感器與電路板分離,由數據線相連進行通訊,便于測量多種對象。
    51單片機
    圖2 數據采集電路
    (1)DS18B20概述
    DS18B20是DALLAS公司生產的一線式數字溫度傳感器,具有3引腳TO-92小體積封裝形式;溫度測量范圍為-55℃~+125℃,可編程為9位~12位A/D轉換精度,測溫分辨率可達0.0625℃,被測溫度用符號擴展的16位數字量方式串行輸出,支持3V~5.5V的電壓范圍,使系統設計更靈活、方便;其工作電源既可在遠端引入,也可采用寄生電源方式產生;多個DS18B20可以并聯到3根或2根線上,CPU只需一根端口線就能與諸多DS18B20通信,占用微處理器的端口較少,可節省大量的引線和邏輯電路。以上特點使DS18B20非常適用于遠距離多點溫度檢測系統。分辨率設定,及用戶設定的報警溫度存儲在EEPROM中,掉電后依然保存。DS18B20使電壓、特性有更多的選擇,讓我們可以構建適合自己的經濟的測溫系統。如圖2所示DS18B20的2腳DQ為數字信號輸入/輸出端;1腳GND為電源地;3腳VDD為外接供電電源輸入端。
    51單片機
    DS18B20
    (2)AT89C2051
    AT89C2051(以下簡稱2051)是一枚8051兼容的單片機微控器,與Intel的MCS-51完全兼容,內藏2K的可程序化Flash存儲體,內部有128B字節的數據存儲器空間,可直接推動LED,與8051完全相同,有15個可程序化的I/O點,分別是P1端口與P3端口(少了P3.6)。
    51單片機
    AT89C2051引腳圖
    1.2接口電路
    接口電路由ATMEL公司的2051單片機、ULN2003達林頓芯片、4511BCD譯碼器、串行EEPROM24C16(保存系統參數)、MAX232、數碼管及外圍電路構成, 單片機以并行通信方式從P1.0~P1.7口輸出控制信號,通過4511BCD譯碼器譯碼,用2個共陰極LED靜態顯示溫度的十位、個位。
    串行EEPROM24C16是標準I2C規格且只要兩根引腳就能讀寫。由于單片機2051的P1是一個雙向的I/O端口,所以在我們在設計中將P1端口當成輸出端口用。由圖2可知,P1.7作為串性的時鐘輸出信號與24C16的第6腳相接,P1.6則作為串行數據輸出接到24C16的第5腳。P1. 4和P1.5則作為兩個數碼管的位選信號控制,在P1.4=1時,選中第一個數碼管(個位);P1.5=1時,選中第二個數碼管(十位)。P1.0~P1.3的輸出信號接到譯碼器4511上作為數碼管的顯示。此外,由于單片機2051的P3端口有特殊的功能,P3.0(RXD)串行輸入端口,P3.1(TXD)串行輸出端口,P3.2(INTO)外部中斷0,P3.3(INT1)外部中斷1P3.4,(T0) 外部定時/計數輸入點,P3.5(T1)外部定時/計數輸入點。由圖2可知,P3.0和P3.1作為與MAX232串行通信的接口;P3.2和P3.3作為中斷信號接口;P3.4和P3.5作為外部定時/記數輸入點。P3.7作為一個脈沖輸出,控制發光二極管的亮滅。
    由于在電路中采用的共陰極的LED數碼管,所以在設計電路時加了一個達林頓電路ULN2003對信號進行放大,產生足夠大的電流驅動數碼管顯示。由于4511只能進行BCD十進制譯碼,只能譯到0至9,所以在這里我們利用4511譯碼輸出我們所需要的溫度。
    1.3報警電路簡介
    51單片機
    圖3 報警電路
    文中所設計的報警電路較為簡單,由一個自我震蕩型的蜂鳴器(只要在蜂鳴器兩端加上超過3V的電壓,蜂鳴器就會叫個不停)和一個發光二極管組成(如圖3所示)。在這次設計中蜂鳴器是通過ULN2003電流放大IC來控制。在我們所要求的溫度達到一定的上界或者下界時(在文中我們設置的上界溫度是45℃,下界溫度是5℃),報警電路開始工作,主要程序設計如下:
    main()//主函數
    {unsigned char i=0;
    unsigned int m,n;
    while(1)
    {i=ReadTemperature();//讀溫度}
    if(i>0 && i<=10) //如果溫度在0到10度之間直接給七段數碼管賦值
    {P1=designP1[i];}
    else//如果溫度大于10度
    {m=i%10;//先給第一個七段數碼管賦值
    D1=1;
    D2=0;
    P1=designP1[m];
    n=i/10;//再給第二個七段數碼管賦值
    D1=0;
    D2=1;
    P1=designP1[n];
    if(n>=4&&m>=5)%%(m<=5)//判斷溫度的取值范圍,如果大于45或小于5度,則蜂鳴器叫,發光二極管閃爍
    { int a,b;
    Q1=1;//蜂鳴器叫
    for(a=0;a<1000;a++)//發光二極管閃爍
    for(b=0;b<1000;b++)
    Q2=1;
    for(a=0;a<1000;a++)
    for(b=0;b<1000;b++)
    Q2=0;}}}
    2.系統軟件設計
    2.1系統程序流程圖
    系統程序流程圖如圖4所示。
    51單片機
    圖4 系統程序流程圖
    2.2溫度部分軟件設計
    DS18B20的一線工作協議流程是:初始化→ROM操作指令→存儲器操作指令→數據傳輸。其工作時序包括初始化時序、寫時序和讀時序。故主機控制DS18B20完成溫度轉換必須經過三個步驟:每一次讀寫之前都要對DS18B20進行復位,復位成功后發送一條ROM指令,最后發送RAM指令,這樣才能對DS18B20進行預定的操作。復位要求主CPU將數據線下拉500微秒,然后釋放,DS18B20收到信號后等待16~60微秒左右,后發出60~240微秒的存在低脈沖,主CPU收到此信號表示復位成功。程序主要函數部分如下:
    (1)初始化函數
    //讀一個字節函數
    ReadOneChar(void)
    {unsigned char i=0;
    unsigned char dat = 0;
    for (i=8;i>0;i--)
    { DQ = 0; // 給脈沖信號
    dat>>=1;
    DQ = 1; // 給脈沖信號
    if(DQ)
    dat|=0x80;
    delay(4);}
    return(dat);}
    //寫一個字節函數
    WriteOneChar(unsigned char dat)
    {unsigned char i=0;
    for (i=8; i>0; i--)
    {DQ = 0;
    DQ = dat&0x01;
    delay(5);
    DQ = 1;
    dat>>=1;}}
    (2)讀取溫度并計算函數
    ReadTemperature(void)
    {unsigned char a=0;
    unsigned char b=0;
    unsigned int t=0;
    float tt=0;
    Init_DS18B20();
    WriteOneChar(0xCC); // 跳過讀序號列號的操作
    WriteOneChar(0x44); // 啟動溫度轉換
    Init_DS18B20();
    WriteOneChar(0xCC); //跳過讀序號列號的操作
    WriteOneChar(0xBE); //讀取溫度寄存器等(共可讀9個寄存器) 前兩個就是溫度
    a=ReadOneChar();
    b=ReadOneChar();
    t=b;
    t<<=8;
    t=t|a;
    tt=t*0.0625;
    t= tt*10+0.5; //放大10倍輸出并四舍五入---此行沒用
    (3)主程序部分見前
    return(t);}
    小結
    以上就是基于51單片機的溫度測量系統設計介紹了。AT89C2051單片機體積小、重量輕、抗干擾能力強、對環境要求不高、價格低廉、可靠性高、靈活性好。本文設計是一種低成本的利用單片機多余I/O口實現的溫度檢測電路,該電路非常簡單,易于實現,,并且適用于幾乎所有類型的單片機;目前此設計已成功應用于鉆井模擬器實驗室室溫控制。
    〈烜芯微/XXW〉專業制造二極管,三極管,MOS管,橋堆等,20年,工廠直銷省20%,上萬家電路電器生產企業選用,專業的工程師幫您穩定好每一批產品,如果您有遇到什么需要幫助解決的,可以直接聯系下方的聯系號碼或加QQ/微信,由我們的銷售經理給您精準的報價以及產品介紹
     
    電話:18923864027(同微信)
    QQ:709211280

    相關閱讀