• <tr id="ii00i"></tr>
  • <nav id="ii00i"><sup id="ii00i"></sup></nav>
  • <nav id="ii00i"></nav>
  • <tfoot id="ii00i"><noscript id="ii00i"></noscript></tfoot>
    <tfoot id="ii00i"><noscript id="ii00i"></noscript></tfoot>
  • <tfoot id="ii00i"><noscript id="ii00i"></noscript></tfoot>
    天天成人综合网,亚洲人妻资源网,欧美精品网,国产黑丝袜在线观看视频,蜜桃av一卡二卡三卡,激情综合图区,亚洲avav,亚洲av电影天堂网

    您好!歡迎光臨烜芯微科技品牌官網!

    深圳市烜芯微科技有限公司

    ShenZhen XuanXinWei Technoligy Co.,Ltd
    二極管、三極管、MOS管、橋堆

    全國服務熱線:18923864027

  • 熱門關鍵詞:
  • 橋堆
  • 場效應管
  • 三極管
  • 二極管
  • MB6F整流橋參數,MB6F規格書
    • 發布時間:2021-08-06 16:24:17
    • 來源:
    • 閱讀次數:
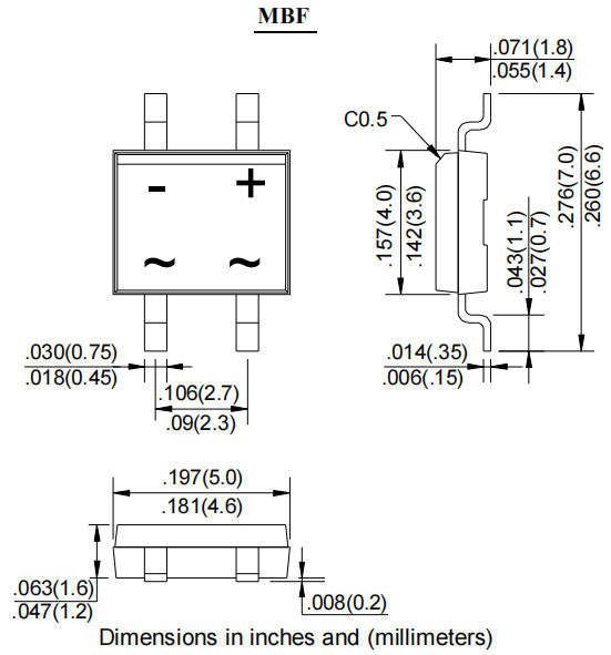
    MB6F整流橋參數,MB6F規格書
    MB6F整流橋,MB6F整流橋封裝為MBF/SOP4,MB6F整流橋規格書參數
    MB6F整流橋規格書:點擊查看
    MB6F
    MB6F整流橋參數具體如下:
    MB6F
    Maximum repetitive peak reverse voltage VRRM最大重復峰值反向電壓:600.0V
    Maximum DC blocking voltage VDC最大直流阻斷電壓:600.0V
    Maximum average forward rectified current IF(AV) 最大平均正向整流電流:1.0A
    Maximum instantaneous forward voltage drop per birdge element at 1.0A VF 1.0A時最大瞬間正向壓降:1.0V
    Maximum DC reverse current TA=25* IR 最大直流反向電流TA=25*:5.0uA
    at rated DC blocking voltage TA=125* IR 額定直流反向電流TA=125*:500uA
    Operating temperature range TJ 工作溫度范圍:-55 to +150°C
    storage temperature range TSTG 儲存溫度范圍:-55 to +150°C
    MB6F整流橋堆封裝,MBF/SOP-4封裝尺寸:
    MB6F
    聯系號碼:18923864027(同微信)
    QQ:709211280
    烜芯微專業制造二極管,三極管,MOS管,橋堆等,20年,工廠直銷省20%,1500家電路電器生產企業選用,專業的工程師幫您穩定好每一批產品,如果您有遇到什么需要幫助解決的,可以直接聯系上方的聯系號碼或加QQ,由我們的銷售經理給您精準的報價以及產品介紹
    相關閱讀