相信大家都知道,固態繼電器是用分離的電子元器件、集成電路(或芯片)及混合微電路技術結合發展起來的一種具有繼電特性的無觸點式電子開關。具有壽命長、可靠性高、開關速度快、電磁干擾小、無噪聲、無火花等特點,因此被廣泛應用。那么其的應用電路有哪些呢?下面一起看看:
1.基本單元電路
如圖1所示為穩定的阻性負載,為了防止輸入電壓超過額定值,需設置一限流電阻Rx;當負載為非穩定性負載或感性負載時,在輸出回路中還應附加一個瞬態抑制電路,如圖5b所示,目的是保護固態繼電器。通常措施是在繼電器輸出端加裝RC吸收回路(例如:R=150 Ω,C=0.5 μF或R=39 Ω,C=0.1 μF),它可以有效的抑制加至繼電器的瞬態電壓和電壓指數上升率dv/dt。在設計電路時,建議用戶根據負載的有關參數和環境條件,認真計算和試驗RC回路的選值。另一個常用的措施是在繼電器輸出端接入具有特定鉗位電壓的電壓控制器件,如雙向穩壓二極管或壓敏電阻(MOV)。壓敏電阻電流值應按下式計算:
Imov=(Vmax-Vmov)/ZS
其中ZS為負載阻抗、電源阻抗以及線路阻抗之和,Vmax、Vmov分別為最高瞬態電壓、壓敏電阻的標稱電壓,對于常規的220V和380V的交流電源,推薦的壓敏電阻的標稱電壓值分別為440-470V和760-810V。
在交流感性負載上并聯RC電路或電容,也可抑制加至SSR輸出端的瞬態電壓和電壓指數上升率。
但實驗表明,RC吸收回路,特別是并聯在SSR輸出端的RC吸收回路,如果和感性負載組合不當,容易導致振蕩,在負載電源上電或繼電器切換時,加大繼電器輸出端的瞬變電壓峰值,增大SSR誤導通的可能性,所以,對具體應用電路應先進行試驗,選用合適的RC參數,甚至有時不用RC吸收電路更有利。
對于容性負載引起的浪涌電流可用感性元件抑制,如在電路中引入磁干擾濾波器、扼流圈等,以限制快速上升的峰值電流。
另外,如果輸出端電流上升變化率(di/dt)很大,可以在輸出端串聯一個具有高磁導率的軟化磁芯的電感器加以限制。

圖1 基本單元電路
通常SSR均設計為“常開”狀態,即無控制信號輸入時,輸出端是開路的,但在自動化控制設備中經常需要“常閉”式的SSR,這時可在輸入端外接一組簡單的電路,如圖5c所示,這時即為常閉式SSR。
2.多功能控制電路
圖2a為多組輸出電路,當輸入為“0”時,三極管BG截止,SSR1、SSR2、SSR3的輸入端無輸入電壓,各自的輸出端斷開;當輸入為“1”時,三極管BG導通,SSR1、SSR2、SSR3的輸入端有輸入電壓,各自的輸出端接通,因而達到了由一個輸入端口控制多個輸出端“通”、“斷”的目的。
圖2b為單刀雙擲控制電路,當輸入為“0”時,三極管BG截止,SSR1輸入端無輸入電壓,輸出端斷開,此時A點電壓加到SSR2的輸入端上(UA-UDW應使SSR2輸出端可靠接通),SSR2的輸出端接通;當輸入為“1”時,三極管BG導通,SSR1輸入端有輸入電壓,輸出端接通,此時A點雖有電壓,但UA-UDW的電壓值已不能使SSR2的輸出端接通而處于斷開狀態,因而達到了“單刀雙擲控制電路”的功能(注意:選擇穩壓二極管DW的穩壓值時,應保證在導通的SSR1“+”端的電壓不會使SSR2導通,同時又要兼顧到SSR1截止時期“+”端的電壓能使SSR2導通)。

圖2 多功能控制電路
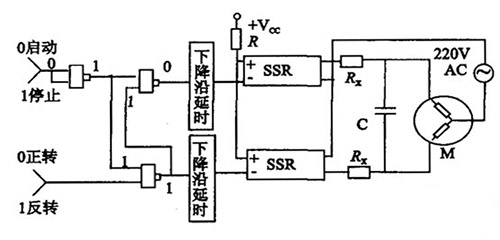
3.單相交流電機正反轉控制
圖3為計算機控制單相交流電機正反轉的接口及驅動電路,在換向控制時,正反轉之間的停滯時間應大于交流電源的1.5個周期(用一個“下降沿延時”電路來完成),以免換向太快而造成線間短路。電路中繼電器要選用阻斷電壓高于600 V和額定電壓為380 V以上的交流固態繼電器。

圖3 單相交流電機正反轉控制電路
為了限制電機換向時電容器的放電電流,應在各回路中外加一只限流電阻Rx,其阻值和功率可按下式計算:
Rx=0.2×VP/IR(Ω), P=Im2Rx
其中:VP—電源峰值電壓(V);IR—固態繼電器額定電流(A);Im—電機運轉電流(A);P—限流電阻功率(W)
4.三相交流電機正反轉控制
圖4計算機控制三相交流電機正反轉的接口及驅動電路,圖中采用了4個與非門,用二個信號通道分別控制電動機的起動、停止和正轉、反轉。當改變電動機轉動方向時,給出指令信號的順序應是“停止—反轉—起動”或“停止—正轉—起動”。延時電路的最小延時不小于1.5個交流電源周期。其中RD1、RD2、RD3為熔斷器。當電機允許時,可以在R1-R4位置接入限流電阻,以防止當萬一兩線間的任意二只繼電器均誤接通時,限制產生的半周線間短路電流不超過繼電器所能承受的浪涌電流,從而避免燒毀繼電器等事故,確保安全性;但副作用是正常工作時電阻上將產生壓降和功耗。該電路建議采用額定電壓為660 V或更高一點的SSR產品。

圖4 三相交流電機正反轉控制電路
以上就是固態繼電器的應用電路介紹了。固態繼電器有其獨特的要求,當這些要求被適當滿足時,可使一個給定的電路設計充分利用半導體解決方案所能提供的優點。僅就可靠性而言,固態繼電器在工作壽命方面提供了巨大的改善機會,加上其他內在的優點,使得這種器件成為愈來愈多應用的首選。
電話:18923864027(同微信)
QQ:709211280
〈烜芯微/XXW〉專業制造二極管,三極管,MOS管,橋堆等,20年,工廠直銷省20%,上萬家電路電器生產企業選用,專業的工程師幫您穩定好每一批產品,如果您有遇到什么需要幫助解決的,可以直接聯系下方的聯系號碼或加QQ/微信,由我們的銷售經理給您精準的報價以及產品介紹

