• <tr id="ii00i"></tr>
  • <nav id="ii00i"><sup id="ii00i"></sup></nav>
  • <nav id="ii00i"></nav>
  • <tfoot id="ii00i"><noscript id="ii00i"></noscript></tfoot>
    <tfoot id="ii00i"><noscript id="ii00i"></noscript></tfoot>
  • <tfoot id="ii00i"><noscript id="ii00i"></noscript></tfoot>
    天天成人综合网,亚洲人妻资源网,欧美精品网,国产黑丝袜在线观看视频,蜜桃av一卡二卡三卡,激情综合图区,亚洲avav,亚洲av电影天堂网

    您好!歡迎光臨烜芯微科技品牌官網!

    深圳市烜芯微科技有限公司

    ShenZhen XuanXinWei Technoligy Co.,Ltd
    二極管、三極管、MOS管、橋堆

    全國服務熱線:18923864027

  • 熱門關鍵詞:
  • 橋堆
  • 場效應管
  • 三極管
  • 二極管
  • 穩壓二極管,穩壓二極管的應用電路詳解
    • 發布時間:2021-11-23 20:19:08
    • 來源:
    • 閱讀次數:
    穩壓二極管,穩壓二極管的應用電路詳解
    穩壓二極管比較特殊,基本結構與普通二極管一樣,也有一個PN結。由于制造工藝的不同,當這種PN結處于反向擊穿狀態時,PN結不會損壞(普通二極管的PN結是會損壞),在穩壓二極管用來穩定電壓時就是利用它的這一擊穿特性。由于穩壓二極管具有穩壓作用,因此在很多電路當中均有應用,如穩壓電源、限幅電路、過壓保護電路、補償電路等等。下面一起來看看其常應用的電路:
    1.典型直流穩壓電路
    穩壓二極管主要用來構成直流穩壓電路這種直流穩壓電路結構簡單,穩壓性能一般。圖所示是穩壓二極管構成的典型直流穩壓電路。電路中,VD1是穩壓二極管,Rl是VD1的限流保護電阻。
    穩壓二極管
    圖1 典型直流穩壓電路圖
    未經穩定的直流工作電壓+V通過R1加到穩壓二極管上,由于+V遠大于VD1穩壓值,所以VD1進入工作狀態,其兩端得到穩定的直流電壓,作為穩壓電路的輸出電壓。
    2.串聯型穩壓電路
    電路如圖2所示,在此電路中,串聯穩壓管,BG的基極被穩壓二極管D鉗定在13V,那么其發射極就輸出恒定的12V電壓了。這個電路在很多場合下都有應用。
    穩壓二極管
    圖2 串聯型穩壓電路圖
    3.溫度補償
    穩壓二極管在溫度補償電路利用的是穩壓二極管的溫度系數,如圖3是用溫度互補型穩壓二極管構成的穩壓電路,采用互補型穩壓二極管對于穩壓要求較高的電路當中,特別是溫度對電壓的影響,這種具有溫度互補特性的穩壓二極管內部其實有兩只普通的穩壓二極管,但是它們的溫度特性相反,當溫度升高或下降時,一只二極管的管壓降下降,另一只二極管的管壓降升高,這樣兩只二極管總的管壓降保持不變,起到到溫度補償作用。
    穩壓二極管
    圖3 溫度補償電路圖
    4.電子濾波器
    圖4所示是電子濾波器中的穩壓二極管應用電路。電路中,VD1是穩壓二極管,VT1是電子濾波管,C1是VT1基極濾波電容,R1是VT1偏置電阻。
    穩壓二極管
    圖4 電子濾波器電路圖
    在穩壓二極管導通后,將VT1基極電壓穩壓在13V,根據三極管發射結導通后的結電壓基本不變特性可知,這時VT1發射極直流輸出電壓也是穩定的,達到穩定直流輸出電壓的目的。
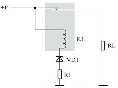
    5.浪涌保護電路
    圖5所示是穩壓二極管構成的浪涌保護電路。電路中,K1是繼電器,VD1是穩壓二極管,Rl是限流保護電阻,RL是負載電阻。
    穩壓二極管
    圖5 浪涌保護電路圖
    當工作電壓+V沒有浪涌出現時,+V電壓沒有高到足以使穩壓二極管VD1導通的程度,這時VD1截止,沒有電流流過繼電器K1,K1的觸點保持接通狀態,+V通過繼電器觸點為負載RL正常供電。
    當工作電壓+V出現浪涌時,由于電壓升高,穩壓二極管VD1導通,這時有電流流過繼電器K1,K1的觸點斷開,電壓+V不能通過繼電器觸點為負載RL供電,達到保護負載RL的目的。
    6.過壓保護電路
    圖6所示是穩壓二極管構成的過壓保護電路,這是電視機中的具體應用電路。電路中VD1是穩壓二極管,VT1是控制管,+115V是主工作電壓。
    穩壓二極管
    圖6 過壓保護電路圖
    電阻R1和R2構成+115V直流工作電壓的分壓電路,分壓后的電壓通過穩壓二極管加到VT1基極。當+115V電壓大小正常時,R1和R2分壓后的電壓不足以使穩壓二極管導通,這時VT1基極電壓為OV,VT1截止,其集電極為高電平,此時待機保護電路不動作,電視機正常工作。
    當+115V過高時,Rl和R2分壓后的電壓足以使穩壓二極管VD1導通,這時VT1飽和導通,其集電極為低電平,通過待機控制線的控制使電視機進入待機保護狀態。
    7.限幅電路
    圖7所示是穩壓二極管構成的限幅電路。電路中,Al和A2是集成電路,VD1和VD2是穩壓二極管。
    穩壓二極管
    圖7 限幅電路圖
    從集成電路Al的①腳輸出信號通過Rl加到集成電路A2的①腳。當集成電路Al的①腳輸出信號幅度沒有超過VD1穩壓值時,這一信號完整地加到集成電路A2的①腳上;當集成電路Al的①腳輸出信號幅度超過VD1穩壓值時,幅度超過部分使VDI導通,信號幅度的最大值被限制,達到限幅目的。
    關于限幅電路分析的細節還要說明下列幾點。
    (1) R2和VD2構成的限幅電路與Rl和VD1構成的電路工作原理一樣,只是它用來限幅集成電路Al的②腳輸出信號。
    (2) RI和R2的作用一樣,它用來傳輸集成電路Al和A2之間的信號,同時也是VD1和VD2的限流保護電阻。
    (3)限幅電路只是限去電壓值超過穩壓二極管穩壓值的部分,對于信號電壓幅度小于穩壓二極管穩壓值的部分無限幅作用。
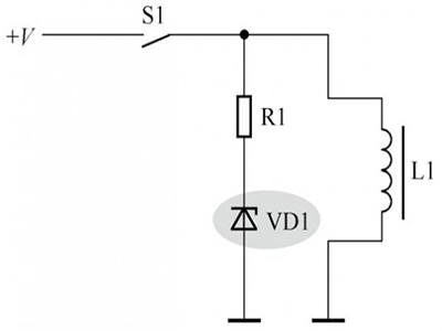
    8.電弧抑制電路
    圖8所示是穩壓二極管構成的電弧抑制電路,這種電路通常用于一些功率較大的電磁吸鐵控制電路中。電路中,VD1是穩壓二極管,L1是電感,R1是限流保護電阻,S1是電源開關。
    穩壓二極管
    圖8 電弧抑制電路
    電路工作原理是:在電源開關S1從接通轉為斷開時,電感L1兩端產生的反向電動勢為上正卞負,這一反向電動勢很大,通過R1加到了穩壓二極管VD1兩端,使之導通,這樣、將反向電動勢能量釋放,D71071D 使開關S1上不會產生很大的電動勢,從而不能產生電弧,達到了消弧目的。
    電源開關S1正常接通時,+V通過Rl加到VD1上的電壓不夠大,不足以使VD1導通,所以VD1處于截止狀態,不影響電路正常工作。
    以上就是穩壓二極管的應用電路介紹了。選用穩壓二極管時,應滿足應用電路中主要參數的要求。穩壓二極管的穩定電壓值應與應用電路的基準電壓值相同,穩壓二極管的最大穩定電流應高于應用電路的最大負載電流50%左右。
    〈烜芯微/XXW〉專業制造二極管,三極管,MOS管,橋堆等,20年,工廠直銷省20%,上萬家電路電器生產企業選用,專業的工程師幫您穩定好每一批產品,如果您有遇到什么需要幫助解決的,可以直接聯系下方的聯系號碼或加QQ/微信,由我們的銷售經理給您精準的報價以及產品介紹
     
    電話:18923864027(同微信)
    QQ:709211280

    相關閱讀