• <tr id="ii00i"></tr>
  • <nav id="ii00i"><sup id="ii00i"></sup></nav>
  • <nav id="ii00i"></nav>
  • <tfoot id="ii00i"><noscript id="ii00i"></noscript></tfoot>
    <tfoot id="ii00i"><noscript id="ii00i"></noscript></tfoot>
  • <tfoot id="ii00i"><noscript id="ii00i"></noscript></tfoot>
    天天成人综合网,亚洲人妻资源网,欧美精品网,国产黑丝袜在线观看视频,蜜桃av一卡二卡三卡,激情综合图区,亚洲avav,亚洲av电影天堂网

    您好!歡迎光臨烜芯微科技品牌官網!

    深圳市烜芯微科技有限公司

    ShenZhen XuanXinWei Technoligy Co.,Ltd
    二極管、三極管、MOS管、橋堆

    全國服務熱線:18923864027

  • 熱門關鍵詞:
  • 橋堆
  • 場效應管
  • 三極管
  • 二極管
  • LM324的正負電源接法與檢測介紹
    • 發布時間:2021-10-22 18:06:05
    • 來源:
    • 閱讀次數:
    LM324的正負電源接法與檢測介紹
    LM324四運放電路具有電源電壓范圍寬,靜態功耗小,可單電源使用,價格低廉等優點,因此被廣泛應用在各種電路中。本文將介紹LM324 正負電源的接法及檢測方法。
    1.正負電源接法
    LM324有14條引腳,第4腳接電源正端,第11腳接電源負端。
    LM324內部有4 個相同的放大器,對稱排列,第4 腳和第11腳是Y對稱軸,接電源。供電方式可以是正負雙電源供電,也可以是單電源供電。
    (1)正負雙電源供電:第4腳接正電源VCC,第11腳接負電源VEE,輸入信號以雙電源的中點為零電位參考點,各輸入端通過平衡電阻接地而不是接負電源,如圖1所示(圖中以1個放大器為例)。
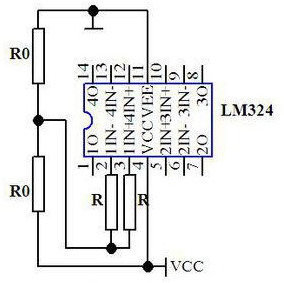
    (2)單電源供電:第4腳接電源正端VCC,第11腳接電源地,輸入和輸出信號以電源的中點(1/2)VCC為零電位參考點,其中兩只R0電阻要相等,以確保中點準確,各輸入端通過平衡電阻接電源中點(1/2)VCC而不是接電源地,如圖2所示(圖中以1個放大器為例)。
    LM324
    圖1 正負雙電源供電
    LM324
    圖2 單電源供電
    2.檢測方法
    LM324是由4個相同的運算放大器構成的,所以有4個相同功能的引腳 對地正、反向的電阻值基本一樣,就以8、9 、11、腳的運算放大器介紹檢測方法和阻值,其它檢測方法一樣。用萬用表的測二極管檔。
    LM324
    圖3 LM324引腳圖
    (1)a黑表筆接11腳,紅表筆8腳,阻值是1997。b黑表筆接8腳紅表筆接11腳,阻值約是658。c黑表筆接9腳,紅表筆接11腳,阻值是無群大。d黑表筆接11腳,紅表筆接9腳,阻值約為712。e黑表筆接10腳,紅表筆接11腳,阻值約為無群大。f黑表筆接11腳,紅表筆接10腳,阻值約為711。
    (2)供電端子對地阻值的檢測
    LM324的供電端是4和11腳,我們只需測正反電阻的阻值。a黑表筆接4腳,紅表筆接11腳,阻值約為581。b黑表筆接11腳,紅表筆接4腳,阻值約為1.272。
    〈烜芯微/XXW〉專業制造二極管,三極管,MOS管,橋堆等,20年,工廠直銷省20%,上萬家電路電器生產企業選用,專業的工程師幫您穩定好每一批產品,如果您有遇到什么需要幫助解決的,可以直接聯系下方的聯系號碼或加QQ/微信,由我們的銷售經理給您精準的報價以及產品介紹
     
    電話:18923864027(同微信)
    QQ:709211280

    相關閱讀