• <tr id="ii00i"></tr>
  • <nav id="ii00i"><sup id="ii00i"></sup></nav>
  • <nav id="ii00i"></nav>
  • <tfoot id="ii00i"><noscript id="ii00i"></noscript></tfoot>
    <tfoot id="ii00i"><noscript id="ii00i"></noscript></tfoot>
  • <tfoot id="ii00i"><noscript id="ii00i"></noscript></tfoot>
    天天成人综合网,亚洲人妻资源网,欧美精品网,国产黑丝袜在线观看视频,蜜桃av一卡二卡三卡,激情综合图区,亚洲avav,亚洲av电影天堂网

    您好!歡迎光臨烜芯微科技品牌官網!

    深圳市烜芯微科技有限公司

    ShenZhen XuanXinWei Technoligy Co.,Ltd
    二極管、三極管、MOS管、橋堆

    全國服務熱線:18923864027

  • 熱門關鍵詞:
  • 橋堆
  • 場效應管
  • 三極管
  • 二極管
  • 晶體管與其內部原理介紹
    • 發布時間:2021-09-28 18:37:00
    • 來源:
    • 閱讀次數:
    晶體管與其內部原理介紹
    晶體管
    內部
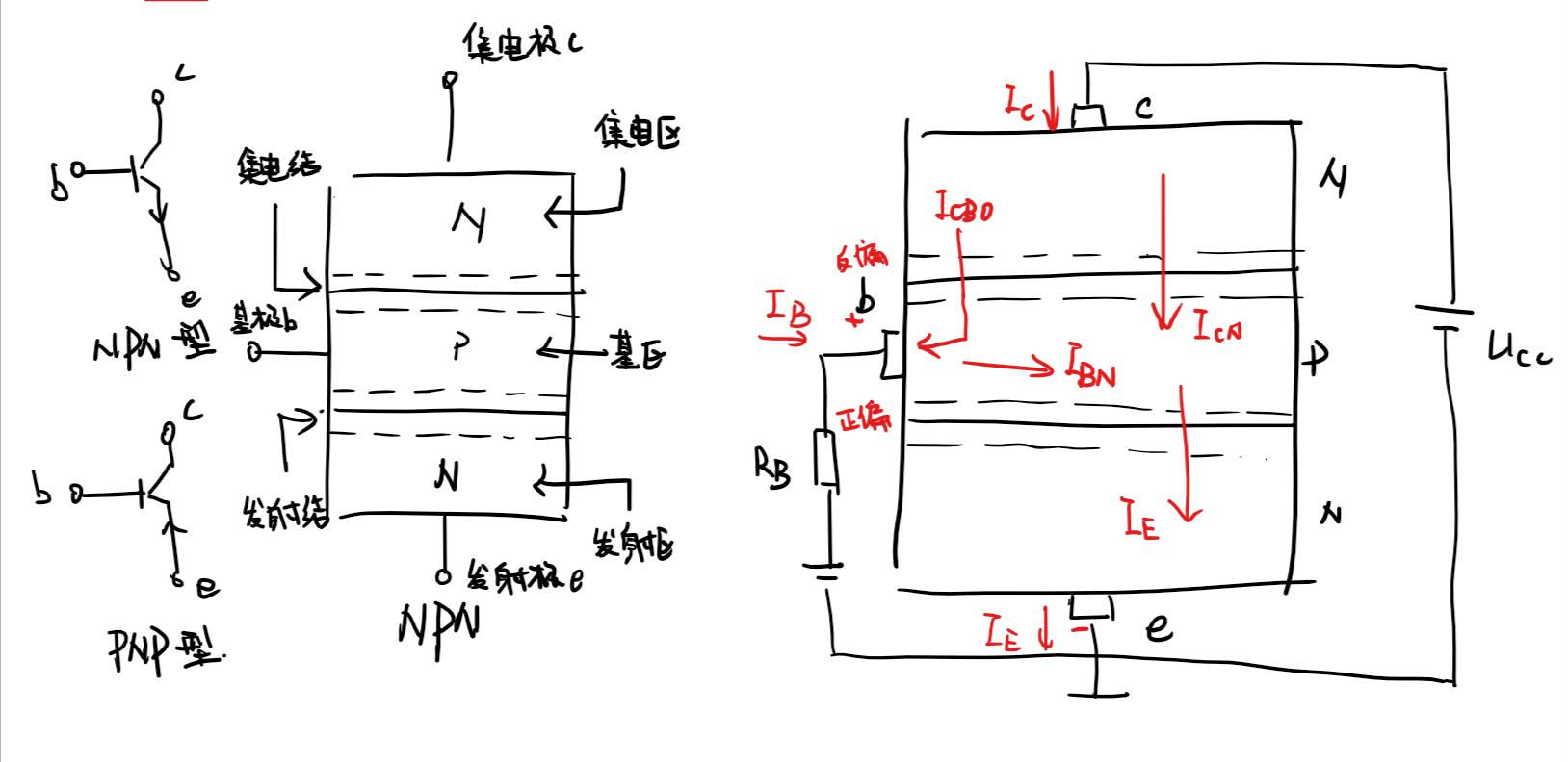
    了解了半導體后,我們開始了解晶體管,也叫三極管。其內部由兩個PN結組成,自然有PNP和NPN兩種,但這不重要。
    重要的是,晶體管分為發射極(e),基極(b),集電極(c)
    由于我們學習的是晶體管放大電路,需要保證的外部條件是發射結正偏,集電結反偏
    以NPN晶體管為例,我們探究其內部電流過程
    1.因為發射結正偏,N的載流子(帶負電)從N到P,產生P到N的電流IE
    2.由于1,發射結有很多電子。由于集電結反偏,基區形成你濃度差,電子從發射結向集電結擴散。擴散過程中有一部分從基極流走,這部分為基極主要電流IBN,因為帶負電,所以電流方向從外到內
    3.由于集電結反偏,電子會被吸引到集電結,形成從N到P的電流ICN
    4.由于反偏,集電區的電子基本流走,但空穴還在。集電區的空穴和基區電子在反偏的集電結作用下漂移形成從N到P的電流ICBO。此電流對放大沒有貢獻且不穩定,要盡量減小。
    晶體管
    綜上,有以上電流:
    5.發射極主要電流/發射極流出電流:IE
    6.基極主要電流:IBN
    7.集電極主要電流:ICN
    8.反向飽和電流:ICBO
    9.外部流入集電極電流:IC
    10.外部流入基極電流:IB
    電流分配
    從圖中容易看出,IC=ICBO+ICN,IB=IBN-ICBO
    我們把這個晶體管看作整體,忽略其內部電流,易得出:IE=IB+IC
    在ICBO很小的前提下,為了確定晶體管的放大性能,我們定義共基極直流放大系數:α=ICN/IE=(IC-ICBO)/IE=IC/IE,即IC流入的電流與IE流出電流的比值
    現在我們先不忽略ICBO,則α=(IC-ICBO)/IE,就有IE=(IC-ICBO)/α。為了探究IC和IB的關系,我們代入IE=IC+IB,有IC=αIB/(1-α)+ICBO/(1-α)
    在此引入共發射極直流放大系數β=α/(1-α),則IC=βIB+(1+β)ICBO。
    當基極開路,則IB=0,此時集電結流入電流全從發射極流出,我們引入穿透電流:ICEO=IC=(1+β)ICBO
    在ICEO遠小于IC的前提下則有:IC=βIB+ICEO=βIB,得出β=IC/IB,即IC流入的電流與IB流入的電流的比值
    注意:當α與β的比值是電流變化量的比值的時候,表示的是動態(交流工作狀態)時的電流放大特性
    特性曲線
    晶體管
    輸入特性:UCE不變,輸入回路的ib與uBE間的關系
    輸出特性:IB不變,輸出回路的ic與uCE間的關系
    輸出特性曲線可分為三個區域:
    1.放大區:發射結正偏,集電結反偏,即正常狀態。此時iC=βIB,與uCE無關;ic只受IB控制
    2.飽和區:發射結和集電結均正偏。iC隨uCE增大而增大,無放大作用
    3.截止區:發射結點壓過小,集電結反偏。IB=0,iC近似為0。
    〈烜芯微/XXW〉專業制造二極管,三極管,MOS管,橋堆等,20年,工廠直銷省20%,上萬家電路電器生產企業選用,專業的工程師幫您穩定好每一批產品,如果您有遇到什么需要幫助解決的,可以直接聯系下方的聯系號碼或加QQ/微信,由我們的銷售經理給您精準的報價以及產品介紹
     
    電話:18923864027(同微信)
    QQ:709211280

    相關閱讀