• <tr id="ii00i"></tr>
  • <nav id="ii00i"><sup id="ii00i"></sup></nav>
  • <nav id="ii00i"></nav>
  • <tfoot id="ii00i"><noscript id="ii00i"></noscript></tfoot>
    <tfoot id="ii00i"><noscript id="ii00i"></noscript></tfoot>
  • <tfoot id="ii00i"><noscript id="ii00i"></noscript></tfoot>
    天天成人综合网,亚洲人妻资源网,欧美精品网,国产黑丝袜在线观看视频,蜜桃av一卡二卡三卡,激情综合图区,亚洲avav,亚洲av电影天堂网

    您好!歡迎光臨烜芯微科技品牌官網!

    深圳市烜芯微科技有限公司

    ShenZhen XuanXinWei Technoligy Co.,Ltd
    二極管、三極管、MOS管、橋堆

    全國服務熱線:18923864027

  • 熱門關鍵詞:
  • 橋堆
  • 場效應管
  • 三極管
  • 二極管
  • 用二極管補償電路實現低成本的穩壓器電源電路設計
    • 發布時間:2021-06-15 17:48:17
    • 來源:
    • 閱讀次數:
    用二極管補償電路實現低成本的穩壓器電源電路設計
    下表列出了 5V CMOS 的輸入電壓閾值、 3.3VLVTTL 和 LVCMOS 的輸出驅動電壓。
    穩壓器電源電路
    從上表看出, 5V CMOS 輸入的高、低輸入電壓閾值均比 3.3V 輸出的閾值高約一伏。因此,即使來自 3.3V 系統的輸出能夠被補償,留給噪聲或元件容差的余地也很小或者沒有。我們需要的是能夠補償輸出并加大高低輸出電壓差的電路。
    穩壓器電源電路
    輸出電壓規范確定后,就已經假定:高輸出驅動的是輸出和地之間的負載,而低輸出驅動的是 3.3V和輸出之間的負載。如果高電壓閾值的負載實際上是在輸出和 3.3V 之間的話,那么輸出電壓實際上要高得多,因為拉高輸出的機制是負載電阻,而不是輸出三極管。
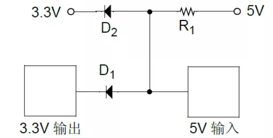
    如果我們設計一個二極管補償電路 (見圖 7-1),二極管 D1 的正向電壓  (典型值 0.7V)將會使輸出低電壓上升,在 5V CMOS 輸入得到 1.1V 至1.2V 的低電壓。它安全地處于 5V CMOS  輸入的低輸入電壓閾值之下。輸出高電壓由上拉電阻和連至3.3V 電源的二極管 D2 確定。這使得輸出高電壓大約比 3.3V 電源高  0.7V,也就是 4.0 到 4.1V,很安全地在 5V CMOS 輸入閾值 (3.5V)之上。
    注: 為了使電路工作正常,上拉電阻必須顯著小于 5V CMOS 輸入的輸入電阻,從而避免由于輸入端電阻分壓器效應而導致的輸出電壓下降。上拉電阻還必須足夠大,從而確保加載在 3.3V 輸出上的電流在器件規范之內。
    烜芯微專業制造二極管,三極管,MOS管,橋堆等20年,工廠直銷省20%,4000家電路電器生產企業選用,專業的工程師幫您穩定好每一批產品,如果您有遇到什么需要幫助解決的,可以點擊右邊的工程師,或者點擊銷售經理給您精準的報價以及產品介紹
    相關閱讀