• <tr id="ii00i"></tr>
  • <nav id="ii00i"><sup id="ii00i"></sup></nav>
  • <nav id="ii00i"></nav>
  • <tfoot id="ii00i"><noscript id="ii00i"></noscript></tfoot>
    <tfoot id="ii00i"><noscript id="ii00i"></noscript></tfoot>
  • <tfoot id="ii00i"><noscript id="ii00i"></noscript></tfoot>
    天天成人综合网,亚洲人妻资源网,欧美精品网,国产黑丝袜在线观看视频,蜜桃av一卡二卡三卡,激情综合图区,亚洲avav,亚洲av电影天堂网

    您好!歡迎光臨烜芯微科技品牌官網!

    深圳市烜芯微科技有限公司

    ShenZhen XuanXinWei Technoligy Co.,Ltd
    二極管、三極管、MOS管、橋堆

    全國服務熱線:18923864027

  • 熱門關鍵詞:
  • 橋堆
  • 場效應管
  • 三極管
  • 二極管
  • LM324N中文資料-LM324N引腳圖與功能
    • 發布時間:2021-06-04 18:50:36
    • 來源:
    • 閱讀次數:
    LM324N中文資料-LM324N引腳圖與功能
    LM324N是高增益電壓運算放大器
    LM324N 中文資料
    Lm324n 是一個具有差分輸入和單端輸出的高增益電壓放大器。
    它是這樣設計的,輸入端之間的電壓差產生一個更大幅度的輸出信號。
    它由四個獨立的運放組成,合并在一個單一的 14 針 DIP 包。
    運算放大器是模擬計算機中用來在非線性和線性電路中執行許多數學運算的初始器件。
    Lm324n 主要工作在一個單一的電源和寬范圍的電壓。
    我們也可以在分割電源上操作這個裝置,但是,電源電流的漏出并不取決于電源電壓的強弱。
    由于該運放具有負反饋特性,因此該電路的帶寬、阻抗和輸入端等特性不影響制造過程的變化和溫度系數。
    運放廣泛應用于許多電子領域,如振蕩器、整流器和比較器,是目前最常見的科學器件。
    該放大器的輸出電壓為接地,也允許直接檢測接地。Lm324n 兼容各種形式的邏輯電路。
    該放大器的電源漏極適用于電池操作。
    在線性操作模式下,電壓范圍在地電壓和輸出電壓之間。
    該放大器的單位增益、交叉頻率和輸入偏置電流進行了溫度補償。
    通常,運算放大器放大輸入電壓之間的差值,通常稱為輸入電壓差。
    該放大器的差分輸入由逆變輸入電壓 V_ 和非逆變輸入電壓 V+組成。該運放的輸出由
    V(out)= AoL(V+ _)
    這里 AoL 代表放大器的開環增益。因為它是開環增益,所以它不包含從輸出到輸入的反饋。
    AoL 的規模非常大,有時可達 100,000,所以非逆變電壓和逆變電壓之間的微小差異將輸出電壓放大到接近電源電壓。
    輸出電壓等于或大于輸入電壓的狀態稱為放大器的飽和狀態。
    需要注意的是,開環放大器的增益大小不能由制造過程控制,因此開環放大器不能作為單獨的差動放大器使用。
    運放在沒有負反饋的情況下表現得像一個比較器。
    如果在非逆變端施加正電壓,通過電阻將逆變端接地,則輸出最大正電壓;如果在非逆變端施加負電壓,則輸出最大負電壓。
    引腳圖及功能
    LM324N
    LM324N 內含 4 個獨立的高增益、頻率補償的運算放大器,既可接單電源使用 (3~30 V),也可接雙電源使用(±1.5~±15 V),驅動功耗低,可與 TTL 邏輯電路相容。
    工作原理
    由于大的輸入差動電壓不能顯示大的電流,因此不需要二極管進行差動電壓保護。
    差動輸入電壓可以超過輸入正電壓而不傷害器件。
    但是,為了避免輸入電壓在低于 _ 0.3 V 時過負,必須要有保護措施。一個帶有電阻的簡單二極管可以作為電壓輸入端的保護。
    為了使功率損耗最小化,這些放大器對于小信號有 A 類輸出級,而對于大信號則有 B 類輸出級。
    這個動作導致放大器吸收和產生大電流。NPN 和 PNP 電阻都可以用來提高基本放大器的功率強度。
    在大多數交流應用中,負載的輸出端與放大器電容連接,為了避免交叉失真和增強 A 級偏置電流,放大器的輸出端和接地端必須連接一個電阻。
    當輸出負載直接與放大器連接時,觀察不到交叉失真。
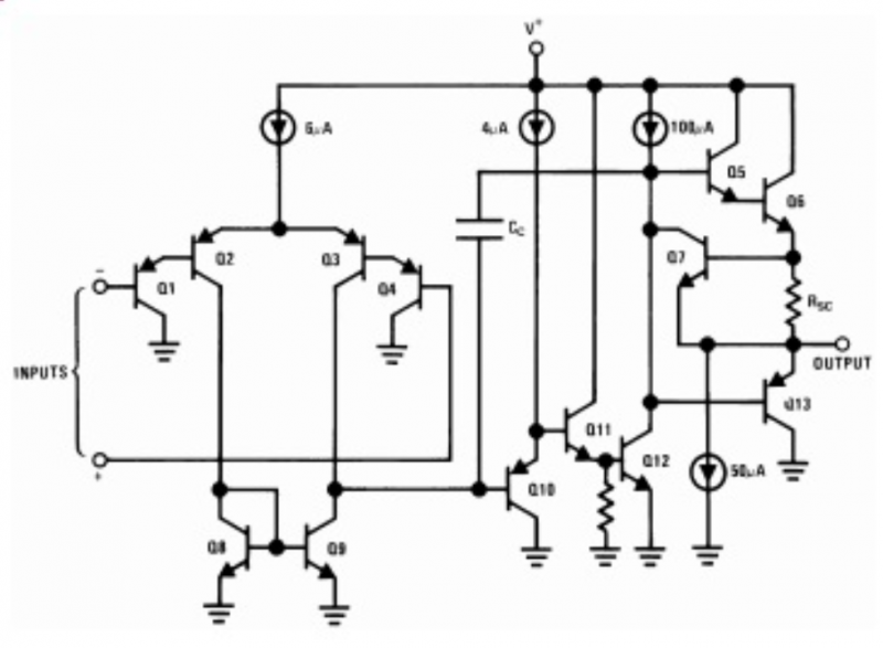
    內部結構
    LM324N
    作用和用途
    LM324N 廣泛用于換能器放大器中。
    直流增益塊和常規放大器電路主要由 Lm324n 組成。
    它可以用作整流器,振蕩器和比較器。
    短路保護輸出
    真正的差分輸入級
    單電源供電:3.0 V 至 32 V(LM224、LM324、LM324A)
    低輸入偏置電流:100nA 最大值(LM324A)
    每個封裝有 4 個放大器
    內部補償
    共模范圍擴展至負電源
    行業標準的引腳分配
    輸入端的 ESD 鉗位提高了可靠性,且不影響器件工作
    提供無鉛封裝
    烜芯微專業制造二極管,三極管,MOS管,橋堆等20年,工廠直銷省20%,4000家電路電器生產企業選用,專業的工程師幫您穩定好每一批產品,如果您有遇到什么需要幫助解決的,可以點擊右邊的工程師,或者點擊銷售經理給您精準的報價以及產品介紹
    相關閱讀