• <tr id="ii00i"></tr>
  • <nav id="ii00i"><sup id="ii00i"></sup></nav>
  • <nav id="ii00i"></nav>
  • <tfoot id="ii00i"><noscript id="ii00i"></noscript></tfoot>
    <tfoot id="ii00i"><noscript id="ii00i"></noscript></tfoot>
  • <tfoot id="ii00i"><noscript id="ii00i"></noscript></tfoot>
    天天成人综合网,亚洲人妻资源网,欧美精品网,国产黑丝袜在线观看视频,蜜桃av一卡二卡三卡,激情综合图区,亚洲avav,亚洲av电影天堂网

    您好!歡迎光臨烜芯微科技品牌官網!

    深圳市烜芯微科技有限公司

    ShenZhen XuanXinWei Technoligy Co.,Ltd
    二極管、三極管、MOS管、橋堆

    全國服務熱線:18923864027

  • 熱門關鍵詞:
  • 橋堆
  • 場效應管
  • 三極管
  • 二極管
  • 用基極三極管BT33制作的觸摸開關燈電路介紹
    • 發布時間:2021-02-25 17:03:14
    • 來源:
    • 閱讀次數:
    用基極三極管BT33制作的觸摸開關燈電路介紹
    三極管
    BT33管腳排列圖 
    三極管
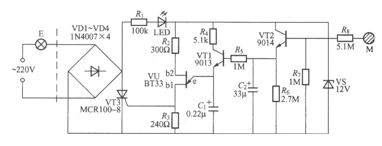
    觸摸式漸暗延遲燈電路 
    本電路圖所用到的元器件: 
    MMCR100-8 9013 9014 BT33 
    觸摸式漸暗延遲燈電路如圖所示,電路特點:開燈時只要摸一下觸摸片,燈即亮,延遲數十秒后,燈不是馬上熄滅,而是逐漸變暗,直至熄滅。該觸摸開關對外也僅兩根引出線,可以直接取代普通燈開關,而不必更改室內原有布線。該電路每觸摸一次M,電燈可點亮45~60s左右,若想更改延遲時間,可以調整C1或R4值。
    烜芯微專業制造二極管,三極管,MOS管,橋堆等,20年,工廠直銷省20%,1500家電路電器生產企業選用,專業的工程師幫您穩定好每一批產品,如果您有遇到什么需要幫助解決的,可以直接聯系上方的聯系號碼或加QQ,由我們的銷售經理給您精準的報價以及產品介紹
    相關閱讀