• <tr id="ii00i"></tr>
  • <nav id="ii00i"><sup id="ii00i"></sup></nav>
  • <nav id="ii00i"></nav>
  • <tfoot id="ii00i"><noscript id="ii00i"></noscript></tfoot>
    <tfoot id="ii00i"><noscript id="ii00i"></noscript></tfoot>
  • <tfoot id="ii00i"><noscript id="ii00i"></noscript></tfoot>
    天天成人综合网,亚洲人妻资源网,欧美精品网,国产黑丝袜在线观看视频,蜜桃av一卡二卡三卡,激情综合图区,亚洲avav,亚洲av电影天堂网

    您好!歡迎光臨烜芯微科技品牌官網!

    深圳市烜芯微科技有限公司

    ShenZhen XuanXinWei Technoligy Co.,Ltd
    二極管、三極管、MOS管、橋堆

    全國服務熱線:18923864027

  • 熱門關鍵詞:
  • 橋堆
  • 場效應管
  • 三極管
  • 二極管
  • 雙向觸發二極管典型應用電路圖解
    • 發布時間:2021-02-02 17:40:04
    • 來源:
    • 閱讀次數:
    雙向觸發二極管典型應用電路圖解
    雙向觸發二極管是一種壓敏負阻器件。在一般情況下,雙向觸發二極管呈高阻截止狀態,當外加電壓(不分正負)的幅值大于雙向觸發二極管的轉折電壓時,它便會擊穿導通。
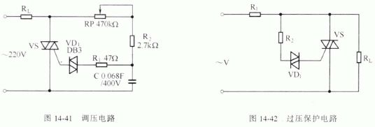
    1.雙向觸發二極管在可控硅調壓電路中的應用
    雙向觸發二極管觸發雙向可控硅的調壓電路是觸發二極管的一種典型應用電路。圖14-41所示的就是采用這種電路構成的交流調壓電路。
    當電路接通交流市電后,交流市電便通過負載電阻R1、電位器RP 、電阻R2 向電容器C充電只要電容器C上的充電電壓高于雙向觸發二極管的轉折電壓.電容器C 便通過限流電阻R1以及雙向觸發二假管VD1向雙向可控硅VS的控制極放電.觸發可控硅VS 導通。改變電位器RP的阻值便可改變向C充電的速度.也就改變了 雙向可控硅的導通角。由于雙向觸發二極管在正、反電壓下均能工作,所以整個電路可以工作于交流電的正 、負兩個半周。
    雙向觸發二極管應用電路
    2,過壓保護電路
    圖14 -42 所示的是由雙向觸發二極管與雙向可控硅組成的過壓保護電路。電壓正常工作時加在雙向觸發二極管兩端的電壓小于轉折電壓. VD1不導通,雙向可控硅處于截止狀態,負載RL可得到正常的供電。當供電電壓超出限定值時,加在雙向觸發二極管兩端的電壓便會大于轉折電壓, VD1導通并觸發雙向可控硅使其也導通,使負載RL免受過壓損害。
    正常值相差較大時,則說明該二極管已損壞。
    烜芯微專業制造二極管,三極管,MOS管,橋堆等20年,工廠直銷省20%,4000家電路電器生產企業選用,專業的工程師幫您穩定好每一批產品,如果您有遇到什么需要幫助解決的,可以點擊右邊的工程師,或者點擊銷售經理給您精準的報價以及產品介紹
    相關閱讀