• <tr id="ii00i"></tr>
  • <nav id="ii00i"><sup id="ii00i"></sup></nav>
  • <nav id="ii00i"></nav>
  • <tfoot id="ii00i"><noscript id="ii00i"></noscript></tfoot>
    <tfoot id="ii00i"><noscript id="ii00i"></noscript></tfoot>
  • <tfoot id="ii00i"><noscript id="ii00i"></noscript></tfoot>
    天天成人综合网,亚洲人妻资源网,欧美精品网,国产黑丝袜在线观看视频,蜜桃av一卡二卡三卡,激情综合图区,亚洲avav,亚洲av电影天堂网

    您好!歡迎光臨烜芯微科技品牌官網!

    深圳市烜芯微科技有限公司

    ShenZhen XuanXinWei Technoligy Co.,Ltd
    二極管、三極管、MOS管、橋堆

    全國服務熱線:18923864027

  • 熱門關鍵詞:
  • 橋堆
  • 場效應管
  • 三極管
  • 二極管
  • 利用二極管節約多點控制電燈的布線
    • 發布時間:2021-01-25 18:22:25
    • 來源:
    • 閱讀次數:
    利用二極管節約多點控制電燈的布線
    在樓宇或家居布線中,常采用兩只單刀雙擲開關實現樓道中兩地控制白熾燈的亮滅,這種控制電路的典型電路如圖1所示。這種設計方式在功能實現中表現出的不足是:兩只單刀雙擲開關之間需用兩根同長度的電線,增加了燈光控制的投資成本。在工程實踐中,筆者摸索出一種設計技巧,在不改變原開關結構,僅需增加4只二極管就能達到同樣的燈光控制目的,且可節省原兩只開關之間的一根電線,又能方便后期維護工作,從而節約布線的投資成本或后期的維護成本。
    二極管
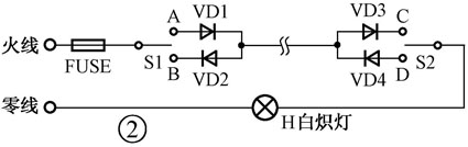
    本電路是利用二極管的單向導電特性對圖1線路進行改進。在實踐中只需在原開關S1或 S2兩個輸入或輸出接線柱上分別接入一只二極管(1N4007等,注意其連接的極性),再將兩只二極管另外一端與連接導線相互焊接起來,焊點處需用絕緣膠布包扎,線路如圖2所示。
    二極管
    在圖2線路中,當開關S1接至A端,開關S2接至C端時,在交流電的正半周期間,白熾燈H將通過工作電流,白熾燈處于發光照明狀態,其兩端將得到有效值為UL=0.45Ui=0.45×220V=99V的電壓,所以這種連接方式將影響照明光線的亮度。當開關S1接至A端,開關S2接至D端時,由于二極管的單向導電特性,在交流電的正、負半周期間,白熾燈L均無工作電流通過,白熾燈處于熄滅狀態,起到在不同地點控制同一盞白熾燈工作狀態的功能。
    當開關S1接至B端,開關S2接至C端或當開關S1接至B端,開關S2接至D端時,電路工作原理分析同上。
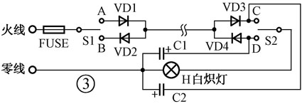
    實踐證明這是一種行之有效的設計方案,如需照顧到照明光線的亮度,可購買比原功率高一倍的白熾燈以解決亮度下降的不足。例如,原采用20W功率的白熾燈,現可采購40W功率的白熾燈來彌補這一缺陷。若需要保持原白熾燈的功率不變,就需對圖2線路做進一步的改進,即在原線路基礎上再增加兩只4.7μF/400V的濾波電容C1、C2,線路如圖3所示。改進后的電路還可以作為電工維修的一種后備方案,因為現在大部分家居基本上是采用暗線布線方式,在線路故障維護中,較難從暗管內重新安裝一條電線。當原線路中有一條電線未損壞,即可采用圖2或圖3的電路加以改造維護,以恢復原來的燈光控制功能。
    二極管
    電子愛好者可參考上述的設計思路,對其他系統進行相應功能的修改與擴展,從而實現更具個性化要求、實用的線路功能。圖4給出了三個地點控制一盞燈的改進電路圖,其他線路可以依此設計思路加以應用。
    二極管
    烜芯微專業制造二極管,三極管,MOS管,橋堆等20年,工廠直銷省20%,4000家電路電器生產企業選用,專業的工程師幫您穩定好每一批產品,如果您有遇到什么需要幫助解決的,可以點擊右邊的工程師,或者點擊銷售經理給您精準的報價以及產品介紹
    相關閱讀