• <tr id="ii00i"></tr>
  • <nav id="ii00i"><sup id="ii00i"></sup></nav>
  • <nav id="ii00i"></nav>
  • <tfoot id="ii00i"><noscript id="ii00i"></noscript></tfoot>
    <tfoot id="ii00i"><noscript id="ii00i"></noscript></tfoot>
  • <tfoot id="ii00i"><noscript id="ii00i"></noscript></tfoot>
    天天成人综合网,亚洲人妻资源网,欧美精品网,国产黑丝袜在线观看视频,蜜桃av一卡二卡三卡,激情综合图区,亚洲avav,亚洲av电影天堂网

    您好!歡迎光臨烜芯微科技品牌官網!

    深圳市烜芯微科技有限公司

    ShenZhen XuanXinWei Technoligy Co.,Ltd
    二極管、三極管、MOS管、橋堆

    全國服務熱線:18923864027

  • 熱門關鍵詞:
  • 橋堆
  • 場效應管
  • 三極管
  • 二極管
  • IGBT雙脈沖測試原理分析
    • 發布時間:2021-01-19 17:58:59
    • 來源:
    • 閱讀次數:
    IGBT雙脈沖測試原理分析
    通常我們對某款IGBT的認識主要是通過閱讀相應的datasheet,數據手冊中所描述的參數是基于一些已經給定的外部參數條件測試得來的,而實際應用中的外部參數都是個性化的,往往會有所不同,因此這些參數有些是不能直接拿來使用的。
    因此可以通過雙脈沖測試,對IGBT的性能進行更為準確的評估。
    雙脈沖測試的主要功能如下:
    1、測量IGBT的各項動態參數(td>r、Eon、td off、tf、Eoff 等);
    2、通過觀察IGBT的柵極波形,評估IGBT驅動板是否能為IGBT開啟提供足夠的驅動電流;
    3、獲取IGBT在開通、關斷過程的主要參數,以評估Rgon與Rgoff的選擇是否合適;
    4、觀察開通、關斷過程是否有電壓尖峰,評估實際應用是否需要吸收電路;
    5、評估二極管的反向恢復行為和安全裕量;
    6、測量母排的雜散電感;
    雙脈沖測試原理:
    IGBT雙脈沖測試原理
    IGBT雙脈沖測試原理解析
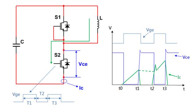
    圖1 雙脈沖測試平臺的電路及理想波形
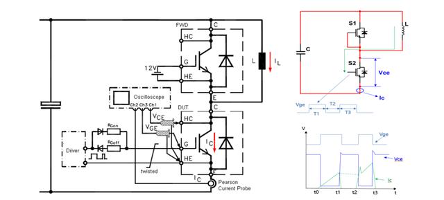
    IGBT雙脈沖測試的實測電路及電路拓撲如圖1所示。
    用高壓隔離探頭測量Vce及Vge的電壓大小,用羅氏線圈測量電流Ic的大小,測試結果通過示波器進行監控;上管IGBT的Vge加負壓或直接短路,因此它是關斷的,只有其并聯的二極管起續流作用,在實際測試過程中可以用二極管替代。具體測試原理如下:
    IGBT雙脈沖測試原理
    圖2 雙脈沖測試原理及波形
    如圖2所示,在t0時刻,被測IGBT的門極接收到第一個脈沖,被測IGBT導通,母線電壓U加在負載電感L上,電感上的電流線性上升,表達式為:
    IGBT雙脈沖測試原理
    IGBT關斷前的t1時刻,電感電流的數值由U和L決定;在U和L都確定時,電流的數值由IGBT開啟的脈寬T1決定,開啟時間越長,電流越大。
    因此可以通過改變脈沖寬度的大小,自主設定電流的數值。
    t1時刻,IGBT關斷,因為母線雜散電感Ls的存在,會產生一定的電壓尖峰,該尖峰大小為
    IGBT雙脈沖測試原理
    在該時刻,重點是觀察IGBT的關斷過程,電壓尖峰是重要的監控對象。
    IGBT雙脈沖測試原理
    圖3 雙脈沖測試原理及波形
    如圖3所示,t1到t2之間,IGBT關斷,此時電流流向如原理圖綠線所示,負載的電流L的電流由上管二極管續流,該電流緩慢衰減,如圖3波形圖虛線所示。
    由于電流探頭放在下管的發射極處,因此,在二極管續流時,示波器無法顯示該電流。
    IGBT雙脈沖測試原理
    圖4 雙脈沖測試原理及波形
    如圖4所示,在t2時刻,被測IGBT 再次導通,續流二極管進入反向恢復狀態,反向恢復電流會穿過IGBT,此時電流探頭所測得的Ic為FRD反向電流與電感電流疊加,產生如波形圖所示的電流尖峰。
    在該時刻,重點是觀察IGBT的開通過程,電流峰值是重要的監控對象,同時應注意觀察柵極波形是否存在震蕩現象。
    IGBT雙脈沖測試原理
    圖5 雙脈沖測試原理及波形
    如圖5所示,在t3時刻,被測IGBT再次關斷,與第一次關斷相同,因為母線雜散電感Ls的存在,會產生一定的電壓尖峰。
    在該時刻,重點是觀察關斷之后電壓和電流是否存在不合適的震蕩。
    根據上述原理,IGBT的實測波形如下所示:
    C1通道(黃線):Vce、 C2通道(紫線):Vge、 C3通道(藍線):Ic
    IGBT雙脈沖測試原理
    圖6 IGBT雙脈沖測試波形——關斷時刻波形
    IGBT雙脈沖測試原理
    圖7 IGBT雙脈沖測試波形——開啟時刻波形
    烜芯微專業制造二極管,三極管,MOS管,橋堆等20年,工廠直銷省20%,4000家電路電器生產企業選用,專業的工程師幫您穩定好每一批產品,如果您有遇到什么需要幫助解決的,可以點擊右邊的工程師,或者點擊銷售經理給您精準的報價以及產品介紹
    相關閱讀