• <tr id="ii00i"></tr>
  • <nav id="ii00i"><sup id="ii00i"></sup></nav>
  • <nav id="ii00i"></nav>
  • <tfoot id="ii00i"><noscript id="ii00i"></noscript></tfoot>
    <tfoot id="ii00i"><noscript id="ii00i"></noscript></tfoot>
  • <tfoot id="ii00i"><noscript id="ii00i"></noscript></tfoot>
    天天成人综合网,亚洲人妻资源网,欧美精品网,国产黑丝袜在线观看视频,蜜桃av一卡二卡三卡,激情综合图区,亚洲avav,亚洲av电影天堂网

    您好!歡迎光臨烜芯微科技品牌官網!

    深圳市烜芯微科技有限公司

    ShenZhen XuanXinWei Technoligy Co.,Ltd
    二極管、三極管、MOS管、橋堆

    全國服務熱線:18923864027

  • 熱門關鍵詞:
  • 橋堆
  • 場效應管
  • 三極管
  • 二極管
  • 二極管的七種應用電路與詳解
    • 發布時間:2020-12-01 17:28:14
    • 來源:
    • 閱讀次數:
    二極管的七種應用電路與詳解
    許多初學者對二極管很“熟悉”,提起二極管的特性可以脫口而出它的單向導電特性,說到它在電路中的應用第一反應是整流,對二極管的其他特性和應用了解不多,認識上也認為掌握了二極管的單向導電特性,就能分析二極管參與的各種電路,實際上這樣的想法是錯誤的,而且在某種程度上是害了自己,因為這種定向思維影響了對各種二極管電路工作原理的分析,許多二極管電路無法用單向導電特性來解釋其工作原理。
    二極管除單向導電特性外,還有許多特性,很多的電路中并不是利用單向導電特性就能分析二極管所構成電路的工作原理,而需要掌握二極管更多的特性才能正確分析這些電路,例如二極管構成的簡易直流穩壓電路,二極管構成的溫度補償電路等。
    一 、二極管簡易直流穩壓電路及故障處理
    二極管簡易穩壓電路主要用于一些局部的直流電壓供給電路中,由于電路簡單,成本低,所以應用比較廣泛。
    二極管簡易穩壓電路中主要利用二極管的管壓降基本不變特性。
    二極管的管壓降特性:二極管導通后其管壓降基本不變,對硅二極管而言這一管壓降是0.6V左右,對鍺二極管而言是0.2V左右。
    如圖9-40所示是由普通3只二極管構成的簡易直流穩壓電路。電路中的VD1、VD2和VD3是普通二極管,它們串聯起來后構成一個簡易直流電壓穩壓電路。
    二極管應用電路
    圖9-40 3只普通二極管構成的簡易直流穩壓電路
    1.電路分析思路說明
    分析一個從沒有見過的電路工作原理是困難的,對基礎知識不全面的初學者而言就更加困難了。
    關于這一電路的分析思路主要說明如下。
    (1)從電路中可以看出3只二極管串聯,根據串聯電路特性可知,這3只二極管如果導通會同時導通,如果截止會同時截止。
    (2)根據二極管是否導通的判斷原則分析,在二極管的正極接有比負極高得多的電壓,無論是直流還是交流的電壓,此時二極管均處于導通狀態。從電路中可以看出,在VD1正極通過電阻R1接電路中的直流工作電壓+V,VD3的負極接地,這樣在3只串聯二極管上加有足夠大的正向直流電壓。由此分析可知,3只二極管VD1、VD2和VD3是在直流工作電壓+V作用下導通的。
    (3)從電路中還可以看出,3只二極管上沒有加入交流信號電壓,因為在VD1正極即電路中的A點與地之間接有大容量電容C1,將A點的任何交流電壓旁路到地端。
    2.二極管能夠穩定直流電壓原理說明
    電路中,3只二極管在直流工作電壓的正向偏置作用下導通,導通后對這一電路的作用是穩定了電路中A點的直流電壓。
    眾所周知,二極管內部是一個PN結的結構,PN結除單向導電特性之外還有許多特性,其中之一是二極管導通后其管壓降基本不變,對于常用的硅二極管而言導通后正極與負極之間的電壓降為0.6V。
    根據二極管的這一特性,可以很方便地分析由普通二極管構成的簡易直流穩壓電路工作原理。3只二極管導通之后,每只二極管的管壓降是0.6V,那么3只串聯之后的直流電壓降是0.6×3=1.8V。
    3.故障檢測方法
    檢測這一電路中的3只二極管最為有效的方法是測量二極管上的直流電壓,如圖9-41所示是測量時接線示意圖。如果測量直流電壓結果是1.8V左右,說明3只二極管工作正常;如果測量直流電壓結果是0V,要測量直流工作電壓+V是否正常和電阻R1是否開路,與3只二極管無關,因為3只二極管同時擊穿的可能性較小;如果測量直流電壓結果大于1.8V,檢查3只二極管中有一只開路故障。
    二極管應用電路
    圖9-41 測量二極管上直流電壓接線示意圖
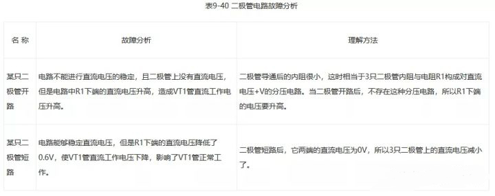
    4.電路故障分析
    如表9-40所示是這一二極管電路故障分析
    二極管應用電路
    5.電路分析細節說明
    關于上述二極管簡易直流電壓穩壓電路分析細節說明如下。
    (1)在電路分析中,利用二極管的單向導電性可以知道二極管處于導通狀態,但是并不能說明這幾只二極管導通后對電路有什么具體作用,所以只利用單向導電特性還不能夠正確分析電路工作原理。
    (2)二極管眾多的特性中只有導通后管壓降基本不變這一特性能夠最為合理地解釋這一電路的作用,所以依據這一點可以確定這一電路是為了穩定電路中A點的直流工作電壓。
    (3)電路中有多只元器件時,一定要設法搞清楚實現電路功能的主要元器件,然后圍繞它進行展開分析。分析中運用該元器件主要特性,進行合理解釋。
    二、二極管溫度補償電路及故障處理
    眾所周知,PN結導通后有一個約為0.6V(指硅材料PN結)的壓降,同時PN結還有一個與溫度相關的特性:PN結導通后的壓降基本不變,但不是不變,PN結兩端的壓降隨溫度升高而略有下降,溫度愈高其下降的量愈多,當然PN結兩端電壓下降量的絕對值對于0.6V而言相當小,利用這一特性可以構成溫度補償電路。如圖9-42所示是利用二極管溫度特性構成的溫度補償電路。
    二極管應用電路
    圖9-42 二極管溫度補償電路
    對于初學者來講,看不懂電路中VT1等元器件構成的是一種放大器,這對分析這一電路工作原理不利。
    在電路分析中,熟悉VT1等元器件所構成的單元電路功能,對分析VD1工作原理有著積極意義。了解了單元電路的功能,一切電路分析就可以圍繞它進行展開,做到有的放矢、事半功倍。
    1.需要了解的深層次電路工作原理
    分析這一電路工作原理需要了解下列兩個深層次的電路原理。
    (1)VT1等構成一種放大器電路,對于放大器而言要求它的工作穩定性好,其中有一條就是溫度高低變化時三極管的靜態電流不能改變,即VT1基極電流不能隨溫度變化而改變,否則就是工作穩定性不好。了解放大器的這一溫度特性,對理解VD1構成的溫度補償電路工作原理非常重要。
    (2)三極管VT1有一個與溫度相關的不良特性,即溫度升高時,三極管VT1基極電流會增大,溫度愈高基極電流愈大,反之則小,顯然三極管VT1的溫度穩定性能不好。由此可知,放大器的溫度穩定性能不良是由于三極管溫度特性造成的。
    2.三極管偏置電路分析
    電路中,三極管VT1工作在放大狀態時要給它一定的直流偏置電壓,這由偏置電路來完成。電路中的R1、VD1和R2構成分壓式偏置電路,為三極管VT1基極提供直流工作電壓,基極電壓的大小決定了VT1基極電流的大小。如果不考慮溫度的影響,而且直流工作電壓+V的大小不變,那么VT1基極直流電壓是穩定的,則三極管VT1的基極直流電流是不變的,三極管可以穩定工作。
    在分析二極管VD1工作原理時還要搞清楚一點:VT1是NPN型三極管,其基極直流電壓高,則基極電流大;反之則小。
    3.二極管VD1溫度補償電路分析
    根據二極管VD1在電路中的位置,對它的工作原理分析思路主要說明下列幾點:
    (1)VD1的正極通過R1與直流工作電壓+V相連,而它的負極通過R2與地線相連,這樣VD1在直流工作電壓+V的作用下處于導通狀態。理解二極管導通的要點是:正極上電壓高于負極上電壓。
    (2)利用二極管導通后有一個0.6V管壓降來解釋電路中VD1的作用是行不通的,因為通過調整R1和R2的阻值大小可以達到VT1基極所需要的直流工作電壓,根本沒有必要通過串入二極管VD1來調整VT1基極電壓大小。
    (3)利用二極管的管壓降溫度特性可以正確解釋VD1在電路中的作用。假設溫度升高,根據三極管特性可知,VT1的基極電流會增大一些。當溫度升高時,二極管VD1的管壓降會下降一些,VD1管壓降的下降導致VT1基極電壓下降一些,結果使VT1基極電流下降。由上述分析可知,加入二極管VD1后,原來溫度升高使VT1基極電流增大的,現在通過VD1電路可以使VT1基極電流減小一些,這樣起到穩定三極管VT1基極電流的作用,所以VD1可以起溫度補償的作用。
    (4)三極管的溫度穩定性能不良還表現為溫度下降的過程中。在溫度降低時,三極管VT1基極電流要減小,這也是溫度穩定性能不好的表現。接入二極管VD1后,溫度下降時,它的管壓降稍有升高,使VT1基極直流工作電壓升高,結果VT1基極電流增大,這樣也能補償三極管VT1溫度下降時的不穩定。
    4.電路分析細節說明
    電路分析的細節說明如下。
    (1)在電路分析中,若能運用元器件的某一特性去合理地解釋它在電路中的作用,說明電路分析很可能是正確的。例如,在上述電路分析中,只能用二極管的溫度特性才能合理解釋電路中VD1的作用。
    (2)溫度補償電路的溫度補償是雙向的,即能夠補償由于溫度升高或降低而引起的電路工作的不穩定性。
    (3)分析溫度補償電路工作原理時,要假設溫度的升高或降低變化,然后分析電路中的反應過程,得到正確的電路反饋結果。在實際電路分析中,可以只設溫度升高進行電路補償的分析,不必再分析溫度降低時電路補償的情況,因為溫度降低的電路分析思路、過程是相似的,只是電路分析的每一步變化相反。
    (4)在上述電路分析中,VT1基極與發射極之間PN結(發射結)的溫度特性與VD1溫度特性相似,因為它們都是PN結的結構,所以溫度補償的結果比較好。
    (5)在上述電路中的二極管VD1,對直流工作電壓+V的大小波動無穩定作用,所以不能補償由直流工作電壓+V大小波動造成的VT1管基極直流工作電流的不穩定性。
    5.故障檢測方法和電路故障分析
    這一電路中的二極管VD1故障檢測方法比較簡單,可以用萬用表歐姆檔在路測量VD1正向和反向電阻大小的方法。
    當VD1出現開路故障時,三極管VT1基極直流偏置電壓升高許多,導致VT1管進入飽和狀態,VT1可能會發燒,嚴重時會燒壞VT1。如果VD1出現擊穿故障,會導致VT1管基極直流偏置電壓下降0.6V,三極管VT1直流工作電流減小,VT1管放大能力減小或進入截止狀態。
    三、極管控制電路及故障處理
    二極管導通之后,它的正向電阻大小隨電流大小變化而有微小改變,正向電流愈大,正向電阻愈小;反之則大。
    利用二極管正向電流與正向電阻之間的特性,可以構成一些自動控制電路。如圖9-43所示是一種由二極管構成的自動控制電路,又稱ALC電路(自動電平控制電路),它在磁性錄音設備中(如卡座)的錄音電路中經常應用。
    二極管應用電路
    圖9-43 二極管構成的自動控制電路
    1.電路分析準備知識說明
    二極管的單向導電特性只是說明了正向電阻小、反向電阻大,沒有說明二極管導通后還有哪些具體的特性。
    二極管正向導通之后,它的正向電阻大小還與流過二極管的正向電流大小相關。盡管二極管正向導通后的正向電阻比較小(相對反向電阻而言),但是如果增加正向電流,二極管導通后的正向電阻還會進一步下降,即正向電流愈大,正向電阻愈小,反之則大。
    不熟悉電路功能對電路工作原理很不利,在了解電路功能的背景下能有的放矢地分析電路工作原理或電路中某元器件的作用。
    ALC電路在錄音機、卡座的錄音卡中,錄音時要對錄音信號的大小幅度進行控制,了解下列幾點具體的控制要求有助于分析二極管VD1自動控制電路。
    (1)在錄音信號幅度較小時,不控制錄音信號的幅度。
    (2)當錄音信號的幅度大到一定程度后,開始對錄音信號幅度進行控制,即對信號幅度進行衰減,對錄音信號幅度控制的電路就是ALC電路。
    (3)ALC電路進入控制狀態后,要求錄音信號愈大,對信號的衰減量愈大。
    通過上述說明可知,電路分析中要求自己有比較全面的知識面,這需要在不斷的學習中日積月累。
    2.電路工作原理分析思路說明
    關于這一電路工作原理的分析思路主要說明下列幾點:
    (1)如果沒有VD1這一支路,從第一級錄音放大器輸出的錄音信號全部加到第二級錄音放大器中。但是,有了VD1這一支路之后,從第一級錄音放大器輸出的錄音信號有可能會經過C1和導通的VD1流到地端,形成對錄音信號的分流衰減。
    (2)電路分析的第二個關鍵是VD1這一支路對第一級錄音放大器輸出信號的對地分流衰減的具體情況。顯然,支路中的電容C1是一只容量較大的電容(C1電路符號中標出極性,說明C1是電解電容,而電解電容的容量較大),所以C1對錄音信號呈通路,說明這一支路中VD1是對錄音信號進行分流衰減的關鍵元器件。
    (3)從分流支路電路分析中要明白一點:從第一級錄音放大器輸出的信號,如果從VD1支路分流得多,那么流入第二級錄音放大器的錄音信號就小,反之則大。
    (4)VD1存在導通與截止兩種情況,在VD1截止時對錄音信號無分流作用,在導通時則對錄音信號進行分流。
    (5)在VD1正極上接有電阻R1,它給VD1一個控制電壓,顯然這個電壓控制著VD1導通或截止。所以,R1送來的電壓是分析VD1導通、截止的關鍵所在。
    分析這個電路最大的困難是在VD1導通后,利用了二極管導通后其正向電阻與導通電流之間的關系特性進行電路分析,即二極管的正向電流愈大,其正向電阻愈小,流過VD1的電流愈大,其正極與負極之間的電阻愈小,反之則大。
    3.控制電路的一般分析方法說明
    對于控制電路的分析通常要分成多種情況,例如將控制信號分成大、中、小等幾種情況。就這一電路而言,控制電壓Ui對二極管VD1的控制要分成下列幾種情況。
    (1)電路中沒有錄音信號時,直流控制電壓Ui為0,二極管VD1截止,VD1對電路工作無影響,第一級錄音放大器輸出的信號可以全部加到第二級錄音放大器中。
    (2)當電路中的錄音信號較小時,直流控制電壓Ui較小,沒有大于二極管VD1的導通電壓,所以不足以使二極管VD1導通,此時二極管VD1對第一級錄音放大器輸出的信號也沒有分流作用。
    (3)當電路中的錄音信號比較大時,直流控制電壓Ui較大,使二極管VD1導通,錄音信號愈大,直流控制電壓Ui愈大,VD1導通程度愈深,VD1的內阻愈小。
    (4)VD1導通后,VD1的內阻下降,第一級錄音放大器輸出的錄音信號中的一部分通過電容C1和導通的二極管VD1被分流到地端,VD1導通愈深,它的內阻愈小,對第一級錄音放大器輸出信號的對地分流量愈大,實現自動電平控制。
    (5)二極管VD1的導通程度受直流控制電壓Ui控制,而直流控制電壓Ui隨著電路中錄音信號大小的變化而變化,所以二極管VD1的內阻變化實際上受錄音信號大小控制。
    4.故障檢測方法和電路故障分析
    對于這一電路中的二極管故障檢測最好的方法是進行代替檢查,因為二極管如果性能不好也會影響到電路的控制效果。
    當二極管VD1開路時,不存在控制作用,這時大信號錄音時會出現聲音一會兒大一會兒小的起伏狀失真,在錄音信號很小時錄音能夠正常。
    當二極管VD1擊穿時,也不存在控制作用,這時錄音聲音很小,因為錄音信號被擊穿的二極管VD1分流到地了。
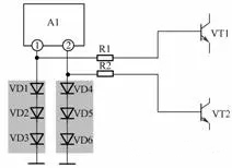
    四、極管限幅電路及故障處理
    二極管最基本的工作狀態是導通和截止兩種,利用這一特性可以構成限幅電路。所謂限幅電路就是限制電路中某一點的信號幅度大小,讓信號幅度大到一定程度時,不讓信號的幅度再增大,當信號的幅度沒有達到限制的幅度時,限幅電路不工作,具有這種功能的電路稱為限幅電路,利用二極管來完成這一功能的電路稱為二極管限幅電路。
    如圖9-44所示是二極管限幅電路。在電路中,A1是集成電路(一種常用元器件),VT1和VT2是三極管(一種常用元器件),R1和R2是電阻器,VD1~VD6是二極管。
    二極管應用電路
    圖9-44 二極管限幅電路
    1.電路分析思路說明
    對電路中VD1和VD2作用分析的思路主要說明下列幾點:
    (1)從電路中可以看出,VD1、VD2、VD3和VD4、VD5、VD6兩組二極管的電路結構一樣,這兩組二極管在這一電路中所起的作用是相同的,所以只要分析其中一組二極管電路工作原理即可。
    (2)集成電路A1的①腳通過電阻R1與三極管VT1基極相連,顯然R1是信號傳輸電阻,將①腳上輸出信號通過R1加到VT1基極,由于在集成電路A1的①腳與三極管VT1基極之間沒有隔直電容,根據這一電路結構可以判斷:集成電路A1的①腳是輸出信號引腳,而且輸出直流和交流的復合信號。確定集成電路A1的①腳是信號輸出引腳的目的是為了判斷二極管VD1在電路中的具體作用。
    (3)集成電路的①腳輸出的直流電壓顯然不是很高,沒有高到讓外接的二極管處于導通狀態,理由是:如果集成電路A1的①腳輸出的直流電壓足夠高,那么VD1、VD2和VD3導通,其導通后的內阻很小,這樣會將集成電路A1的①腳輸出的交流信號分流到地,對信號造成衰減,顯然這一電路中不需要對信號進行這樣的衰減,所以從這個角度分析得到的結論是:集成電路A1的①腳輸出的直流電壓不會高到讓VD1、VD2和VD3導通的程度。
    (4)從集成電路A1的①腳輸出的是直流和交流疊加信號,通過電阻R1與三極管VT1基極,VT1是NPN型三極管,如果加到VT1基極的正半周交流信號幅度出現很大的現象,會使VT1的基極電壓很大而有燒壞VT1的危險。加到VT1基極的交流信號負半周信號幅度很大時,對VT1沒有燒壞的影響,因為VT1基極上負極性信號使VT1基極電流減小。
    (5)通過上述電路分析思路可以初步判斷,電路中的VD1、VD2、VD3是限幅保護二極管電路,防止集成電路A1的①腳輸出的交流信號正半周幅度太大而燒壞VT1。
    從上述思路出發對VD1、VD2、VD3二極管電路進一步分析,分析如果符合邏輯,可以說明上述電路分析思路是正確的。
    2.二極管限幅電路
    分析各種限幅電路工作是有方法的,將信號的幅度分兩種情況:
    (1)信號幅度比較小時的電路工作狀態,即信號幅度沒有大到讓限幅電路動作的程度,這時限幅電路不工作。
    (2)信號幅度比較大時的電路工作狀態,即信號幅度大到讓限幅度電路動作的程度,這時限幅電路工作,將信號幅度進行限制。
    用畫出信號波形的方法分析電路工作原理有時相當管用,用于分析限幅電路尤其有效,如圖9-45所示是電路中集成電路A1的①腳上信號波形示意圖。
    二極管應用電路
    圖9-45 集成電路A1的①腳上信號波形示意圖
    圖中,U1是集成電路A1的①腳輸出信號中的直流電壓,①腳輸出信號中的交流電壓是“騎”在這一直流電壓上的。U2是限幅電壓值。
    結合上述信號波形來分析這個二極管限幅電路,當集成電路A1的①腳輸出信號中的交流電壓比較小時,交流信號的正半周加上直流輸出電壓U1也沒有達到VD1、VD2和VD3導通的程度,所以各二極管全部截止,對①腳輸出的交流信號沒有影響,交流信號通過R1加到VT1中。
    假設集成電路A1的①腳輸出的交流信號其正半周幅度在某期間很大,見圖8-12中的信號波形,由于此時交流信號的正半周幅度加上直流電壓已超過二極管VD1、VD2和VD3正向導通的電壓值,如果每只二極管的導通電壓是0.7V,那么3只二極管的導通電壓是2.1V。由于3只二極管導通后的管壓降基本不變,即集 成電路A1的①腳最大為2.1V,所以交流信號正半周超出部分被去掉(限制),其超出部分信號其實降在了集成電路A1的①腳內電路中的電阻上(圖中未畫出)。
    當集成電路A1的①腳直流和交流輸出信號的幅度小于2.1V時,這一電壓又不能使3只二極管導通,這樣3只二極管再度從導通轉入截止狀態,對信號沒有限幅作用。
    3.電路分析細節說明
    對于這一電路的具體分析細節說明如下。
    (1)集成電路A1的①腳輸出的負半周大幅度信號不會造成VT1過電流,因為負半周信號只會使NPN型三極管的基極電壓下降,基極電流減小,所以無須加入對于負半周的限幅電路。
    (2)上面介紹的是單向限幅電路,這種限幅電路只能對信號的正半周或負半周大信號部分進行限幅,對另一半周信號不限幅。另一種是雙向限幅電路,它能同時對正、負半周信號進行限幅。
    (3)引起信號幅度異常增大的原因是多種多樣的,例如偶然的因素(如電源電壓的波動)導致信號幅度在某瞬間增大許多,外界的大幅度干擾脈沖竄入電路也是引起信號某瞬間異常增大的常見原因。
    (4)3只二極管VD1、VD2和VD3導通之后,集成電路A1的①腳上的直流和交流電壓之和是2.1V,這一電壓通過電阻R1加到VT1基極,這也是VT1最高的基極電壓,這時的基極電流也是VT1最大的基極電流。
    (5)由于集成電路A1的①腳和②腳外電路一樣,所以其外電路中的限幅保護電路工作原理一樣,分析電路時只要分析一個電路即可。
    (6)根據串聯電路特性可知,串聯電路中的電流處處相等,這樣可以知道VD1、VD2和VD3三只串聯二極管導通時同時導通,否則同時截止,絕不會出現串聯電路中的某只二極管導通而某幾只二極管截止的現象。
    4.故障檢測方法和電路故障分析
    對這一電路中的二極管故障檢測主要采用萬用表歐姆檔在路測量其正向和反向電阻大小,因為這一電路中的二極管不工作在直流電路中,所以采用測量二極管兩端直流電壓降的方法不合適。
    這一電路中二極管出現故障的可能性較小,因為它們工作在小信號狀態下。如果電路中有一只二極管出現開路故障時,電路就沒有限幅作用,將會影響后級電路的正常工作。
    五、極管開關電路及故障處理
    開關電路是一種常用的功能電路,例如家庭中的照明電路中的開關,各種民用電器中的電源開關等。
    在開關電路中有兩大類的開關:
    (1)機械式的開關,采用機械式的開關件作為開關電路中的元器件。
    (2)電子開關,所謂的電子開關,不用機械式的開關件,而是采用二極管、三極管這類器件構成開關電路。
    1.開關二極管開關特性說明
    開關二極管同普通的二極管一樣,也是一個PN結的結構,不同之處是要求這種二極管的開關特性要好。
    當給開關二極管加上正向電壓時,二極管處于導通狀態,相當于開關的通態;當給開關二極管加上反向電壓時,二極管處于截止狀態,相當于開關的斷態。二極管的導通和截止狀態完成開與關功能。
    開關二極管就是利用這種特性,且通過制造工藝,開關特性更好,即開關速度更快,PN結的結電容更小,導通時的內阻更小,截止時的電阻很大。
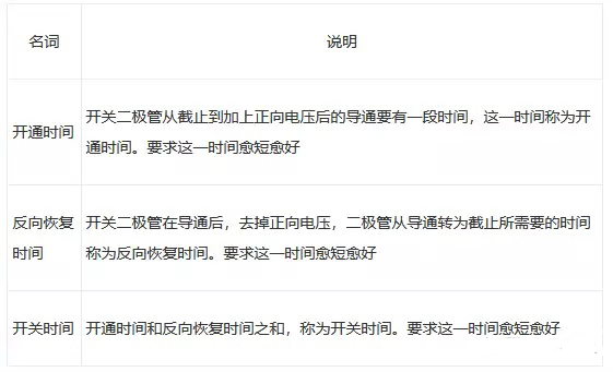
    如表9-41所示是開關時間概念說明。
    表6.19 開關時間概念說明
    名詞
    說明
    開通時間
    開關二極管從截止到加上正向電壓后的導通要有一段時間,這一時間稱為開通時間。要求這一時間愈短愈好
    反向恢復時間
    開關二極管在導通后,去掉正向電壓,二極管從導通轉為截止所需要的時間稱為反向恢復時間。要求這一時間愈短愈好
    開關時間
    開通時間和反向恢復時間之和,稱為開關時間。要求這一時間愈短愈好
    2.典型二極管開關電路工作原理
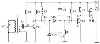
    二極管構成的電子開關電路形式多種多樣,如圖9-46所示是一種常見的二極管開關電路。
    二極管應用電路
    圖9-46 二極管開關電路
    通過觀察這一電路,可以熟悉下列幾個方面的問題,以利于對電路工作原理的分析:
    (1)了解這個單元電路功能是第一步。從圖8-14所示電路中可以看出,電感L1和電容C1并聯,這顯然是一個LC并聯諧振電路,是這個單元電路的基本功能,明確這一點后可以知道,電路中的其他元器件應該是圍繞這個基本功能的輔助元器件,是對電路基本功能的擴展或補充等,以此思路可以方便地分析電路中的元器件作用。
    (2)C2和VD1構成串聯電路,然后再與C1并聯,從這種電路結構可以得出一個判斷結果:C2和VD1這個支路的作用是通過該支路來改變與電容C1并聯后的總容量大小,這樣判斷的理由是:C2和VD1支路與C1上并聯后總電容量改變了,與L1構成的LC并聯諧振電路其振蕩頻率改變了。所以,這是一個改變LC并聯諧振電路頻率的電路。
    關于二極管電子開關電路分析思路說明如下幾點:
    (1)電路中,C2和VD1串聯,根據串聯電路特性可知,C2和VD1要么同時接入電路,要么同時斷開。如果只是需要C2并聯在C1上,可以直接將C2并聯在C1上,可是串入二極管VD1,說明VD1控制著C2的接入與斷開。
    (2)根據二極管的導通與截止特性可知,當需要C2接入電路時讓VD1導通,當不需要C2接入電路時讓VD1截止,二極管的這種工作方式稱為開關方式,這樣的電路稱為二極管開關電路。
    (3)二極管的導通與截止要有電壓控制,電路中VD1正極通過電阻R1、開關S1與直流電壓+V端相連,這一電壓就是二極管的控制電壓。
    (4)電路中的開關S1用來控制工作電壓+V是否接入電路。根據S1開關電路更容易確認二極管VD1工作在開關狀態下,因為S1的開、關控制了二極管的導通與截止。
    如表9-42所示是二極管電子開關電路工作原理說明
    二極管應用電路
    在上述兩種狀態下,由于LC并聯諧振電路中的電容不同,一種情況只有C1,另一種情況是C1與C2并聯,在電容量不同的情況下LC并聯諧振電路的諧振頻率不同。所以,VD1在電路中的真正作用是控制LC并聯諧振電路的諧振頻率。
    關于二極管電子開關電路分析細節說明下列二點:
    (1)當電路中有開關件時,電路的分析就以該開關接通和斷開兩種情況為例,分別進行電路工作狀態的分析。所以,電路中出現開關件時能為電路分析提供思路。
    (2)LC并聯諧振電路中的信號通過C2加到VD1正極上,但是由于諧振電路中的信號幅度比較小,所以加到VD1正極上的正半周信號幅度很小,不會使VD1導通。
    3.故障檢測方法和電路故障分析
    如圖9-47所示是檢測電路中開關二極管時接線示意圖,在開關接通時測量二極管VD1兩端直流電壓降,應該為0.6V,如果遠小于這個電壓值說明VD1短路,如果遠大小于這個電壓值說明VD1開路。另外,如果沒有明顯發現VD1出現短路或開路故障時,可以用萬用表歐姆檔測量它的正向電阻,要很小,否則正向電阻大也不好。
    二極管應用電路
    圖9-47 檢測電路中開關二極管時接線示意圖
    如果這一電路中開關二極管開路或短路,都不能進行振蕩頻率的調整。開關二極管開路時,電容C2不能接入電路,此時振蕩頻率升高;開關二極管短路時,電容C2始終接入電路,此時振蕩頻率降低。
    4.同類電路工作原理分析
    如圖所示,電路中的VD1為開關二極管,控制電壓通過R1加到VD1正極,控制電壓是一個矩形脈沖電壓,波形見圖中所示。當控制電壓為0V時,VD1不能導通,相當于開路,這時對L1和C1、L2和C2電路沒有影響;當控制電壓為高電平時,控制電壓使開關二極管VD1導通,VD1相當于通路,電路中A點的交流信號通過導通的VD1和電容C3接地,等于將電路中的A點交流接地,使L2和C2電路不起作用。從上述分析可知,電路中的二極管VD1相當于一只開關,控制電路中的A點交流信號是否接地。
    二極管應用電路
    六、二極管檢波電路及故障處理
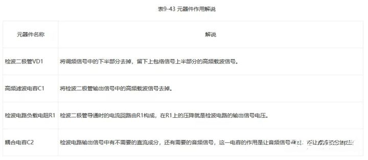
    如圖9-48所示是二極管檢波電路。電路中的VD1是檢波二極管,C1是高頻濾波電容,R1是檢波電路的負載電阻,C2是耦合電容。
    二極管應用電路
    圖9-48 二極管檢波電路
    1.電路分析準備知識
    眾所周知,收音機有調幅收音機和調頻收音機兩種,調幅信號就是調幅收音機中處理和放大的信號。見圖中的調幅信號波形示意圖,對這一信號波形主要說明下列幾點:
    (1)從調幅收音機天線下來的就是調幅信號。
    (2)信號的中間部分是頻率很高的載波信號,它的上下端是調幅信號的包絡,其包絡就是所需要的音頻信號。
    (3)上包絡信號和下包絡信號對稱,但是信號相位相反,收音機最終只要其中的上包絡信號,下包絡信號不用,中間的高頻載波信號也不需要。
    2.電路中各元器件作用說明
    如表9-43所示是元器件作用解說。
    二極管應用電路
    3.檢波電路工作原理分析
    檢波電路主要由檢波二極管VD1構成。
    在檢波電路中,調幅信號加到檢波二極管的正極,這時的檢波二極管工作原理與整流電路中的整流二極管工作原理基本一樣,利用信號的幅度使檢波二極管導通,如圖9-49所示是調幅波形展開后的示意圖。
    二極管應用電路
    圖9-49 調幅波形時間軸展開示意圖
    從展開后的調幅信號波形中可以看出,它是一個交流信號,只是信號的幅度在變化。這一信號加到檢波二極管正極,正半周信號使二極管導通,負半周信號使二極管截止,這樣相當于整流電路工作一樣,在檢波二極管負載電阻R1上得到正半周信號的包絡,即信號的虛線部分,見圖中檢波電路輸出信號波形(不加高頻濾波電容時的輸出信號波形)。
    檢波電路輸出信號由音頻信號、直流成分和高頻載波信號三種信號成分組成,詳細的電路分析需要根據三種信號情況進行展開。這三種信號中,最重要的是音頻信號處理電路的分析和工作原理的理解。
    (1)所需要的音頻信號,它是輸出信號的包絡,如圖9-50所示,這一音頻信號通過檢波電路輸出端電容C2耦合,送到后級電路中進一步處理。
    二極管應用電路
    圖9-50 檢波電路輸出端信號波形示意圖
    (2)檢波電路輸出信號的平均值是直流成分,它的大小表示了檢波電路輸出信號的平均幅值大小,檢波電路輸出信號幅度大,其平均值大,這一直流電壓值就大,反之則小。這一直流成分在收音機電路中用來控制一種稱為中頻放大器的放大倍數(也可以稱為增益),稱為AGC(自動增益控制)電壓。AGC電壓被檢波電路輸出端耦合電容隔離,不能與音頻信號一起加到后級放大器電路中,而是專門加到AGC電路中。
    (3)檢波電路輸出信號中還有高頻載波信號,這一信號無用,通過接在檢波電路輸出端的高頻濾波電容C1,被濾波到地端。
    一般檢波電路中不給檢波二極管加入直流電壓,但在一些小信號檢波電路中,由于調幅信號的幅度比較小,不足以使檢波二極管導通,所以給檢波二極管加入較小的正向直流偏置電壓,如圖所示,使檢波二極管處于微導通狀態。
    二極管應用電路
    從檢波電路中可以看出,高頻濾波電容C1接在檢波電路輸出端與地線之間,由于檢波電路輸出端的三種信號其頻率不同,加上高頻濾波電容C1的容量取得很小,這樣C1對三種信號的處理過程不同。
    (1)對于直流電壓而言,電容的隔直特性使C1開路,所以檢波電路輸出端的直流電壓不能被C1旁路到地線。
    (2)對于音頻信號而言,由于高頻濾波電容C1的容量很小,它對音頻信號的容抗很大,相當于開路,所以音頻信號也不能被C1旁路到地線。
    (3)對于高頻載波信號而言,其頻率很高,C1對它的容抗很小而呈通路狀態,這樣惟有檢波電路輸出端的高頻載波信號被C1旁路到地線,起到高頻濾波的作用。
    如圖9-51所示是檢波二極管導通后的三種信號電流回路示意圖。負載電阻構成直流電流回路,耦合電容取出音頻信號。
    二極管應用電路
    圖9-51 檢波二極管導通后三種信號電流回路示意圖
    4.故障檢測方法及電路故障分析
    對于檢波二極管不能用測量直流電壓的方法來進行檢測,因這這種二極管不工作在直流電壓中,所以要采用測量正向和反向電阻的方法來判斷檢波二極管質量。
    當檢波二極管開路和短路時,都不能完成檢波任務,所以收音電路均會出現收音無聲故障。
    5.實用倍壓檢波電路工作原理分析
    如圖9-52所示是實用倍壓檢波電路,電路中的C2和VD1、VD2構成二倍壓檢波電路,在收音機電路中用來將調幅信號轉換成音頻信號。電路中的C3是檢波后的濾波電容。通過這一倍壓檢波電路得到的音頻信號,經耦合電容C5加到音頻放大管中。
    二極管應用電路
    圖9-52 實用倍壓檢波電路
    七、電器驅動電路中二極管保護電路及故障處理
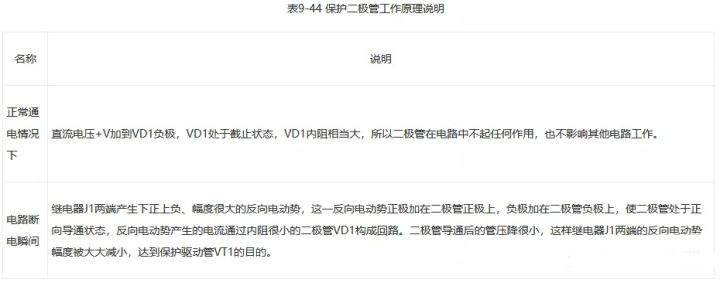
    繼電器內部具有線圈的結構,所以它在斷電時會產生電壓很大的反向電動勢,會擊穿繼電器的驅動三極管,為此要在繼電器驅動電路中設置二極管保護電路,以保護繼電器驅動管。
    如圖9-53所示是繼電器驅動電路中的二極管保護電路,電路中的J1是繼電器,VD1是驅動管VT1的保護二極管,R1和C1構成繼電器內部開關觸點的消火花電路。
    二極管應用電路
    圖9-53 二極管保護電路
    二極管應用電路
    圖9-54 等效電路
    1.電路工作原理分析
    繼電器內部有一組線圈,如圖9-54所示是等效電路,在繼電器斷電前,流過繼電器線圈L1的電流方向為從上而下,在斷電后線圈產生反向電動勢阻礙這一電流變化,即產生一個從上而下流過的電流,見圖中虛線所示。根據前面介紹的線圈兩端反向電動勢判別方法可知,反向電動勢在線圈L1上的極性為下正上負,見圖中所示。如表9-44所示是這一電路中保護二極管工作原理說明。
    二極管應用電路
    2.故障檢測方法和電路故障分析
    對于這一電路中的保護二極管不能采用測量二極管兩端直流電壓降的方法來判斷檢測故障,也不能采用在路測量二極管正向和反向電阻的方法,因為這一二極管兩端并聯著繼電器線圈,這一線圈的直流電阻很小,所以無法通過測量電壓降的方法來判斷二極管質量。應該采用代替檢查的方法。
    當保護二極管開路時,對繼電器電路工作狀態沒有大的影響,但是沒有了保護作用而很有可能會擊穿驅動管;當保護二極管短路時,相當于將繼電器線圈短接,這時繼電器線圈中沒有電流流過,繼電器不能動作。
    烜芯微專業制造二極管,三極管,MOS管,橋堆等20年,工廠直銷省20%,4000家電路電器生產企業選用,專業的工程師幫您穩定好每一批產品,如果您有遇到什么需要幫助解決的,可以點擊右邊的工程師,或者點擊銷售經理給您精準的報價以及產品介紹
    相關閱讀