• <tr id="ii00i"></tr>
  • <nav id="ii00i"><sup id="ii00i"></sup></nav>
  • <nav id="ii00i"></nav>
  • <tfoot id="ii00i"><noscript id="ii00i"></noscript></tfoot>
    <tfoot id="ii00i"><noscript id="ii00i"></noscript></tfoot>
  • <tfoot id="ii00i"><noscript id="ii00i"></noscript></tfoot>
    天天成人综合网,亚洲人妻资源网,欧美精品网,国产黑丝袜在线观看视频,蜜桃av一卡二卡三卡,激情综合图区,亚洲avav,亚洲av电影天堂网

    您好!歡迎光臨烜芯微科技品牌官網!

    深圳市烜芯微科技有限公司

    ShenZhen XuanXinWei Technoligy Co.,Ltd
    二極管、三極管、MOS管、橋堆

    全國服務熱線:18923864027

  • 熱門關鍵詞:
  • 橋堆
  • 場效應管
  • 三極管
  • 二極管
  • 導通電阻為0.8歐的場效應管-XW840,可用于300W逆變器后級電路
    • 發布時間:2020-10-24 18:43:19
    • 來源:
    • 閱讀次數:
    導通電阻為0.8歐的場效應管-XW840,可用于300W逆變器后級電路
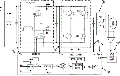
    作為一名電子工程師,經常在研究電路的時候會碰到一些國外的元器件不知道在國內有沒有比較好的代用產品。今天我們來談談300W逆變器經常使用的一款場效應管:IRF840,是否有比較優質的代用型號呢?
    逆變器作為一種將低壓(12V、24V、48V)直流電轉變為220V交流電的產品。在生活中由于我們經常是將220V交流電整流變成直流電來作用于產品使用,而逆變器的作用與此相反,故而得名。實際上現在在國內已經有一款型號為:FHP840場效應管是可以替代IRF840應用于300W逆變器后級電路中的。
    目前這一款XW840場效應管的通態電阻是歐,在應用特點上面能夠符合低電荷、低反向傳輸電容、開關速度快、大芯片、耐過載沖擊的幾大特點促使在參數特點上面能夠與IRF840場效應管媲美,并完成替換使用。
    XW840除了廣泛使用在300W逆變器后級電路中,還能使用在DC-AC電源轉換器、DC-DC電源轉換器、高壓H橋PWM馬達驅動三款產品中。
    作為一個N溝道增強型高壓功率MOS場效應管,它在使用方面不僅能匹配型號為IRF840的國外場效應管,還能代用9N50、TK8A50D型號的場效應管。
    XW840的詳細參數:封裝形式是TO-220、TO-220F,腳位排列位GDS。這款場效應管參數:Vgs(±V):30;VTH(V):2-4;ID(A):9;BVdss(V):500。
    場效應管
    烜芯微專業制造二極管,三極管,MOS管,橋堆等20年,工廠直銷省20%,4000家電路電器生產企業選用,專業的工程師幫您穩定好每一批產品,如果您有遇到什么需要幫助解決的,可以點擊右邊的工程師,或者點擊銷售經理給您精準的報價以及產品介紹
    相關閱讀