• <tr id="ii00i"></tr>
  • <nav id="ii00i"><sup id="ii00i"></sup></nav>
  • <nav id="ii00i"></nav>
  • <tfoot id="ii00i"><noscript id="ii00i"></noscript></tfoot>
    <tfoot id="ii00i"><noscript id="ii00i"></noscript></tfoot>
  • <tfoot id="ii00i"><noscript id="ii00i"></noscript></tfoot>
    天天成人综合网,亚洲人妻资源网,欧美精品网,国产黑丝袜在线观看视频,蜜桃av一卡二卡三卡,激情综合图区,亚洲avav,亚洲av电影天堂网

    您好!歡迎光臨烜芯微科技品牌官網!

    深圳市烜芯微科技有限公司

    ShenZhen XuanXinWei Technoligy Co.,Ltd
    二極管、三極管、MOS管、橋堆

    全國服務熱線:18923864027

  • 熱門關鍵詞:
  • 橋堆
  • 場效應管
  • 三極管
  • 二極管
  • 超快恢復二極管模塊的應用在哪些地方
    • 發布時間:2020-10-06 18:09:07
    • 來源:
    • 閱讀次數:
    超快恢復二極管模塊的應用在哪些地方
    超快恢復二極管模塊(FRED)類型MEO,MEE,MEA和MEK(圖1)是分立型DESEI向大電流的擴展,其特性不變。它可以用在所有MOSFET,IGBT或雙極性達林頓管電路中,工作頻率要高于1kHz。
    如果要用幾個分立二極管井聯成小模塊,換用這些模塊可減小安裝時間和設備尺寸。一般FRED可用作大電流的IGBT或積極性達林頓管的續流二極管,或用作電源和焊接機的快速整流管。下面是一系列超快恢復二極管模塊(FRED)的應用。
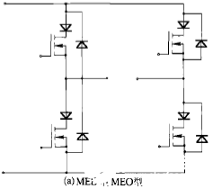
    A. 用作拖動和UPS系統中單相或三相逆變器的續流二極管,采用PWM控制,開關頻率高于1kHz(圖2)。
    超快恢復二極管
    圖1 現有的超快恢復二極管模塊(FRED)的電路圖
    超快恢復二極管
    圖2 MEE型或MEO型
    B. 用作開關電源或伺服驅動的續流二極管
    (a)使用MOSFET和肖特基阻斷二極管的對稱全僑電路(圖3(a))
    (b)使用MOSFET的正激變換器和直流電機驅動的不對稱全橋圖(圖3(b))
    超快恢復二極管
    圖3 用作開關電源或伺服驅動的續流二極管
    C. 用作電源或焊接機的整流
    全波整流電路(圖4(a))中,根據負載電流的大小,可選擇幾個MEO模塊并聯。
    共陰極拓樸(圖4(b))中,根據負載電流的大小,可選擇幾個MEK模塊井聯。
    共陽極拓樸(圖4(c))中,根據負載電流的大小,可選擇幾個MEA模塊并聯。
    全橋整流電路(圖4(d))中,根據負載電流的大小,可選擇幾個MEE或MEO模塊并聯。
    高壓輸出的全橋整流電路(圖4(e))中,可使用兩個MEE模塊串聯獲得高阻斷電壓。
    所有的超快恢復二極管模塊(FRED)中連續直流電流IFAVM的數值是在散熱器溫度TS=65℃,結溫TVJM=125℃(溫差60℃)的條件下給出的。
    如與別的產品比較,要確定兩個模塊的結芯與散熱器溫差相等,因為溫差決定可流過的正向電流。
    而且。超快恢復二極管模塊(FRED)的電流定額和阻斷損耗都是在TVJ=125℃和占空比d=50%條件下的。
    超快恢復二極管
    圖4 不同超快恢復二極管模塊(FRED)在電源中作為輸出整流器的例子
    烜芯微專業制造二極管,三極管,MOS管,橋堆等20年,工廠直銷省20%,4000家電路電器生產企業選用,專業的工程師幫您穩定好每一批產品,如果您有遇到什么需要幫助解決的,可以點擊右邊的工程師,或者點擊銷售經理給您精準的報價以及產品介紹
    相關閱讀