• <tr id="ii00i"></tr>
  • <nav id="ii00i"><sup id="ii00i"></sup></nav>
  • <nav id="ii00i"></nav>
  • <tfoot id="ii00i"><noscript id="ii00i"></noscript></tfoot>
    <tfoot id="ii00i"><noscript id="ii00i"></noscript></tfoot>
  • <tfoot id="ii00i"><noscript id="ii00i"></noscript></tfoot>
    天天成人综合网,亚洲人妻资源网,欧美精品网,国产黑丝袜在线观看视频,蜜桃av一卡二卡三卡,激情综合图区,亚洲avav,亚洲av电影天堂网

    您好!歡迎光臨烜芯微科技品牌官網!

    深圳市烜芯微科技有限公司

    ShenZhen XuanXinWei Technoligy Co.,Ltd
    二極管、三極管、MOS管、橋堆

    全國服務熱線:18923864027

  • 熱門關鍵詞:
  • 橋堆
  • 場效應管
  • 三極管
  • 二極管
  • 解析三極管與MOS管工作原理-特性-符號等知識
    • 發布時間:2020-09-01 17:56:17
    • 來源:
    • 閱讀次數:
    解析三極管與MOS管工作原理-特性-符號等知識
    三極管的工作原理及特性
    三極管之所以運用如此廣泛,其主要原因在于它可以通過小電流控制大電流。形象地說就是基極其是是一個閥門開關,閥門開關控制的是集電極到發射極之間的電流大小,而本身控制閥門開關的基極的電流要求很小。更加形象的圖形說明如下所示:
    三極管,MOS管
    三極管的結構與符號
    三極管,MOS管
    三極管內部機構要求:(此處只說結論,后面介紹原因)
    1、發射區參雜濃度很高,以便有足夠的載流子供發射。
    2、為減少載流子在基區的復合機會,基區做得很薄,一般為幾個微米,且參雜濃度極低。
    3、集電區體積較大,且為了順利收集邊緣載流子,參雜濃度介于發射極與基極之間。
    三極管基本工作原理
    三極管的主要功能有:交流信號放大、直流信號放大和電路開關。同時三極管有三個工作區間,分別是:放大區、飽和區和截止區。這三個區域的工作原理會在后面詳細介紹。這里首先介紹的就是交流信號放大、直流信號放大的放大功能,此時三極管工作在放大區。
    工作在放大區的三極管需要給發射極設置正向偏置、給集電極設置反向偏置,如下圖所示。
    三極管,MOS管
    由于發射極正偏,發射極的多數載流子(無論是P的空穴還是N的自由電子)會不斷擴散到基極,并不斷從電源補充多子,形成發射極電流IE。由于基極很薄,且基極的多子濃度很低,所以從發射極擴散過來的多子只有很少一部分和基極的多子復合形成基極電流IB(發射極和基極的極性一定是相反的,所以各自的多子極性相反)。而剩余的大部分發射極傳來的多子會繼續擴散到集電極邊緣。由于集電極反偏,所以反偏電壓會將在集電極邊緣的來自發射極的多子拉入集電極,形成較大的集電極電流IC。
    我們可以換一種角度看這個過程,如果將中間的基極去掉,正偏和反偏的兩個電源其實極性是相同的,串聯成了一個電壓更高的電源。發射極和集電極的半導體性質也是相同的,成為了一整塊半導體,于是就退化成了下面這個電路。
    三極管,MOS管
    于是可以理解成三極管就是人為的在上述電路中加了一個閘門,用很小的電流IB可以使閘門打開,形成很大的電流IC。有了以上的知識,同時可以得出三種電流之間的關系式。
    三極管,MOS管
    且在放大區狀態下工作時有:
    三極管,MOS管
    在放大區工作時三極管內部載流子的傳輸與電流分配示意圖如下圖所示。
    三極管,MOS管
    三極管的特性曲線以及飽和區和截止區
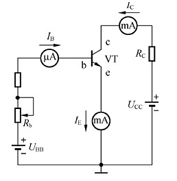
    先以之前水庫閘門的例子通俗的說明一下飽和區和截止區的含義。無論水庫儲水量有多大,閘門不開(IB=0)水庫的水都沒有辦法從集電極流出,這就是截止區。當水庫的閘門已經完全打開之后(IB達到了一定值),從集電極流出的水量只與集電極和發射極之間的儲水量(壓差)有關,已經與IB值的大小無關了,這就是飽和區。下面就介紹一下三極管的特性曲線,進一步強化對于三種工作區域的理解。測試三極管特征曲線的測試電路如圖下所示。(注:UBB=UBE,UCC=UCE)。
    三極管,MOS管
    輸入特性曲線:
    在UCE一定的情況下,IB與UBE之間的關系曲線如下:
    三極管,MOS管
    分析一下輸入特性曲線:
    1、就右側圖中一條線紅色曲線來看,即在UCE恒定的情況下,UBE會經歷一個死區電壓。這段區域內BE間PN結還沒有達到導通電壓,所以基極沒有電流。當達到BE間PN結導通電壓后,UBE越大其BE結擴散效應越強,導致基極電流越大。
    2、對于在UBE相同的情況下,UCE越大IB越小的現象可以這樣解釋,UCE的增加相當于是增加了集電極的反偏電壓,于是就增大了集電極的耗盡層的寬度,進而減小了基極的有效寬度。于是在基極的有效復合減少,從而電流減小。
    3、但是為什么當UCE達到一定值(1V)之后就不再影響IB?
    輸出特性曲線:
    在一定基極電流IB的情況下,集電極電流IC與集電極電壓UCE之間的關系曲線如下:
    三極管,MOS管
    截止區:(發射極反向偏置,集電極反向偏置)
    此時IB很小,可以理解成UBE很小,BE之間的PN結沒有達到導通電壓,即前面說的閥門沒有打開。所以IC和IE幾乎為0。整個開關處于關閉狀態。
    放大區:(發射極正向偏置,集電極反向偏置)
    此時IB已經達到了導通BE之間PN結的大小,但是此時IB相對較小,閘門還沒完全打開。閘門的大小收到IB的控制。于是CE之間的電流大小完全與IB成正比。
    飽和區:(發射極正向偏置,集電極正向偏置)
    此時IB已經達到了完全導通BE之間PN結的大小,閘門已經完全打開。于是CE之間的電流大小受到UCE的影響,已經不再受IB的控制。
    輸出特性曲線飽和區詳解
    在上面的描述中無論是截止區還是放大區都相對容易理解,但是對于飽和區就不太容易理解了。
    首先三極管導電的原理是:射極和基極之間正偏,發射極有電子可以注入基極。其中極少部分與基極的多子復合后仍有大量的電子處于基極邊緣。此時集電極和基極之間反偏,于是集電極有足夠的吸引電子的能力。此時只要基極電流增大就意味著有更多的電子處于基極和集電極邊緣,此時這些電子全部可以被集電極吸走。于是此時的IC只受到IB的控制。
    但是當UCE逐漸減小,吸引電子的能力逐漸下降。當在IB的作用下注入基極和集電極之間的電子沒有辦法被集電極全部吸走的時候,也就是隨著IB的增大,IC的增大量與對應放大區相比減小或者不再增大的時候,就進入了飽和區。所以所謂的飽和區指的是集電極的吸收電子能力的飽和。
    工程上近似認為UCE=UBE時為臨界飽和,但飽和曲線的真正物理意義應該是要得到某一數值的IC,至少需要加上多大的UCE。
    為什么IB小電流可以拉出IC大電流:
    其實這個問題在之前的介紹中已經有所解釋,這里再集中強調一下。在三極管內部的結構如下。
    三極管,MOS管
    由于內部結構特性(發射區參雜濃度很高;基區做得很薄且參雜濃度極低;集電區體積較大,參雜濃度介于發射極與基極之間)從而形成了一種特殊的結構,就是基極相當于在一塊導體(發射極加集電極)之間加了一層薄薄的阻隔柵,而只需要很小的驅動力(UBE=0.7V,由于基極很薄,驅動電流也在uA量級)就可以將阻隔柵打開。而一旦打開這層阻隔,真正的驅動電流是由UCE驅動的。
    場效應管的工作原理及特性
    場效應管(FET)分為結型場效應管(JFET)和絕緣柵型場效應管MOS(Metal-Oxide-Semiconductor)管,即金屬-氧化物-半導體。下面以增強型NMOS為例,介紹MOS管的工作原理。
    MOS管的基本結構
    增強型NMOS的結構圖如下圖所示,在參雜濃度較低的P型硅襯底上,制作兩個高參雜濃度的N型溝槽。分別用鋁從兩個N型溝槽中引出兩個電極分別作為源極S和漏極D(此時的源極和漏極在結構上沒有區別是可以互換的)。然后在半導體的表面覆蓋一層很薄的SiO2絕緣層。在漏源極間的絕緣層上再裝上一個鋁電極;作為柵極G。另外在襯底上也引出一個電極B。
    三極管,MOS管
    在出廠前大多數MOS管的襯底已經和源極連在了一起,此時源極S和漏極D就有了區別,不能再互換了。
    MOS管出現導電溝道(反型層的形成):
    在UGS=0時,無論UDS的大小和極性,都會使得2個GS和DG這兩個PN結中一個正偏,另一個反偏。但是由于兩個N區之間被P襯底隔離,所以沒有辦法形成電流,情況如下圖所示。
    三極管,MOS管
    當在柵源極之間加上正向電壓(所謂的正向電壓永遠是指電場方向是從P區指向N區)后,則在柵極和襯底之間的SiO2絕緣層中便產生一個垂直于半導體表面的由柵極指向襯底的電場,這個電場能排斥空穴而吸引電子,因而使柵極附近的P型襯底中的空穴被排斥,剩下不能移動的受主離子(負離子),形成耗盡層,同時P襯底中的少子電子被吸引到襯底表面。當UGS增加大一定大小時,隨著SiO2絕緣層中電場的增強,會將更多的電子吸引到P襯底的表面,于是柵極附近會形成一個N型薄層,且與兩個N區聯通。此時就形成了導電溝道,于是在DS之間就有電流可以通過了,其情況如下圖所示:
    三極管,MOS管
    在這個階段,如果UDS保持不變,UGS增加會導致導電溝道變厚,從而ID變大。
    MOS管預夾斷的形成
    (預夾斷的形成是在理解初期的一個難點,這里的描述是參考了一些文獻之后自己的理解,正確性還需要考證)。當UGS>UGSTH時,導電溝道形成,與S和D極連在一起形成了一個大的N型半導體。所以當在DS間加上正電壓之后,電流可以在N型半導體中流動。
    設想UDS=0時,ID=0,SiO2絕緣層與導電溝道之間的電場是均勻分布的,即從D到S的導電溝道一樣厚。但是導電溝道作為導體的一部分,一定是有電阻的。隨著UDS的增加,ID的增大,靠近S端的電勢會比靠近N處的電勢要低。這里很重要的一點是在這個過程中SiO2平面上各個點的電勢是均勻的,所以在導電溝道不同點與SiO2之間的電場強度是不一樣的。
    如果以S端的電勢為0的話,隨著ID的不斷增大,D點的電勢會達到UGS-UGSTH。此時UG與UD之間的電勢差為UGSTH,此時靠近D點處的電勢差恰好達到可以產生導電溝道的情況,于是在D極處就開始出現如下圖所示的預夾斷。
    三極管,MOS管
    隨著ID的繼續增大,預夾斷的點會不斷往左移動,如下圖所示。但是無論如何移動,預夾斷點與G之間的電壓差保持為|UGSTH|。
    三極管,MOS管
    另外非常重要的一點是,在預夾斷的區域內,縱向的電勢差不足以出現導電溝道,但是由于DS間的電勢差都落在了這段預夾斷區域內(即D極至夾斷點區域內,且方向是從D極橫向指向夾斷點),于是夾斷區內有很強的橫向電場。于是當載流子到達夾斷區邊沿時,會被電場拉出,從D極輸出。所以預夾斷并不是不能導電,反而可以很好地完成導電。
    預夾斷的過程中ID為什么不變:
    有了以上認識就可以解釋為什么在預夾斷過程中UDS繼續增大,ID的值可以保持不變。在進入預夾斷之后,UDS繼續增大的過程中,夾斷點不斷向S極移動,但是保持了夾斷點和S極之間的電壓保持不變(數值上等于|UGSTH|)。即增加的UDS的電壓全部落在了夾斷區內。(這里有一點沒法從原理上解釋,但是可以從結果反推,就是雖然導電溝道的長度在縮短,但是電阻值沒有什么變化)于是ID的值保持不變。
    當反向電壓達到一定程度的時候就出現了反向擊穿,場效應管就壞了。
    場效應管的特性曲線
    三極管,MOS管
    圖23和圖24的左側為漏極輸出特性曲線,右側為轉移特性曲線。
    特性曲線中在VGS=-4V的曲線下方可以成為截止區,該區域的情況是VGS還沒有到達導電溝道導通電壓,整個MOS管還沒有開始導電。可變電阻區又稱為放大區,在VDS一定的的情況下ID的大小直接受到VGS的控制,且基本為線性關系。注意三極管中的放大區和MOS管的放大區有很大區別,不能覺得是相似的。恒流區又稱為飽和區,此時ID大小只收到VGS的控制,VDS變化過程中ID的大小不變。
    場效應管的符號
    三極管,MOS管
    1、結型場效應管(JFET)和絕緣柵性場效應管(MOSFET)的區別
    三極管,MOS管
    本文中詳細介紹的是絕緣柵型場效應管,如上圖右側圖所示。而左側這種結構稱為結型場效應管,其工作原理大致如下:
    在UGS沒有電壓的情況下,在兩個P區之間形成N區通道,連接著D極和S極。當UDS有電壓時在N型半導體內形成電流。當G、S間加上反向電壓UGS后(所謂反向電壓是指從N區指向P區的電壓),在電場力作用下N區通道逐漸變窄,直至消失,從而ID減為0。其特性曲線如圖 27所示。
    三極管,MOS管
    1、增強型絕緣柵晶體管和耗盡型絕緣柵晶體管
    三極管,MOS管
    本文中詳細介紹的是增強型絕緣柵型場效應管,耗盡型絕緣柵型場效應管在SiO2絕緣層中摻雜了大量的金屬正離子,所以在UGS沒有電壓的情況下這些正離子感應出反型層,形成導電溝道;于是UGS的作用就是抑制導電溝道。
    1、P溝道還是N溝道
    就是中間的半導體類型是P還是N。
    2、符號的說明
    只有一根垂直線的為結型場效應管;兩個線的為絕緣柵型晶體管。第二根線為虛線,為增強型絕緣柵型晶體管;為實線的為耗盡型晶體管。箭頭永遠從P指向N,而且永遠是從G(漏)極輸出。結型場效應管和絕緣柵型晶體管箭頭作用看起來有點反的原因是G極的位置不同了。
    烜芯微專業制造二極管,三極管,MOS管,橋堆等20年,工廠直銷省20%,4000家電路電器生產企業選用,專業的工程師幫您穩定好每一批產品,如果您有遇到什么需要幫助解決的,可以點擊右邊的工程師,或者點擊銷售經理給您精準的報價以及產品介紹
    相關閱讀