• <tr id="ii00i"></tr>
  • <nav id="ii00i"><sup id="ii00i"></sup></nav>
  • <nav id="ii00i"></nav>
  • <tfoot id="ii00i"><noscript id="ii00i"></noscript></tfoot>
    <tfoot id="ii00i"><noscript id="ii00i"></noscript></tfoot>
  • <tfoot id="ii00i"><noscript id="ii00i"></noscript></tfoot>
    天天成人综合网,亚洲人妻资源网,欧美精品网,国产黑丝袜在线观看视频,蜜桃av一卡二卡三卡,激情综合图区,亚洲avav,亚洲av电影天堂网

    您好!歡迎光臨烜芯微科技品牌官網!

    深圳市烜芯微科技有限公司

    ShenZhen XuanXinWei Technoligy Co.,Ltd
    二極管、三極管、MOS管、橋堆

    全國服務熱線:18923864027

  • 熱門關鍵詞:
  • 橋堆
  • 場效應管
  • 三極管
  • 二極管
  • 寬帶放大器電路設計解析
    • 發布時間:2020-08-10 16:03:20
    • 來源:
    • 閱讀次數:
    寬帶放大器電路設計解析
    這里給出了 一個 50~300MHz 的低噪聲寬帶放大器的設計,該放大器在工作頻段內具有優良的增益平坦度和噪聲系數,能提高接收機的靈敏度。
    1 寬帶實現和負反饋原理
    寬帶放大器設計的主要障礙是有源器件的增益帶寬積的制約,即有源器件的增益在頻率高端隨著頻率的增加以6dB/倍頻程下降。 寬帶放大器常用的設計方法有: 平衡結構式放大器,負反饋式放大器, 有源匹配電路, 電抗網絡匹配, 寬帶電阻匹配, 分布式放大器等。 其中負反饋式放大器具有如下明顯的優點:降低整個電路對晶 體管自身性能變化的敏感度;獲得較好的輸入阻抗匹配和較低的噪聲系數; 增大工作頻帶內放大器的穩定性; 增加放大器的線性度等。因此,負反饋技術被廣泛地運 用于寬帶放大器的設計當中。采用負反饋技術的放大器如圖1所示。
    寬帶放大器電路
    2 偏置電路和穩定因子
    2.1 偏置電路
    放大器的偏置電路如圖2所示。 圖2中電感 L1和 L2是射頻扼流圈 (RFC) ; 電容 C1-C4為電源濾波電容。
    寬帶放大器電路
    2.2 采用負反饋式的寬帶放大電路
    圖3示為一種采用負反饋方式的寬帶放大電路,該電路放大器均采用變壓器耦合方式,放大部分采用場效應晶體管和晶體三極管相結合的方式。
    寬帶放大器電路
    圖3 負反饋式寬帶放大電路圖
    電路中,輸入信號經耦合電容器加到變壓器Ti繞組的中心抽頭,再經變壓器T2的初級繞組加到場效應晶體管的柵極上,這種方式具有阻抗轉換的功能,將50 n輸入阻抗提高到200 n,變壓器Tz的次級繞組又是VT1的滿極負載,放大器的增益取決于T2的次級繞組(25/3=8,33)。VT2是射極輸出放大器方式,通過線圈抽頭的選擇可得到5011的輸出阻抗。
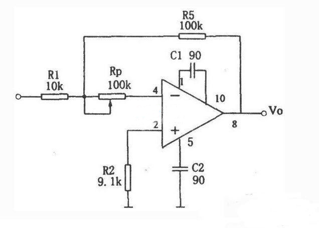
    2.3 帶偏流補償的寬帶放大電路設計
    寬帶放大器電路
    圖4
    圖4所示電路與一般反相放大電路的不同點僅在于反饋電阻輸入端點與反相輸入端之間串接了一個100kΩ的電位器,用于對直流偏流進行補償。調整電位器 Rp,使當Vi=0V時,Vo=0。在補償端引腳1與10之間接相位補償電容C1(90pF),引腳5到地的濾波電容C2也為90pF。該電路在圖示參數下的電壓放大倍數為:Av=-10,其電壓轉換速度大于70v/μs,半功率帶寬可達400kHz以上,其增益帶寬之積約為30MHz。采用10引腳的金屬圓形封裝的LH0003工作溫度為0~85℃,存儲溫度為-65~150℃。當采用LH0003芯片時,其工作溫度為-55~125℃,存儲溫度為 -65~150℃。
    編輯點評:本文介紹了寬帶放大器,寬帶放大器是通信系統中不可或缺的重要器件,這里通過負反饋技術。 該放大器具有增益高, 增益平坦度優,及噪聲系數小等優點,可廣泛應用于微波通信、衛星通信等各種電子設備中。
    烜芯微專業制造二極管,三極管,MOS管,橋堆等20年,工廠直銷省20%,4000家電路電器生產企業選用,專業的工程師幫您穩定好每一批產品,如果您有遇到什么需要幫助解決的,可以點擊右邊的工程師,或者點擊銷售經理給您精準的報價以及產品介紹
    相關閱讀