• <tr id="ii00i"></tr>
  • <nav id="ii00i"><sup id="ii00i"></sup></nav>
  • <nav id="ii00i"></nav>
  • <tfoot id="ii00i"><noscript id="ii00i"></noscript></tfoot>
    <tfoot id="ii00i"><noscript id="ii00i"></noscript></tfoot>
  • <tfoot id="ii00i"><noscript id="ii00i"></noscript></tfoot>
    天天成人综合网,亚洲人妻资源网,欧美精品网,国产黑丝袜在线观看视频,蜜桃av一卡二卡三卡,激情综合图区,亚洲avav,亚洲av电影天堂网

    您好!歡迎光臨烜芯微科技品牌官網!

    深圳市烜芯微科技有限公司

    ShenZhen XuanXinWei Technoligy Co.,Ltd
    二極管、三極管、MOS管、橋堆

    全國服務熱線:18923864027

  • 熱門關鍵詞:
  • 橋堆
  • 場效應管
  • 三極管
  • 二極管
  • PFC主電路原理圖知識
    • 發布時間:2020-08-08 15:32:29
    • 來源:
    • 閱讀次數:
    PFC主電路原理圖知識
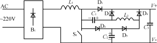
    PFC主電路原理圖
    圖 PFC主電路原理圖
    如圖所示的無損吸收PFC主電路的原理圖。圖中B1為整流橋,L1為PFC升壓電感,D1為隔直二極管,S1為開關管,C1,C2,D2,D3和D4,L2組成無損吸收網路,C3為輸出濾波電容。具體分析過程如下:當S1斷開前,C2中的能量通過D5及L2轉移到了C1中,C2的電壓降至0。C1的極性如圖1所示。當S1斷開時,C2上開始為零電壓,L1中的電流通過D3給C2充電,直到D1導通為止。并且C2的電位通過D4、D5箝位到輸出電壓。同時C1通過D2向負載放電,能抑制S1漏極上電壓的上升時間,從而充分地保證S1關斷在零電壓狀態下。當S1合上時,C1的左端通過S1接地,電容C2上的電荷通過D5、L2轉移到C1中。當開關再次關斷的時候,重復上述過程。
    烜芯微專業制造二極管,三極管,MOS管,橋堆等20年,工廠直銷省20%,4000家電路電器生產企業選用,專業的工程師幫您穩定好每一批產品,如果您有遇到什么需要幫助解決的,可以點擊右邊的工程師,或者點擊銷售經理給您精準的報價以及產品介紹
    相關閱讀