• <tr id="ii00i"></tr>
  • <nav id="ii00i"><sup id="ii00i"></sup></nav>
  • <nav id="ii00i"></nav>
  • <tfoot id="ii00i"><noscript id="ii00i"></noscript></tfoot>
    <tfoot id="ii00i"><noscript id="ii00i"></noscript></tfoot>
  • <tfoot id="ii00i"><noscript id="ii00i"></noscript></tfoot>
    天天成人综合网,亚洲人妻资源网,欧美精品网,国产黑丝袜在线观看视频,蜜桃av一卡二卡三卡,激情综合图区,亚洲avav,亚洲av电影天堂网

    您好!歡迎光臨烜芯微科技品牌官網!

    深圳市烜芯微科技有限公司

    ShenZhen XuanXinWei Technoligy Co.,Ltd
    二極管、三極管、MOS管、橋堆

    全國服務熱線:18923864027

  • 熱門關鍵詞:
  • 橋堆
  • 場效應管
  • 三極管
  • 二極管
  • 勵磁系統過電壓保護裝置解析
    • 發布時間:2020-07-16 18:23:50
    • 來源:
    • 閱讀次數:
    勵磁系統過電壓保護裝置解析
    1. 防止交、直流系統中暫態過電壓保護裝置說明
    產生過電壓的原因,除了大氣過電壓外,主要是由于系統中斷路器操作過程,以及可控 硅元件本身換相關斷過程,在電路中激發起電磁能量的互相轉換和傳遞而引起的過電 壓。東方電機勵磁系統中采用的過電壓保護措施在交流側為阻容吸收保護,直流側為非 線性電阻。
    AC 過壓保護
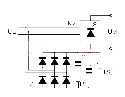
    一個交流過壓保護電路放在每個整流橋的交流輸入側吸收由于可控硅換相引起的電壓 尖峰。交流過壓保護基本上由三相二極管整流橋和連接到它的直流輸出側的電容組成。 對于高頻尖峰電容表現為低阻抗并當作一個濾波器。利用電容器兩端電壓不能突變,而 能儲存電能的基本特性和電容并聯有一個當電容放電時吸收能量的充放電電阻。在該應 用中的電容應該能夠承受高的 di/dt。 二極管整流橋的交流側采用帶檢測微動開關的熔絲 進行保護。 其接線方式采用反向阻斷式接線如圖所示。
    電壓保護裝置
    圖一 反向阻斷式阻容吸收保護線路
    DC 過壓保護
    在發電機機端故障如短路、 錯誤同期和/或異步運行時產生感應的負勵磁電流, 該電流可能在勵磁回路中引起高電壓。這樣的過電壓必須限制在一個對勵磁線圈的絕緣電壓(試 驗電壓)和整流可控硅的 PIV(峰值反向電壓)值足夠安全的范圍內。為此通常采用所謂的 CROWBAR 電路。CROWBAR 電路采用轉折二極管檢測勵磁回路中的正和負的過電 壓。無論何時動作,觸發相關的可控硅,立即連接非線性磁場保護電阻與轉子并聯。
    磁場保護
    磁場保護的標準方案是應用可控硅整流橋帶直流側磁場斷路器+CROWBAR 電路的磁 場保護方案,基于磁場斷路器的邏輯控制、CROWBAR 可控硅觸發和脈沖閉鎖。 CROWBAR 電路采用轉折二極管檢測勵磁回路中的正和負的過電壓。無論何時動作, 觸發相關的可控硅,立即連接非線性磁場保護電阻與轉子并聯邏輯控制同時送命令給: 磁場斷路器分閘, 立即使在接受到一個來自發電機保護系統或內部勵磁系統保護的跳閘 命令后啟動磁場保護。CROWBAR 可控硅觸發立即連接磁場保護電阻與轉子并聯,使 勵磁電流換流到磁場保護電阻上。
    通過磁場斷路器弧壓和磁場線圈間最大可允許的電壓來估算和調配滅磁電阻的值。也根 據發電機機端三相短路感應的勵磁電流和/或空載運行時頂值勵磁電流來估算將要吸收 的聚集在磁場線圈的能量。
    2. 并聯可控硅電流均流方法說明
    可控硅并聯支路間電流分配不均的原因有二:
    a 在瞬態時,由于并聯元件開通時間的先后有差別,而引起瞬態電流不均;
    b 在導通進入穩態后,由于并聯元件在導通狀態下的伏安特性(正向壓降)有差異, 則引起穩態電流不均。過去多年來,提高并聯可控硅橋中電流的分配總是一個問題。沒 有一個實用的方法,正如交流進線的位置、在每個可控硅橋進線口的均流電抗器都不是 完全有效的。實際上在最好的情況下可接受 10%的額定電流不對稱量已經超出了理論的 要求。東方電機由于采取了作為軟件功能的動態電流分布,使流過每一個可控硅橋的電 流差不多是相等的。在大多數較大電流應用情況下,由于不必計算電流的不平衡性,通 過動態電流分布可以節省一個可控硅橋。此外,成組的可控硅整流橋的交流進線可以在 右邊進線或者在左邊進線。 這是因為不必考慮從變壓器的二次側到可控硅整流橋合適的 電磁路徑。從而,交流母排內部互相連接是統一的和標準化的。因此,內部互相連接的交流母排的工作和費用極大地減少。
    東方電機在解決以上電流分配不均方面采用以下方法:
    a.在調節器內采取了作為軟件功能的動態電流分布,使流過每一個可控硅橋的電流差 不多是相等的。
    b. 在并聯支路元件的選配上,保證所選元件的開通特性和正向壓降基本一致,即開通 時間的偏差不大于 20 微秒, 正向壓降的偏差不超過 0.05 伏, 元件的額定電流降低到 0.8 倍以下使用。
    c. 在觸發回路設計方面,盡可能提高觸發電流的上升率和幅值,使開通時間偏差縮 小;
    d. 在元件的排列和引出母線的位置上,力求做到使各支路的電阻相等,自感相等, 互感也大致相等;在母排的選用、處理工藝上力求做到并聯支路的一致性。
    3. 晶閘管與熔斷器配合關系說明
    快速熔斷器的熔斷特性是指通過熔體的熔斷電流(峰值)與清除故障時間的關系。 清除故障時間包括熔體的熔化時間與飛弧時間。東方電機在選用熔斷器時,采用以下方 法來實現晶閘管與熔斷器的配合:
    a 選用的熔斷器的額定電流小于流過可控硅元件的實際工作電流,即:
    電壓保護裝置
    式中:IR 為熔體的額定電流,IT(AV) 為整流元件的額定通態平均電流 IA(RMS)為流過橋臂的實際工作電流的均方根值 np 為并聯支路數, KCI 為均流系數
    b 在預期故障電流的條件下,熔體的熔斷特性處于被保護元件的短時過載特性的 下方。預期故障電流是指不裝熔斷器時,該電路中可能產生的最大故障電流。
    熔斷器限流特性曲線和熔化特性曲線見附圖。
    4. 滑極保護方法說明
    當發電機出現滑極時,發電機處于異步運行中,轉子繞組會感生很大的交流電流, 從而在轉子繞組中產生過電壓,其值與轉差率的大小有關。為了消除滑極所引起的過電 壓,采用非線性電阻跨接在轉子兩端來保護轉子和整流橋。
    5. 抑制靜態勵磁裝置輸出回路中故障電流的方法說明
    為了抑制靜態勵磁裝置輸出回路中故障電流,東方電機在設計中采取了以下措施:
    a 勵磁裝置內部具有完整的自檢和自診斷功能;
    b 調節控制和功率部份采用冗余配置;
    c 勵磁裝置設有各種限制和保護功能,如空載過勵限制、低頻過勵限制、最大勵 磁電流限制、最小勵磁電流限制等功能。
    烜芯微專業制造二極管,三極管,MOS管,橋堆等20年,工廠直銷省20%,4000家電路電器生產企業選用,專業的工程師幫您穩定好每一批產品,如果您有遇到什么需要幫助解決的,可以點擊右邊的工程師,或者點擊銷售經理給您精準的報價以及產品介紹
    相關閱讀