• <tr id="ii00i"></tr>
  • <nav id="ii00i"><sup id="ii00i"></sup></nav>
  • <nav id="ii00i"></nav>
  • <tfoot id="ii00i"><noscript id="ii00i"></noscript></tfoot>
    <tfoot id="ii00i"><noscript id="ii00i"></noscript></tfoot>
  • <tfoot id="ii00i"><noscript id="ii00i"></noscript></tfoot>
    天天成人综合网,亚洲人妻资源网,欧美精品网,国产黑丝袜在线观看视频,蜜桃av一卡二卡三卡,激情综合图区,亚洲avav,亚洲av电影天堂网

    您好!歡迎光臨烜芯微科技品牌官網!

    深圳市烜芯微科技有限公司

    ShenZhen XuanXinWei Technoligy Co.,Ltd
    二極管、三極管、MOS管、橋堆

    全國服務熱線:18923864027

  • 熱門關鍵詞:
  • 橋堆
  • 場效應管
  • 三極管
  • 二極管
  • 恒流電路在電源中的應用知識
    • 發布時間:2020-07-13 15:42:24
    • 來源:
    • 閱讀次數:
    恒流電路在電源中的應用知識
    由于市場需求,電源模塊越來越追求寬電壓輸入,寬電壓輸入就會導致供電電流隨輸入電壓變化而變化,為了高電壓和低電壓輸入的情況下,都能獲得恒定的供電電流,在輸入端加一個恒流電路,以獲得性能的一致性。
    理想的恒流源
    理想的恒流源是電流不隨輸入電壓的變化而變化,不受環境溫度的影響,內阻無窮大。但是,實際中的恒流電路跟理想的還是存在差距,所以要根據實際應用選取合適的恒流源電路。
    幾種簡單的恒流源介紹
    由兩個三極管組成的恒流源電路,如電路圖1。
    恒流電路
    圖 1
    由兩個同型號的三極管,根據三極管Vbe電壓相對穩定,以及三極管的基極電流相對集電極電流較小的特點,組成一個電流相對恒定的恒流源,電流Io=Vbe/R1;這個恒流源沒有用到特殊器件,兩個三極管和兩個電阻組成,成本低,電流Io可調;缺點是Vbe的大小會隨電流及溫度的變化而變化,電流大Vbe大,溫度低Vbe大,所以不適合用在精度要求高的地方。
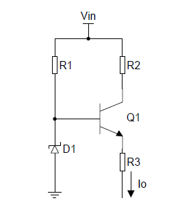
    由穩壓管組成的恒流源電路,如電路圖2
    恒流電路
    圖 2
    此恒流電路主要是運用了穩壓二極管上的電壓較穩定特性,以及三極管Vbe的穩定性,組成的恒流電路,Io=(Vd-Vbe)/R3;此電路優點是成本低,電流可調,缺點是溫度特性差,穩流精度不高,適用于對精度要求不高的場合。
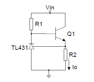
    由TL431組成的恒流源,如電路圖3。
    恒流電路
    圖 3
    TL431提供一個基準電壓Vref,組成一個恒流源,電流Io=Vref/R2。
    由三端穩壓器組成的恒流源,如電路圖4。
    恒流電路
    圖 4
    三端穩壓器提供一個恒定電壓Vout,組成一個恒流源,Io=Vout/R1。
    以上都是一些比較常見的簡單的恒流源,而且有一個共性,穩壓精度都不高,電流Io也不大。除了以上列舉的幾個,還有其他類似的恒流源,但萬變不離其宗,都是以一個恒壓源為基準組成,在此就不一 一列舉。
    在應用過程中,如果需要高精度、大電流的恒流源,可以使用一個運放,組成一個高精度、大電流的恒流源,如電路圖5。
    恒流電路
    圖 5
    使用運放組成的恒流源,Io=Vref/R1。
    恒流源在寬電壓輸入模塊中的應用
    在模塊電源中,小功率電源的短路保護一般不外接短路保護電路,這種模塊的特點是功率小,體積小,成本低;適合當前競爭激烈的市場;然而它們本身存在一個致命的特點,短路保護功能和啟動能力存在矛盾,啟動能力強,短路保護就會變差;短路保護變強,啟動能力就會變弱。特別是在需要超寬電壓范圍輸入的情況下,啟動能力跟短路能力更不好兼容。
    舉個例子,E4805UHBD-15W,18~72VDC輸入,15W輸出的模塊電源,如果是用電阻加電容組成RC啟動電路如圖6,電流會隨輸入電壓的變化,低壓和高壓短路時,打嗝周期會相差很大,短路功率高壓輸入時會較大;調好低壓啟動能力和短路保護后,高壓短路保護就會變差,啟動能力超強,反過來調好高壓啟動和短路能力,低壓的短路保護能力很好,但是,啟動能力很差,會出現啟動不良現象。
    恒流電路
    圖 6
    為了解決以上矛盾,把啟動電路改為用一個恒定電流的電路替代,如圖7,輸入電流基本不會隨輸入電壓的變化而變化,兩種啟動電路,低壓提供相同的啟動電流,高壓短路時,第二種啟動電路的短路功耗會小很多,低壓和高壓的短路周期也會較接近。
    恒流電路
    圖 7
    如圖8、9所示,是采用了恒流電路,測試的短路波形圖,用恒流電路替代電阻啟動解決了啟動和短路的矛盾。
    恒流電路
    圖 8
    恒流電路
    圖 9
    烜芯微專業制造二極管,三極管,MOS管,橋堆等20年,工廠直銷省20%,4000家電路電器生產企業選用,專業的工程師幫您穩定好每一批產品,如果您有遇到什么需要幫助解決的,可以點擊右邊的工程師,或者點擊銷售經理給您精準的報價以及產品介紹
    相關閱讀