• <tr id="ii00i"></tr>
  • <nav id="ii00i"><sup id="ii00i"></sup></nav>
  • <nav id="ii00i"></nav>
  • <tfoot id="ii00i"><noscript id="ii00i"></noscript></tfoot>
    <tfoot id="ii00i"><noscript id="ii00i"></noscript></tfoot>
  • <tfoot id="ii00i"><noscript id="ii00i"></noscript></tfoot>
    天天成人综合网,亚洲人妻资源网,欧美精品网,国产黑丝袜在线观看视频,蜜桃av一卡二卡三卡,激情综合图区,亚洲avav,亚洲av电影天堂网

    您好!歡迎光臨烜芯微科技品牌官網!

    深圳市烜芯微科技有限公司

    ShenZhen XuanXinWei Technoligy Co.,Ltd
    二極管、三極管、MOS管、橋堆

    全國服務熱線:18923864027

  • 熱門關鍵詞:
  • 橋堆
  • 場效應管
  • 三極管
  • 二極管
  • 簡單實用的模擬溫控電路設計方案
    • 發布時間:2020-07-08 17:56:20
    • 來源:
    • 閱讀次數:
    簡單實用的模擬溫控電路設計方案
    溫度控制系統被廣泛應用于工業、農業、醫療等行業的儀器設備中,目前應用最多的是單片機或微機系統設計的溫度控制系統。系統硬件部分由輸人輸出接口、中央處理單元、A/D轉換、定時計數等集成模塊組成,系統軟件部分需要用運算量大的PID算法編程實現,整套控制系統設計及實現較為復雜和繁瑣。由分立元件組成的模擬型電路信號輸入、放大、運算及控制輸出都由硬件電路完成,不需要軟件設計。與數字電路相比,其設計及實現過程更為簡便,所以采用簡易實用的模擬電路實現溫控電路的設計。
    1 溫控總電路組成
    溫控電路主要由電源部分、溫度檢測元件、信號放大、比例積分、電壓比較、移相觸發控制繼電器、超溫保護、加熱爐和LED顯示幾部分組成,其電路結構如圖1所示。
    模擬溫控電路
    圖1 溫控系統電路組成圖
    由溫度檢測元件可以檢測到溫度值信號,該信號經過放大后輸送至比例積分電路并與溫度設定電壓比較,比較結果輸送至相觸發電路產生可變周期的脈沖以觸發固態繼電器中可控硅導通角,從而可控制加熱裝置的加熱功率,達到控制溫度的目的。溫度補償電路減少室溫對溫度測量準確度的影響;超溫保護電路可以保證在加熱溫度超過設定值時,裝置停止加熱,起到保護設備的作用。
    2 各分電路設計
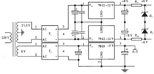
    2.1 電源電路
    溫控電路中需要直流電壓的器件為運算放大器及電子信息顯示模塊。該電壓由220V交流電壓經整流濾波后加。至三端穩壓器輸出得到。其電路如圖2所示。
    模擬溫控電路
    圖2 電源電路圖
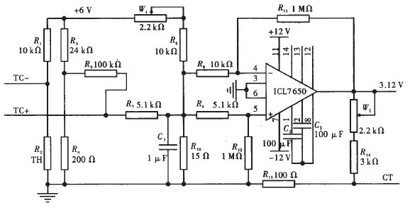
    2.2 輸入溫度信號放大及溫度補償電路
    用感溫元件鎳硌一鎳鉻K型熱電偶作溫度傳感器來采集溫度信號,溫度信號為mV級,實際測量時需經過放大處理。熱電偶測量溫度信號受工作端溫度 和自由端環境溫度影響,所以測量中需要加補償信號消除環境溫度變化對溫度測量的影響。具體電路如圖3所示。
    模擬溫控電路
    圖3 信號放大及溫度補償電路
    2.3 超溫保護電路
    以將功率為60 w將加熱裝置加熱至750℃為例,圖3中溫度信號經過放大100倍后加到比例積分電路并與溫度設定電壓比較,比較結果輸送相觸發電路產生可變周期脈沖以觸發固態繼電器。為避免加熱溫 度過高設置超溫保護電路,在溫度過高時切斷加熱電壓。具體電路如圖4所示。
    模擬溫控電路
    圖4 比例積分、電壓比較、移相觸發及超溫保護電路
    3 設計驗證
    3.1 電源電路驗證
    圖2設計220 V交流電壓經變壓器變壓至整流橋T1、T2,整流為直流電壓,直流電壓經電容濾波后輸入三端穩壓器及穩壓二極管,輸出±12 V、±6 V及5 V電壓。±12 V電壓為運算放大器工作電壓;±6 V為偏置電壓;5 V電壓供LED顯示用。其測量值表1所示。
    模擬溫控電路
    從測試結果來看,實測電壓與設計電壓絕對誤差在±0.1 V之間,完全滿足電路工作需要。
    3.2 溫度信號放大及溫度補償電路驗證
    圖3是一個差分放大電路,放大器采用ICL7650,反饋網絡電阻比R11/R8為100,即溫度毫伏電壓信號被放大100倍。輸入溫度電壓毫伏信號為TC+與TC一端電壓差,TC一端R:為一負溫度系數熱敏電阻,當工作端溫度變化,熱電偶產生的熱電勢也將變化,而此時熱敏電阻阻值也將減少并使TC一端電壓的電壓也發生變化。這樣總的差分輸人信號隨溫度變化被抵消。如果參數選擇合適可消除自由端溫度變化對熱電偶溫度測量的影響。
    圖中CT取自放大以后的溫度毫伏信號,通過改變R13與R14及W2比例可取適當電壓信號與溫度值對應,該電壓信號接至3位半LED顯示表可顯示測量溫度值。
    表2為溫度采集模塊輸出測試數據,由國標K型熱電偶與電勢對應關系表可得到熱電偶理論輸出電勢,實驗測試在不同室溫及測量溫度時,溫度采集模塊輸出端實測電壓是否符合設計要求。由測試數據 來看,通過溫度采集模塊,被測溫度電勢信號經過室溫補償后,被準確放大100倍。
    模擬溫控電路
    3.3 超溫保護電路驗證
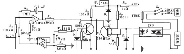
    圖4中左上方A2差分放大器LM324與C4,R16,R15,R18。組成比例積分電路,該電路對放大后的溫度信號進行積分。圖中一6 V電壓經過W3、R20、R21。分壓在R21上產生壓降,通過電位器W3調節使R21上壓降為-3.12 V,該電壓通過圖中左下方跟隨器LM324輸出與溫度放大信號進行比較,將比較結果送至后端移相觸發電路。
    圖4中Q2,R22,R26及D1組成超溫保護電路,如果加熱爐溫度超過820℃,則圖3溫度信號經過放大后ICL7650輸出電壓>3.29 V,此時穩壓二極管D1被反向擊穿,流經R26的電流因Q2基極電位升高使Q2導通,Q2集電極電位降至O.3~O.5 V,移相觸發停止工作,繼電器不輸出加熱電壓,此時起到超溫保護作用。
    Q1,C5,R24,繼電器和加熱裝置等其它器件組成移相觸發、交流輸出及升溫部分。移相觸發電路核心元件為Q1單結晶體管,其結構、等效電路如圖5所示,伏安特性如圖6所示。
    模擬溫控電路
    圖5 單結晶體管結構及等效電路圖
    模擬溫控電路
    圖6 單結晶體管伏安特性圖
    e為發射極,b1、 b2分別為第一基極和第二基極。圖4中Q1與C5、R26、R24、R23利用晶體管Q1負阻特性構成震蕩電路。負阻特性就是當晶體管發射極電流增加時,發射極電壓VE反而減小。工作狀態通電時 ,電容C5上的電壓為零,BT35管子截止,+12 V電源通過電阻R26對C5充電,隨時間增長電容C5,上電壓逐漸增大;當增大至Ueb1峰點電壓Up后,管子進入負阻區,輸入端等效電阻迅速減小,此時C5迅速放電,電流Ie隨之減小,當Ueb1減小到谷點電壓Uv后,管子截止;電容C5又開始充電。上述過程循環產生振蕩。電容上電壓的測試波形如圖7所示。
    圖7 電容C5輸出波形圖
    模擬溫控電路
    圖7所示BT35輸出為周期性鋸齒波,該鋸齒波加至固態繼電器直流輸入端可控制交流輸出電壓大小。
    實際應用中,可以通過改變電壓比較電路中比較電壓大小控制震蕩電路輸出波形導通角,圖8所示為測試波形示意圖。
    圖8震蕩電路輸出波形圖
    模擬溫控電路
    通過控制震蕩電路周期T內輸出導通角,可以達到控制電源輸出功率大小的目的,從而改變加熱裝置加熱功率。圖4電壓比較電路中,調節電位器W3可改變A2 LM324輸出比較電壓大小。
    3.4 溫控效果實驗驗證
    通過調節圖4溫度控制模塊比較電壓大小設定控制溫度分別為260℃、340℃、460℃、580℃、670℃、750℃。測試系統溫度控制精度。測試時間為7天,每隔24小時從系統顯示讀取。將實測溫度值與設定溫度進行比較,從測試結果看,系統溫度控制精度為±3℃。
    模擬溫控電路
    圖9溫控測試試驗結果圖
    4 結束語
    該設計實際應用效果良好,溫度控制在750℃下,控制精度可達±3℃。與單片機溫控系統相比,該溫控電路最大特點是設計簡便,調試過程也易于實現,工作狀態穩定可靠,實用性強。可應用于工業、農業生產及實驗室等需要進行溫度控制的場所。
    烜芯微專業制造二極管,三極管,MOS管,橋堆等20年,工廠直銷省20%,4000家電路電器生產企業選用,專業的工程師幫您穩定好每一批產品,如果您有遇到什么需要幫助解決的,可以點擊右邊的工程師,或者點擊銷售經理給您精準的報價以及產品介紹
    相關閱讀