• <tr id="ii00i"></tr>
  • <nav id="ii00i"><sup id="ii00i"></sup></nav>
  • <nav id="ii00i"></nav>
  • <tfoot id="ii00i"><noscript id="ii00i"></noscript></tfoot>
    <tfoot id="ii00i"><noscript id="ii00i"></noscript></tfoot>
  • <tfoot id="ii00i"><noscript id="ii00i"></noscript></tfoot>
    天天成人综合网,亚洲人妻资源网,欧美精品网,国产黑丝袜在线观看视频,蜜桃av一卡二卡三卡,激情综合图区,亚洲avav,亚洲av电影天堂网

    您好!歡迎光臨烜芯微科技品牌官網!

    深圳市烜芯微科技有限公司

    ShenZhen XuanXinWei Technoligy Co.,Ltd
    二極管、三極管、MOS管、橋堆

    全國服務熱線:18923864027

  • 熱門關鍵詞:
  • 橋堆
  • 場效應管
  • 三極管
  • 二極管
  • 電機驅動原理及電路分析-電機驅動電路設計和發展現狀
    • 發布時間:2020-06-12 19:12:09
    • 來源:
    • 閱讀次數:
    電機驅動原理及電路分析-電機驅動電路設計和發展現狀
    電機驅動簡介
    電機驅動Motor drive是組裝在膠片式照相機內的微型電機或彈簧及其附件的總稱,借助微型電機自動地卷取膠片,大多是指35毫米單鏡頭反光相機所用的。
    拍一片格和連拍可以交替,連拍時一般一秒鐘拍3—5片格。視照相機的種類,將背部蓋子換為長膠卷用片盒,即可拍250片格。除供利用軟線的遙控攝影外,亦可借連接到定時器上的間隔控拍器自動地拍攝,或靠控制快門等,應用面較廣。倘不需連拍時,使用自動卷片器亦可。
    電機驅動的發展現狀
    電機驅動的發展現狀如下:
    (1)交流異步電機驅動系統我國已建立了具有自主知識產權異步電機驅動系統的開發平臺,形成了小批量生產的開發、制造、試驗及服務體系;產品性能基本滿足整車需求,大功率異步電機系統已廣泛應用于各類電動客車;通過示范運行和小規模市場化應用,產品可靠性得到了初步驗證。
    (2)開關磁阻電機驅動系統已形成優化設計和自主研發能力,通過合理設計電機結構、改進控制技術,產品性能基本滿足整車需求;部分公司已具備年產2000套的生產能力,能滿足小批量配套需求,目前部分產品已配套整車示范運行,效果良好。
    (3)無刷直流電機驅動系統國內企業通過合理設計及改進控制技術,有效提高了無刷直流電機產品性能,基本滿足電動汽車需求;已初步具有機電一體化設計能力。
    (4)永磁同步電機驅動系統已形成了一定的研發和生產能力,開發了不同系列產品,可應用于各類電動汽車;產品部分技術指標接近國際先進水平,但總體水平與國外仍有一定差距;基本具備永磁同步電機集成化設計能力;多數公司仍處于小規模試制生產,少數公司已投資建立車用驅動電機系統專用生產線。
    電機驅動原理與電路分析
    電機驅動電路原理
    電機驅動電路原理如下圖:
    電機驅動
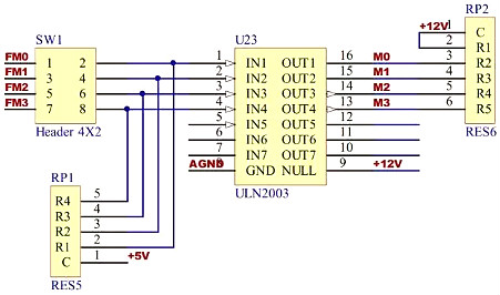
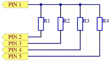
    上圖中Header 4X2為4排2列插針,FM0~3為FPGA芯片I/O輸出口,加入的插針給予一個可動的機制,在需要使用時才用跳線帽進行相連,提高I/O口的使用效率。RES5是五端口排阻,內部集成了4個等阻值且一端公共連接的電阻,PIN 1是公共端,PIN2~5為排阻的輸出端,排阻原理圖,如下圖所示:
    電機驅動
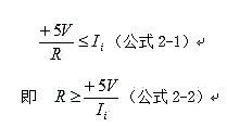
    該排阻公共端接電源,即上拉電阻形式,作用是增強FPGA芯片I/O口(以下簡稱I/O口)的驅動能力,實際上就是增加I/O輸出高電平時輸出電流的大小。當I/O輸出高電平時,+5V電源經排阻與IN1~4相連,相當于為I/O提供一個額外的電流輸出源,從而提高驅動能力。當I/O輸出低電平時,可將I/O近似看做接地,而IN1~4因與I/O由導線直接相連,因此直接接受了I/O的低電平輸出信號。此時,+5V電源經排阻R、I/O內部電路(電阻近似為零)后接地,因此該路的電流不能大于I/O的拉電流(Ii)最大值,如下公式:
    電機驅動
    由公式2-2可以得出排阻的取值范圍。
    該上拉電阻除了提高驅動能力外,還有一個作用,就是進行電平轉換。經查,ULN2003的接口邏輯為:5V-TTL, 5V-CMOS邏輯。而在3.3V供電的情況下,I/O口可以提供3.3V-LVTTL,3.3V-LVCMOS,3.3V-PCI和SSTL-3接口邏輯電平。因此,需要外接5V的上拉電阻將I/O電平規格變成5V電平邏輯。
    芯片ULN2003內部集成7組達林頓管,專門用于提高驅動電流,芯片引腳間邏輯如下圖所示:
    電機驅動
    于I/O電流遠遠不足以驅動電機,因此需要外接該芯片驅動電機,ULN2003內部集成的達林頓管電路如下圖所示。達林頓管的形式具有將弱點信號轉化成強電信號的特點,I/O電平邏輯從PIN IN輸入,通過達林頓管控制PIN 9(COMMON)端輸入的強電信號按照I/O信號規律變化。值得注意的是:ULN2003輸出邏輯將與輸入邏輯相反,編程時應該注意該特點。
    RES6是六端口排阻,內部集成了5個等阻值且一端公共連接的電阻,PIN 1是公共端,PIN2~6為排阻的輸出端,原理圖與接法說明可參考上述圖2-2,排阻取值范圍計算參見公式2-2,此處不再贅述。值得注意的是:RES6的PIN 1與PIN 2相連,是因為多出了一個不使用的電阻,為了避免PIN 2懸空,因此將PIN 2與PIN 1(公共端)相連,即PIN 2對應的電阻被短路,從而既避免的懸空的引腳,又能使該電阻失效。
    電機驅動
    (一)電機驅動電路分析-電機指示燈電路原理
    電機指示燈電路如下圖所示:
    電機驅動
    電機部分指示燈用于指示各路信號的邏輯電平狀態,其中R106~109為限流電阻,防止發光二極管因電流過大燒毀。值得注意的是:該指示燈的發光二極管接成共陽極,由M0~3信號端口產生低電平點亮對應的二極管,而ULN2003的OUT與IN邏輯電平相反,因此對于I/O口FM0~3來說,輸出高電平就能點亮對應的發光二極管,例如:FM0輸出高電平,則對應LD17點亮,編程時應注意此電路將I/O實際邏輯反相了兩次,對應關系為I/O口輸出哪路高電平則對應點亮哪路指示燈。
    (二)電機驅動電路分析-時鐘電路原理
    時鐘電路如下圖所示:
    電機驅動
    采用50Mhz有源晶振產生時鐘信號,接法采用有源晶振的典型接法:PIN 1懸空,PIN 2接地,PIN 3輸出時鐘信號,PIN 4接電源。由于FPGA的I/O供電為3.3V,而時鐘電路產生的時鐘信號要由I/O口接收,因此時鐘信號最大值不能超過3.3V,故時鐘電路電源采用3.3V供電。
    (三)電機驅動電路分析-FPGA部分電路原理
    FPGA部分電路原理圖如下圖所示:
    電機驅動
    Header 18X2為18排2列排陣,兩組排陣分別與PIN口、3.3V電源、數字地相連,提供了可動的機制,使得PIN口可根據需要用排線與目標相連,打到信號傳輸的目的。而3.3V電源以及數字地針口則可以根據需要,用排線為目標提供邏輯高電平或邏輯低電平。
    U21D為FPGA芯片的時鐘信號接收部分,通過網絡標號“CLK0~3”與對應的時鐘信號端口相連。
    U21C為FPGA芯片的供電及接地部分,含有“GND”字樣的是“地”端口,與數字地相連,VCCIO1~4為I/O口供電端口,采用3.3V電源供電,通過網絡標號“+3.3V”與3.3V電源端口相連。VCCA_PLL1、VCCA_PLL2、VCCINT為內部運算器和輸入緩沖區的供電端口,采用1.5V電源供電,通過網絡標號“+1.5V”與1.5V電源端口相連。
    電機驅動電路設計
    常見的電機驅動有兩種方式:1、采用集成電機驅動芯片。 2、采用MOSFET和專用柵極驅動芯片。下面一一詳細解析。
    1、采用集成電機驅動芯片
    通過電機驅動模塊控制驅動電機兩端電壓來對電機進行制動,我們可以采用飛思卡爾半導體公司的集成橋式驅動芯片 MC33886。MC33886 最大驅動電流為 5A,導通電阻為 140 毫歐姆,PWM 頻率小于 10KHz,具有短路保護、欠壓保護、過溫保護等功能。體積小巧,使用簡單,但由于是貼片的封裝,散熱面積比較小,長時間大電流工作時,溫升較高,如果長時間工作必須外加散熱器,而且 MC33886的工作內阻比較大,又有高溫保護回路,使用不方便。
    電機驅動
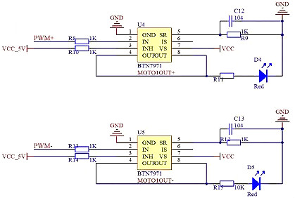
    下面,著重介紹我們在平時設計驅動電路時最常用的驅動電路。我們普遍使用的是英飛凌公司的半橋驅動芯片 BTS7960 搭成全橋驅動。其驅動電流約 43A,而其升級產品 BTS7970 驅動電流能夠達到 70 幾安培!而且也有其可替代產品 BTN7970,它的驅動電流最大也能達七十幾安!
    其內部結構基本相同如下:
    電機驅動
    每片芯片的內部有兩個 MOS 管,當 IN 輸入高電平時上邊的 MOS 管導通,常稱為高邊 MOS 管,當 IN 輸入低電平時,下邊的 MOS 管導通,常稱為低邊 MOS管;當 INH 為高電平時使能整個芯片,芯片工作;當 INH 為低電平時,芯片不工作。
    其典型運用電路圖如下圖所示:
    電機驅動
    INH一般使用時,我們直接接高電平,使整個電路始終處于工作狀態。
    下面就是怎么樣用該電路使得電機正反轉?假如當PWM1端輸入PWM波,PWM2端置0,電機正轉;那么當 PWM1端為0,PWM2端輸入PWM 波時電機將反轉!使用此方法需要兩路PWM信號來控制一個電機!其實可以只用一路 PWM 接 PWM1 端,另外 PWM2 端可以接在 IO 端口上,用于控制方向!假如 PWM2=0,PWM1 輸入信號時電機正轉;那么當 PWM2=1是,PWM1 輸入信號電機反轉(必須注意:此時PWM信號輸入的是其對應的負占空比)!
    以上的電路,對于普通功率的底盤,其驅動電流已經能夠滿足,但是對于更大功率的底盤,可能有點吃力。尤其是當我們加的底盤在不停的加減速時,這就需要電機不停的正反轉,此時的電流很大,還用以上的驅動電路,芯片會很燙!!這個時候就需要我們自己用 MOSFET 和柵極驅動芯片自己設計H橋!
    2、采用MOSFET和專用柵極驅動芯片
    大功率 MOS 管組成電機驅動電路,用這個方法電路非常簡單,控制只需要一路PWM,在管子上消耗的電能也比較少,可以有效地避免多片MC33886 并聯時由于芯片分散性導致的驅動芯片某些片發熱某些不發熱的現象。但是缺點是不能控制電機的電流方向,在小車的剎車的性能的提升上明顯有弱勢,而且電流允許值也比較小。
    當我們按照下圖接線時,也就是兩路PWM輸入組成H橋,則可以通過控制PWM1和PWM2的相對大小控制電流的方向,從而控制電機的轉向。
    電機驅動
    這里給大家介紹的是 IR 公司的 IR2104,因為 IR 公司號稱功率半導體領袖,當然 2104 也相對比較便宜!IR2104 可以驅動可以驅動高端和低端兩個 N 溝道MOSFET,能提供較大的柵極驅動電流使用兩片 IR2104 型半橋驅動芯片可以組成完整的直流電機 H 橋式驅動電路。但是需要 12V 驅動!
    烜芯微專業制造二極管,三極管,MOS管,橋堆等20年,工廠直銷省20%,1500家電路電器生產企業選用,專業的工程師幫您穩定好每一批產品,如果您有遇到什么需要幫助解決的,可以點擊右邊的工程師,或者點擊銷售經理給您精準的報價以及產品介紹
    相關閱讀